
1st Issue rev. l 01/12 2 DBL021e
TECHNICAL CHARACTERISTICS
Power supply 24-110-230 V~ +10.%
Consumption 11 VA (17 VA for 230 V~)
Dimensioning 15 VA (20 VA for 230 V~)
Frequency 50 ... 60Hz
Rotation angle MDL3./5.:
preset at 90°
selectable for 160°
adjustable between 55 and 160°
MDL2./4./6.:
preset at 90°
adjustable between 0 and 160°
Stroke time Seeavailablemodels(valuesreferred
to 50Hz; if frequency is 60Hz, the
stroke time is lower than 20%)
Nominal torque See available models
Starting torque See available models
Radial force on
shaft outputs 500 N max.
Temperature
working -15T 55
storage -50T 60
Ambient humidity R class (DIN 40040)
Terminal board (*) screw-type, for 1.5 to 2.5 mm2
wires
Two cable sleeves Rubber, with membrane punchable
on D=16 mm hole; to be replaced by
PG 13.5 compression glands
Protection degree IP 55 DIN 40050 (IEC 529)
Forenvironmentwithnormalpollution
according to IEC730-1 (93)/6.5.3
Installation position any
Weight 2.6 kg
Control signal
3 position control 2 SPST contact
Proportional control
- potentiometric 165 ohm
- with MDLS5 module
in voltage 4…7V/6...9V/8...11V/0...10V
in current 4…20 mA
- with MDLV5 module
variable range start 0…15 V or mA
variable range width 3…16 V or mA
Remark: for all models:
voltage ranges 0.1 mA max
current ranges 250 ohm
Indication outputs (for MDL3./5. only)
voltage 0…10 V- (2 mA max.)
10…0 V- (2 mA max.)
current 0…200 μa
The output signal is perfectly calibrated for a 90° stroke.
For 160° stroke, a deviation of the output signal at the stroke
end (negative tolerance) may occur.
Product in compliance with EMC89/336 directive according to
the below-mentioned standards:
- EN50081-1 for emission - EN50082-1 for immunity
POSSIBLE COMBINATIONS AND CONNECTIONS
All actuator models can be connected to any controller hav-
ing control signal corresponding to the indications given in the
“Technical Characteristics” paragraph. In particular, they can be
connected to CONTROLLI 500 Line, DIGITROLL 4000, 7000,
Line 200 and 300 controllers.
ACCESSORIES AND OPTIONS
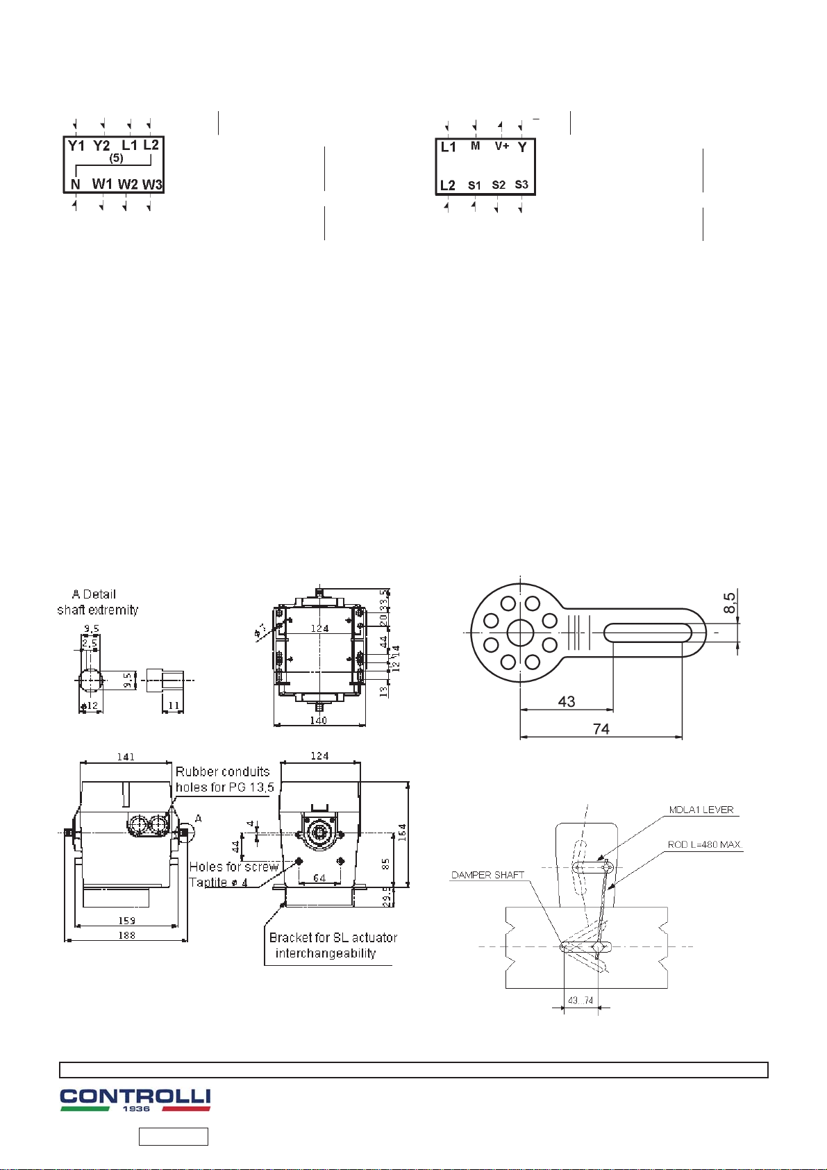
Model Description
DMDL Two auxiliary microswitches (SPDT 10(3)A 250 V)
adjustable on the whole stroke. Micro-disconnection
type 1B according to IEC730-1(93)/6.4.3.2
MDLA1 Damper operating lever (adjustable arm 43…74
mm)
MDLA2 Bracket for interchangeability between MDL and SL
MDLPA2 for MDL2 electronic cards with
MDLPA4 for MDL4 1 KOhm auxiliary
MDLPA6 for MDL6 potentiometer (1)
(1) On request it is possible to assemble 1 potentiometer.
MDLS5 Module for current control signal 4...20mA or volt-
age control signal, with selectable fixed ranges
4...7V/6...9V/8...11V/0...10V.
MDLV5 Module for current or voltage control signal, variable
as regards the start and the slope of the range.
YS7 Dampercontrol device (in additiontotheMDLA1 lever)
consistingof:articulatedjoints,steelconnectingrod ∅
8 mm - length 500 mm, lever for damper shaft, ∅12,
adjustable (43...74 mm).
INSTALLATION AND MOUNTING
The actuator can be installed in any position. Electrical connec-
tions are carried out by removing the cover and must conform
to existing rules.
The actuator is set for a 90° angular stroke. To set different
strokes it is necessary to adjust the cams using the supplied
spanner, inserting it into the slot near the aux. cams.
OnMDL3./5.modelsthere is a jumper to enable stroke selection
(90°/160°/VAR). Positions 90° and 160° refer to fixed strokes,
while by selecting VAR it is possible to set variable strokes (be-
tween a minimum of 55° and a maximum of 160°) using the P1
trimmer (see fig. 1).
The actuator is supplied with the shaft positioned on the 0 of the
externalpositionindicator(see fig. 2).To simplify installation and
cam calibration at the angular ends:
− using a screwdriver, unlock the main shaft, by rotating 180°
counterclockwise the loosening pivot located on the board
− put the main shaft in the desired position by operating on the
square extremity
− position the cams at due angulation
− repositionthemain shaft on 0 of the outside position indicator
and lock it by turning clockwise the pivot.
WARNING: The shaft unlocking mechanism must never
be operated under load.
On all 24 V~ models, in order to control manually the actuator,
move CM1 changeover switch to MANual position and act on
SW7 switch to control the actuator in both directions.
In the MDL3./5. models, to reverse direction in respect with
control operate on jumper SW3.
To obtain a remote manual control, besides moving the CM1
changeover switch in MAN position, it is necessary to use the
additional terminals 1, 2 and 3, carrying out the wiring accord-
ing to fig. 5. As regards the operations to be performed during
assembly, see the detailed description given in the mounting
instructions supplied in the package.
MDLS5 Option
TheMDLS5moduleispreset for 0...10 V control signal.Toselect
different ranges, move the SW1 jumper from the preset position
to the desired one (see fig. 3).
For the 4...20 mArange it is also necessary to position on SW1
the jumper set in JMP position.