
8
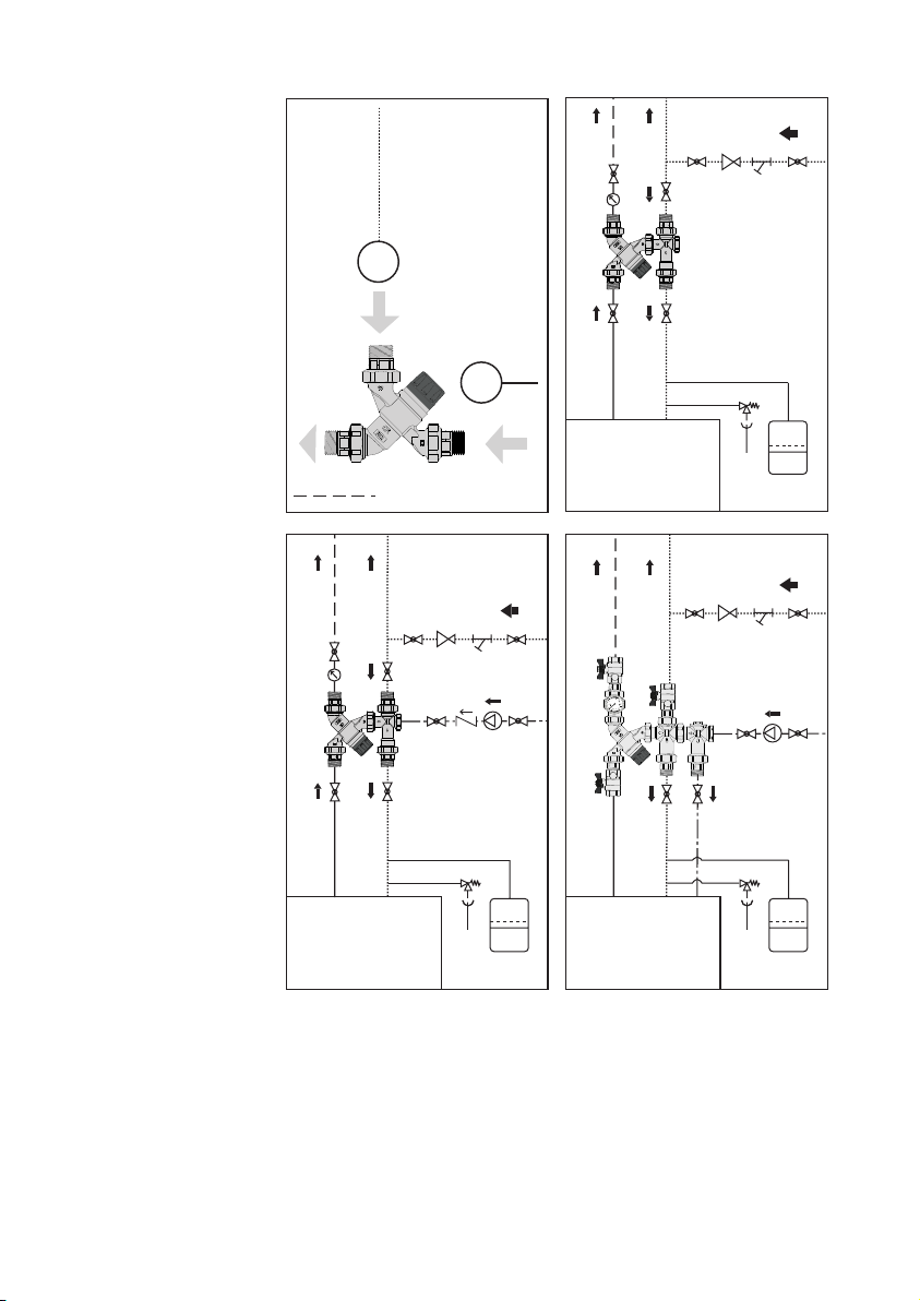
Die Kalt- und die Warmwasserzuleitungen müssen wie auf dem Ventilgehäuse
angegeben angeschlossen werden.
Der Warmwassereingang ist mit dem Buchstaben H gekennzeichnet.
Der Kaltwassereingang ist mit dem Buchstaben C gekennzeichnet.
Der Mischwasserabgang ist mit MIX gekennzeichnet.
Der Thermomischer wird komplett mit Absperrventilen und Rückflussverhinderern
geliefert.
Die Absperrventile müssen möglichst nahe an den Ventileingängen installiert werden,
um den Wasserzufluss für Wartungsarbeiten sperren zu können.
Die Rückflussverhinderer sind in der Armatur integriert.
Avant d'installer le mitigeur Caleffi série 5201, l'installation doit être contrôlée afin
de s'assurer que les conditions opérationnelles respectent la plage de
fonctionnement du mitigeur, en vérifiant, par exemple, les températures
d'alimentation, les pressions d'alimentation, etc.
Vidanger le circuit sur lequel le mitigeur série 5201 doit être intallé et nettoyer le pour
éliminer es impuretés qui pourrait s'être accumulée durant l'installation.
La présence de saletés peut influencer la prestation de l'appareil et annuler la garantie
du producteur.
S'assurer que l'accès au mitigeur est libre pour l'entretien de ce dernier ou des
raccordements. La tuyauterie ne doit pas suporter le poids du mitigeur.
Installer le mitigeur série 5201 selon les schémas d'installation fournis sur le mode
d'emploi ou la notice technique.
Avant d'installer le groupe mitigeur thermostatique Caleffifi série 5201, l'installation doit
être contrôlée afin de s'assurer que les conditions opérationnelles respectent la plage
de fonctionnement du mitigeur, en vérififiant, par exemple, les températures
d'alimentation, les pressions d'alimentation, etc.
Vidanger le circuit sur lequel le groupe mitigeur thermostatique série 5201 doit être
installé et le nettoyer pour éliminer les impuretés qui pourraient s'être accumulées
pendant l'installation.
La présence de saletés peut influencer les performances de l'appareil et annuler la
garantie du constructeur.
S'assurer que l'accès au mitigeur est libre pour l'entretien de ce dernier ou des
raccordements. La tuyauterie ne doit pas supporter le poids du mitigeur.
Installer le groupe mitigeur thermostatique série 5201 selon les schémas d'application
fournis dans le manuel suivant.
Le groupe mitigeur thermostatique série 5201 peut être installé dans n'importe quelle
position, aussi bien à la verticale qu'à l'horizontale.
Raccorder les arrivées d'eau chaude et froide conformément aux indications
mentionnées directement sur le corps du mitigeur.
L'arrivée d'eau chaude porte la lettre H.
L'arrivée d'eau froide porte la lettre C.
La sortie d'eau mitigée porte l'inscription MIX.
Le groupe mitigeur thermostatique est livré dans la version avec vannes d'arrêt et
clapets anti-retour.
Il est recommandé d'installer des vannes d'arrêt le plus près possible des entrées du
mitigeur pour pouvoir isoler l'alimentation du mitigeur en cas d'entretien.
Les clapets anti-retour sont montés à l'intérieur du groupe pour éviter des circulations
et des retours non désirés.
Antes de montar el grupo de control de temperatura Caleffi serie 5201, es
necesario controlar que los parámetros operativos del sistema (por ejemplo las
temperaturas y presiones de alimentación) estén dentro del campo de
funcionamiento del grupo.
El sistema donde se instale el grupo de control de temperatura serie 5201 se debe
purgar y limpiar para eliminar toda la suciedad que pueda haberse acumulado
durante el montaje.
La presencia de impurezas puede comprometer las prestaciones del producto y la
garantía del fabricante.
Es esencial que la válvula esté en una posición accesible, ya que la propia válvula y
las conexiones pueden necesitar mantenimiento. La válvula no debe quedar
sostenida por los tubos de entrada y salida.
El grupo de control de temperatura serie 5201 debe instalarse de acuerdo con los
esquemas de aplicación incluidos en este manual.
El grupo de control de temperatura serie 5201 se puede instalar en posición vertical
u horizontal.
Las entradas de agua caliente y fría se deben conectar según las indicaciones
practicadas en el cuerpo de la válvula.
La entrada de agua caliente está marcada con la letra H.
La entrada de agua fría está marcada con la letra C.
La salida de agua mezclada se señala con la palabra MIX.
El grupo de control de temperatura se suministra con válvulas de corte y de retención.
Las válvulas de corte se han de instalar lo más cerca posible de las entradas de la
válvula para poder interrumpir el flujo en caso de mantenimiento.
Las válvulas de retención están dentro del grupo para evitar circulaciones y reflujos
indeseados.