
© Caleffi 08301_iSolar Plus 24V.monus.indd
|2
Contents
Safety advice........................................................................2
Technical data and overview of functions ........................3
1. Installation .............................................................4
1.1 Mounting.................................................................................. 4
1.2 Electrical Connection ........................................................... 4
1.2.1 Data communication / Bus............................................. 5
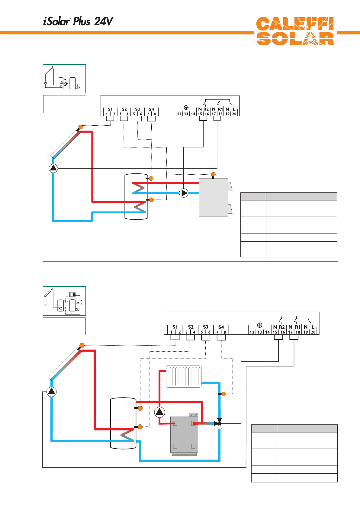
1.2.2 Standard solar system........................................................... 5
1.2.3 Solar system and heat exchange ........................................ 6
1.2.4 Solar system and afterheating............................................. 6
1.2.5 Solar system and tank charge in layers............................. 7
1.2.6 2-tank-solar system valve logic........................................... 7
1.2.7 2-tank-Solar system pump logic ......................................... 8
1.2.8 Solar system with 2 collectors ........................................... 8
1.2.9 Solar system afterheating by solid fuel boiler.................. 9
1.2.10 Solar system with heating circuit return flow incr.......... 9
2. Opearation and function ....................................10
2.1 Adjustment buttons ............................................................10
2.2 System monitoring display ................................................. 10
2.2.1 Channel indication............................................................... 10
2.2.2 Tool bar.................................................................................. 10
2.2.3 System screen.......................................................................11
2.3 Blinking codes....................................................................... 11
2.3.1 System-Screen Blinking codes........................................... 11
2.3.2 LED blinking codes..............................................................11
3. Primary commissioning......................................12
4. Control parameter and display channels..........13
4.1 Channel overview................................................................ 13
4.1.1-6 Indication channels ..............................................................15
4.1.6-21 Adjustment channels........................................................... 16
5. Tips for fault localization....................................21
5.1 Various .................................................22
6. Accessory .............................................................24
Safety advice
Please pay attention to the following safety advice in order
to avoid danger and damage to people and property.
Instructions:
Attention should be paid to
- valid local regulations
- the statutory provisions for prevention of industrial acci-
dents,
- the statutory provisions for environmental protection,
- the Health and Safety at Work Act 1974
- Part P of the Building Regulations 2005
- BS7671 Requirements for electrical installations and rele-
vant safety regulations of DIN, EN, DVGW,TRGI,TRF and
VDE.
These instructions are exclusively addressed to authorised
skilled personnel.
- Only qualified electricians should carry out installation and
maintenance work.
- Initial installation should be carried out by named qualified
personnel
Declaration of conformity
The product complies with the relevant direc-
tives and is therefore labelled with the CE mark.
The Declaration of Conformity is available upon
request, please contact the manufacturer.
Subject to change without prior notice. Errors excepted