INSTRUMENT
HI/Z
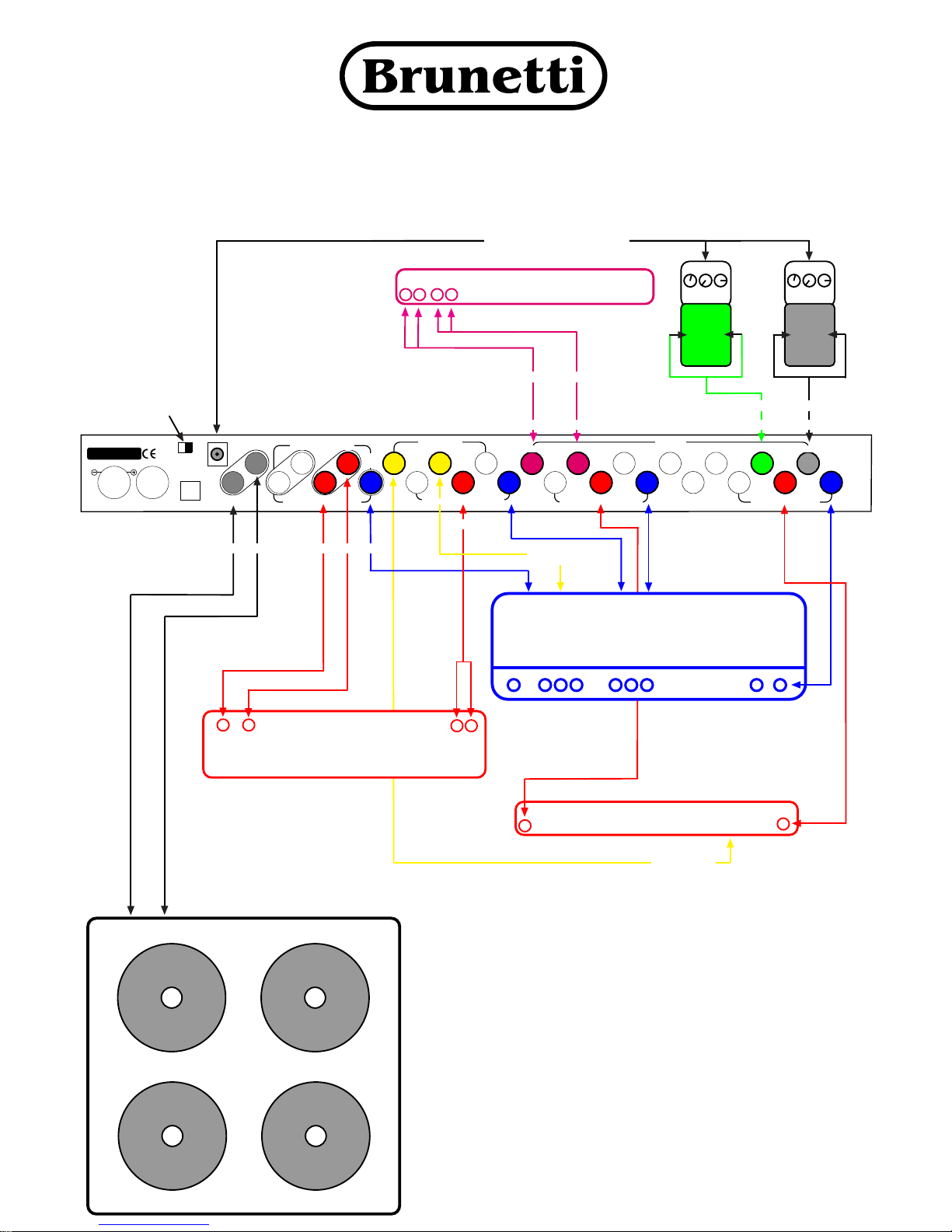
SWITCHESLOOPSSYSTEM
A B C MUTE FOOT 1 FOOT 2 FOOT 3 EFX 4 EFX 5 1 2 3
POWER
Matrix
®
MIDI MULTIFUNCTIONS LOOPER/SWITCHER
Guitar / Bass INPUT
Thesepush-buttonsallowyoutoselect
the loop/s you prefer. The ones called
FOOTarefor footpedal effects.They
are mono. The ones called EFX are
for rack multieffects.They are stereo.
You can select as many loops as you
want.
These push-buttons
allow you to control
external functions like
channel switching,
bypass and other.You
can select as many
switches as you want.
Thesepush-buttonsallowyoutoselect
the system you prefer. Connect the
outputsontherear panneltothe inputs
of your preamps and/or heads. The
MUTE push-button allows you to
tune your guitar: it is enough to
connect the TUNER output on the
rear pannel to your tuner
LOOPS
OUT TO INPUT PRE/HEAD
C B A
IN FROM PRE OUT/HEAD SEND
C B A
220V-250mAT MADE IN ITALY
IN THRU
MIDI
12V/300mA
MIDIch
A B C
SPEAKER SYSTEM
2x
16 2x
8
9Vdc(max 0,2A)
SPKR Lout FRM AMP/HEAD POWER OUT
A
mono
BL
CL
SWITCHES
3 1
OUT TO INPUT AMP/HEAD RET
C B A AUX OUT
(TUNER)
FOOT2FOOT3 FOOT1
SWITCHES
EFX5
RET SND RET SND
EFX4
2FOOT
SND=tip
RET=ring
EFX
LEFT=tip
RIGHT=ring
These jacks are stereo (SND/RET). You
can use the cables supplied with your
Matrix. These loops are for foot pedal
effects only
These jacks are stereo (LEFT/RIGHT).
You can use the cables supplied with
the Matrix . These loops are for rack
effects only.
These jacks are stereo. If you
connect the TIP you will
have N.O. function. On the
contrary if you connect the
RING you will have N.C.
function. These functions are
controlled by relé.
These jack are mono. You
can connect here 1 stereo
speaker cabinet or 2 mono
speaker cabinets. It is
importantto connect both the
jacks. Remember to select
the speaker system switch (2
x 16 Ohm or 2 x 8 Ohm).
These jacks are mono. You can use
them to send the signal of your guitar
towards the different systems. The
TUNER output is always active, so
you can use it to tune your guitar or
as a system.
These jacks are mono .You can
use them to receive the signal
coming from the SEND of your
heads, or coming from the
MAIN of your power amps.
The Ajack is mono while Band
Care stereo. You can use them to
send the signal towards the
RETURN of your head, or towards
the INPUT of your stereo amps.
Obviously the Asystem is mono
so it is for heads only.
The MIDI ch dip switch allows you
to select the receiving channel of
program change. Here are the
combinations :
A B C
OMNI off off off
2 on off off
3off on off
4 on on off
5off off on
6 on off on
7off on on
8 on on on
SPKR Rout CR
POWER INPUTS
BR
This phantom power plug
supplies9Vdc (200mAmax)
for foot pedal effects.
To MIDI store select the combinations on your
Matrix. Then select the preset number on your
footswitch. Press the push-button of the system
selected (A, B, C or MUTE) for few seconds.
The blinking will confirm you the storage.
These jacks are mono.
They switch the power
signal of your heads/amps
towards the speaker
system. Ainput is mono
while Band Care stereo.
If you use the Band C
loops with mono head
remember to connect both
the B left and B right
inputs, as if you had a
stereo head. Using 2
power cables connect your
head to the 2 inputs
(BL/BR o CL/CR).
WARNING!!! MATRIX and the total equipment used with it must be earthed to the same ground!
Defective earthing can damage MATRIX!!