
1 UniPass Installation Guide v1.2|10.2018|en
Contents
Contents.............................................................................................................................................................1
Safety Instructions.............................................................................................................................................2
1. Overview ....................................................................................................................................................3
Specifications......................................................................................................................................3
Circuit board.......................................................................................................................................4
Circuit board LEDs and jumpers .........................................................................................................4
Connector names and description .....................................................................................................5
2. Installation .................................................................................................................................................6
Cable types .........................................................................................................................................6
General installation notes ..................................................................................................................6
Mounting on wall ...............................................................................................................................6
Mounting on DIN-rail..........................................................................................................................7
Power supply connection ...................................................................................................................7
Network connection...........................................................................................................................8
PV-WM Readers connection ..............................................................................................................8
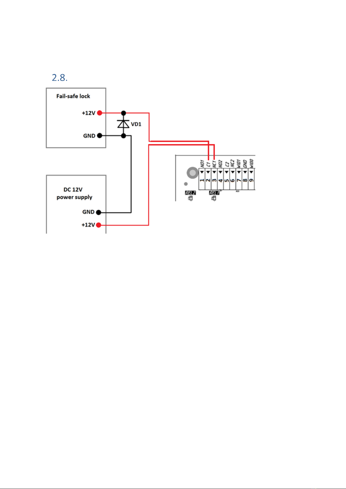
Fail-safe lock connection....................................................................................................................9
Fail-secure lock connection ..............................................................................................................10
Exit buttons and door sensors connection...................................................................................11
Wiegand connection.....................................................................................................................11