
www.babbittinternational.com Reference Manual
2020 Rev.2
LS8500 PRESENCE/ABSENCE SWITCH
1. DESCRIPTION
A. General Description
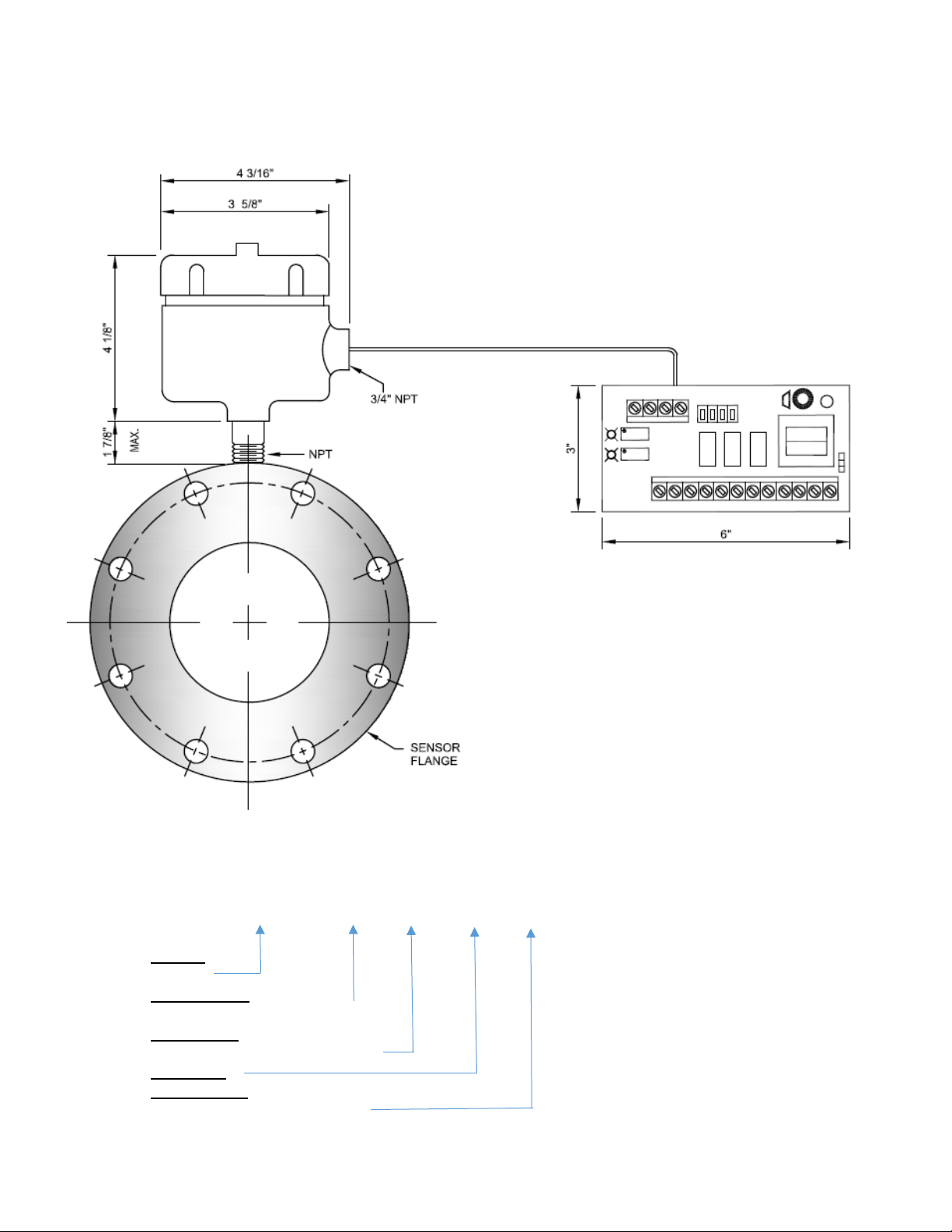
The LS8500 is a point level switch that detects the presence or absence of material in a pipe. The basic
unit is made up of a solid stainless steel flange attached to an explosion proof housing. Inside the
explosion proof housing is a transmitter that is connected to the receiver board by a twisted, shielded pair
of wires. The receiver board may be mounted up to one mile from the flange. All calibration adjustments
and indicators are at the receiver. The receiver also has the relay output and an on board fuse. The unit is
calibrated in the absence of material and an on board relay at the receiver changes state when material is
detected.
B. Specifications
Electrical
Power: 115 VAC (±15%) 50/60 Hz. 2 watts, standard.
(12 VDC, 24 VDC or 230 VAC optional)
Output: 2 Form C contacts, DPDT relay, 5 amp resistive
at 125, 250 VAC; 30 VDC
Fuse: On board, 250 mA @ 125 volts
Fail Safe: Selectable high or low level
Time Delay: Selectable: ON or OFF delay
Adjustable: 1/8 sec to 2 hrs.
RF Frequency: Approximately 1.3 MHz
Environmental
Hazardous Area: Transmitter: Housing is CSA and UL approved for Class I, Div. 1,
Groups C & D; Class II, Groups E, F & G
Receiver: Open printed circuit board can be put in
enclosure as required by application.
Temperature: Probe: -30° F to 180° F**
Electronics: -40° F to 185° F**
Pressure: Probe: 200 PSI @ 75° F**
(**Higher ranges available upon request)
Construction: Probe: All wetted parts, 316 SS Teflon (or UHWMPE) and Viton.
A Halar coating can be applied to the flange when applicable.
Transmitter: Housed in cast aluminum explosion proof enclosure
Receiver: Printed circuit board mounted on plastic track provided
with each unit.
Specifications subject to change without notice.
1