
4. Einstellungen
Play/Pause button
First short keystroke: Starting the 10 permanently stored color gradients.
Repeated short press: Pause the color gradient.
Long press of the button: The color speed is increased or slowed down.
Zone selection or sabind of 4 different scenes
These buttons can be used to select zones, long press turn the zone on / off or scenes to be
called and saved
R G B W - buttons
If you press shortly, you can switch between the individual channels.
First long press - brightness is increased, second long press - brightness is dimmed down.
Briefly press the button - channel is switched on, - or switched off.
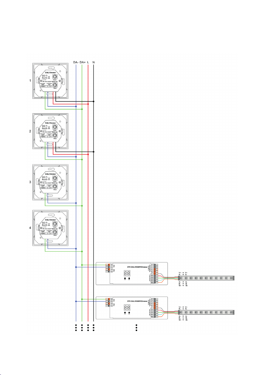
1. Assignment of the DALI - Group:
The rear rotary switch determines which DALI group and scenes are controlled or stored
by the touch panel. A total of 15 groups + 1x broadcast can be selected.
If you set the rotary switch to position „0“ at Group, the command „broadcast“ will be sent.
For positions „1“ to „F“, groups 0-14 are addressed directly. The 16th DALI Group
which is designated 15, can not be addressed directly.
Note: For a group-wise control, it is necessary to assign the DALI actors to one or more
DALI groups. The DALI Touch Panel can not perform a group assignment.
Please note the detailed group setting:
Rotary Switch
Position 0 1 2 3 4 5 6 7 8 9 A B C D E F
DALI Group
for button 1 Broadcast 0 1 2 3 4 5 6 7 8 9 10 11 12 13 14
DALI Group
for button 2 0 1 2 3 4 5 6 7 8 9 10 11 12 13 14 BC
DALI Group
for button 3 1 2 3 4 5 6 7 8 9 10 11 12 13 14 BC 0
DALI Group
for button 4 2 3 4 5 6 7 8 9 10 11 12 13 14 BC 0 1