абочее положение
ребования
ребования к прис ыковочной поверхнос и ис о а поверхнос и по плоскос нос ь 0.01/100 (ISO 1101).
емпера ура окружающей среды о -20°C до +70°C.
абочая жидкос ь идравлическое масло по DIN 51524 ... 535; для других ипов жидкос ей смо ри раздел .
екомендуемый диапазон вязкос и о 15 до 100 mm2/c при 40°C (ISO VG 15 ÷ 100).
ласс чис о ы рабочей жидкос и дос игае ся при ус ановке филь ров с онкос ью филь рации 25 мкм, рекомендуемое значение β25 ≥ 75.
емпера ура рабочей жидкос и T ≤ 80°C если T ≥ 60°C выбери е ип упло нения /.
аправление по ока оказано в условных обозначениях аблиц и .
абочее давление
оминальный расход мо ри расходно-перепадные харак ерис ики Q/∆p в разделе .
аксимальный расход 100 л/мин для ипов DKI и DKU; 80 л/мин для ипа DKOR, смо ри границы рабочих режимов в разделе.
родолжи ельнос ь включения 100%
апряжение пи ания и час о а м. пример обозначения в разделе .
ребования к с абильнос и напряжения пи ания ± 10%
ля обеспечения нормальной рабо ы при пи ании переменным оком распредели ель должен бы ь заполнен
маслом. наче могу возника ь вибрации. аполни е гидрораспредели ель маслом о крыв вин , см. рисунок
в разделах и . Обра ный клапан в гидролинии поддерживае распредели ель в заполненном сос оянии.
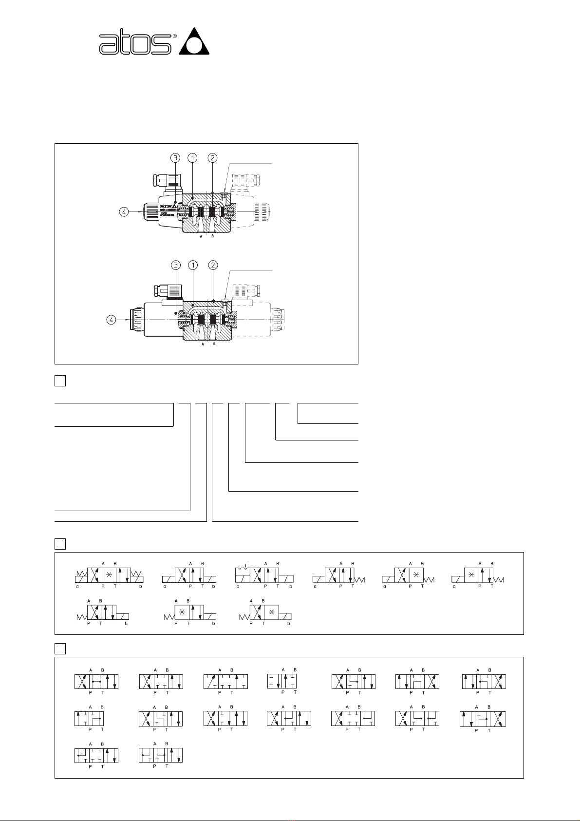
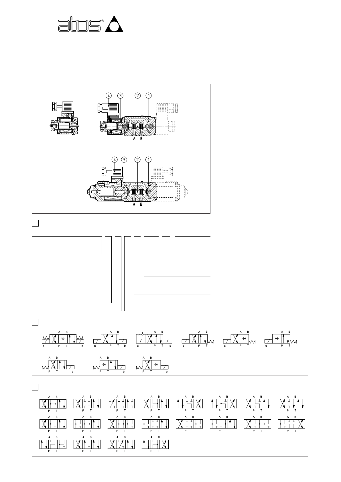
4 ОО АА А О DKI, DKU и DKOR
5 АЯ
1 ополнительные возможности
A= Элек ромагни ус ановлен со с ороны канала ( олько для распредели елей с одним элек ромагни ом). с андар ном исполнении элек ромагни
ус ановлен со с ороны канала А.
WP = ручное управление о резиновой кнопки (с андар но для ипа DKOR).
L, L1, L , L3, LR, см. раздел = ус ройс во для изменения времени переключения ( олько для ипов DKU и DKO). е комплек уе ся для
распредели елей с разъемами E-SA или E-SE. ля золо ников конфигураций 4, 4/8 и 5/1 комплек уе ся олько ус ройс вом L1.
F * = с да чиком переключения, для кон роля положения золо ника: см. абл. 110.
ип электрического разъема по DIN 43650, заказывается отдельно
SP-666 = с андар ный разъем IP-65 удобный для соединения с ис очником напряжения напрямую.
SP-667 = как и SP-666, но со вс роенным индика ором напряжения
SP-669 = со вс роенным мос ом выпрями еля для пи ания ка ушек пос оянного ока о цепи переменного. олько для ипа DHO.
E-SA = элек ронный разъем ( олько для распредели елей ипа DHI и DHU) улучшающий харак ерис ики и уменьшающий время переключения для
ка ушек пос оянного ока, пи аемых о цепи переменного.
E-SE = элек ронный разъем ( олько для распредели елей ипа DHI и DHU) улучшающий харак ерис ики и снижающий энергопо ребление для
ка ушек пос оянного ока, пи аемых о цепи пос оянного ока.
E-SR = элек ронный разъем, позволяющий переключа ь распредели ель сигналом малой мощнос и (max 20 мА).
E-SD = элек ронный разъем, снижающий элек рические помехи при выключении элек ромагни а.
римечание: с андар ные ус ройс ва для подавления помех, подобное E-SD вс роены во все E-SA, E-SE, E-SR..
3 олотники
- оло ники ипа 0/2, 1/2, 2/2 использую ся олько для двухпозиционных распредели елей: в распредели елях с одним элек ромагни ом ипа Dk*-163*/2
и в распредели елях с двумя элек ромагни ами ипа Dk*-170*/2 и Dk*-075*/2.
- золо ники ипов 0 и 3 могу пос авляю ся в исполнениях 0/1 и 3/1, при перекры ом соединении каналов с линией слива в цен ральной позиции.
- золо ники ипов 1,4 и 5 могу пос авляю ся в исполнениях 1/8, 4/8 и 5/1. оло ники э их исполнений специально спрофилированы для
предо вращения гидравлического удара во время переключения. Обра и е внимание, ч о исполнение 5/1 зеркально переверну о о носи ельно 5, см.
раздел .
- золо ники ипов 1, 3 и 1/2 могу пос авляю ся в исполнениях 1P, 3P и 1/2P для снижения у ечек в распредели еле.
- золо ники других ипов акже пос авляю ся по заказу.
10
(1) редельное о клонение о номинального
напряжения ± 10%.
(2) о заказу возможны исполнения на другие
напряжения пи ания: 28 пос . ока, 110 пос .
ока, 125 пос . ока, 220 пос . ока, 48/50/60
перем. ока.
(3) ас о а напряжения пи ания може бы ь 60 ц: в
э ом случае харак ерис ики снижаю ся на 10-15%
и энергопо ребление сос авляе 55А
(4) редние значения по данным испы аний в
нормальных гидравлических условиях и
емпера урой окружающей среды и ка ушки 20°C.
(5)
рабочем цикле, когда элек ромагни
включае ся и выключае ся в ечение 1 секунды
(1 ц), среднее энергопо ребление сос авляе 13
; для более дли ельных циклов
энергопо ребление меньше.
ри включеннии элек ромагни а ок сос авляе
9 А при 12 пос . ока и 6 А при 24 пос . ока
соо ве с венно пику по ребляемой мощнос и в
130 . Э и скачки ока для ся менее 100 мс и
должны учи ыва ься при проек ировании
элек рической цепи.
(6) ри включении элек ромагни а ок сос авляе 7 А
при 110 перем. ока и 3.5 А при 230 перем. ока;
пик по ребляемой мощнос и – 800 А; э и скачки
ока для ся менее 40 мс и должны учи ыва ься при
проек ировании элек рической цепи.
(7) ри включении элек ромагни а пик ока примерно
в 3 раза превышае номинальный. ик ока
соо ве с вуе по ребляемой мощнос и в 350 А.
(8)
ласс защи ы ; продолжи ельнос ь
включения: 100%.
ласс защи ы разъема: IP-65.
10 11
6 Э АА
оминальное ип о ребляемая од запасной ка ушки ве
аспредели ель
напряжение пи ания разъема мощнос ь (8) ярлыка
(1) (2) (4) ка ушки
DKI
и
DKU
DKI
DKOR
ООЯ
О
6 DC
12 DC
24 DC
48 DC
SP-666
or
SP-667
52 W
SP-CAU-6DC/ 80
SP-CAU-12DC /80
SP-CAU-24DC /80
SP-CAU-48DC /80
коричневый
зеленый
красный
серебрис ый
коричневый
зеленый
красный
серебрис ый
золо ис ый
blue
жел ый
белый
голубой
серебрис ый
12 DC
24 DC
110/50 AC
120/60 AC
230/50 AC
230/60 AC
110/50 AC
120/60 AC
230/50 AC
230/60 AC
E-SE
E-SA
SP-669
SP-666
or
SP-667
SP-666
or
SP-667
SP-669
13 W (5)
105 VA (6)
95 VA (6)
105 VA (6)
95 VA (6)
58 VA
53 VA
58 VA
53 VA
110 VA (7)
40 W
46 W
46 VA
42 VA
46 VA
42 VA
–
–
–
–
–
–
–
–
–
–
–
–
–
–
–
–
SP-CAU-6DC /80
SP-CAU-12DC /80
SP-CAU-24DC /80
SP-CAU-48DC /80
SP-CAU-110RC /80
SP-CAU-230RC /80
SP-CAI-110/50/60AC /80
SP-CAI-120/60AC /80
SP-CAI-230/50/60 AC /80
SP-CAI-230/60AC /80
О
О
ООЯ
О
О
110/50 AC (3)
120/60 AC
230/50 AC (3)
230/60 AC
12 DC
24 DC
110 DC
220 DC
110/50 AC
120/60 AC
230/50 AC
230/60 AC
юбое положение в прос ранс ве для всех ипов кроме исполнения 170* (без пружин) в э ом случае золо ник
должен находи ся в горизон альной плоскос и, если распредели ель управляе ся импульсным сигналом.
аналы , А, : 315 а м.
анал объединен с Y: 120 а м для ипа DKI; 160 а м для DKU и 210 а м для DKOR
сли канал Y соединен со сливом давление в канале допускае ся до 315 а м
ля исполнений с да чиками переключения (/FI/NC и /FI/NO) канал Y должен бы ь соединен со сливом.