
AT7910E [DATASHEET]
7796G AERO 02/13
Table of Contents
1. Functional Description........................................................................4
1.1 SpaceWire Ports...............................................................................................5
1.2 External Ports....................................................................................................5
1.3 Configuration Port.............................................................................................5
1.4 Routing table.....................................................................................................5
1.5 Routing control logic and crossbar....................................................................6
1.6 Time Code Processing......................................................................................6
1.7 Control/Status Registers...................................................................................6
2. Typical Applications ...........................................................................7
2.1 Stand-alone router ............................................................................................7
2.2 Node interface...................................................................................................7
2.3 Embedded router ..............................................................................................8
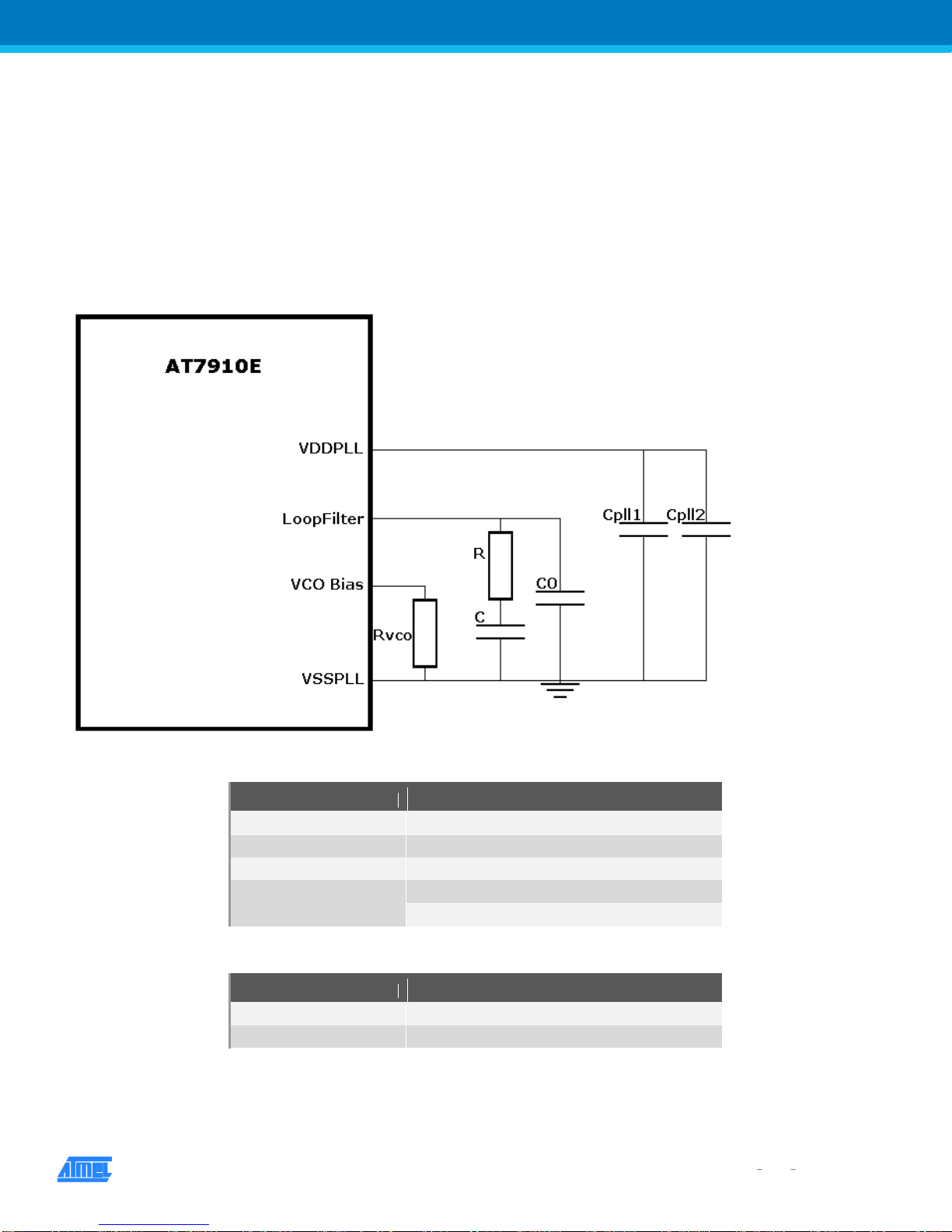
3. PLL Filter ...........................................................................................9
4. LVDS Interface.................................................................................10
4.2 AT7910E Limitation.........................................................................................10
4.3 AT7910E Compatibility with LVDS receiver Standards...................................11
5. Package Information........................................................................12
5.1 Package Outline..............................................................................................12
5.1.1 MQFPF 196......................................................................................12
5.2 Pin Description................................................................................................14
5.3 Electrical Characteristics.................................................................................16
5.4 Absolute Maximum Ratings ............................................................................16
5.5 DC Electrical Characteristics...........................................................................16
5.6 Power consumption.........................................................................................16
5.7 AC Electrical Characteristics...........................................................................17
6. Ordering Information........................................................................19
6.1 AT7910E Ordering Codes...............................................................................19
7. Revision History...............................................................................20