
GENERATOR START CONTROL MODULE - MINI (2 Wire to 3 Wire) GSCM-MINI-D
ATKINSON ELECTRONICS, INC. REV 07/08
Web Site: www.atkinsonelectronics.com Distributed by:
FEATURES & APPLICATIONS
vv Inexpensive 2 wire to 3 wire start controller for
electric start 3 wire DIESEL & Gas generators.
vv Optimized for use with Outback Invertors.
vv Supports three types of 3 wire generator control
(momentary, maintained, ignition).
vv Fixed Crank time, Over and Under Hz shutdown,
and optional battery charging thresholds.
vv Maximum Auto-start Run Time Limit (6 hours)
vv Remote Run and Fault indication included.
vv Totally sealed for harsh environment operation
DESCRIPTION
TheGSCM-mini-D is a micro-processor based generator
start-stop module, designed to auto start-stop high speed gas
and diesel generators needing a 3 wire connection from a 2
wire12 volt manual start command. It automatically
disconnects the starter when a minimum generator AC Hz.
output is measured, it can monitor the generator’s output,
shutting it down if either an over or under Hz condition is
detected. LEDs are flashed to indicate the cause of the
shutdown. Manually resetting the GSCM-mini-d (by removing
the power), removes the lockout and allows the generator to
restart if called to do so. The GSCM-mini-D is powered by
12VDC from the generator battery, and can monitor the battery
voltage and start the generator to charge it’s own battery. All
Thresholds are fixed. The GSCM-mini-D is a limited function
controller, part of the GSCM family. If adjustability is required
use the GSCM full function Generator Start Control Module.
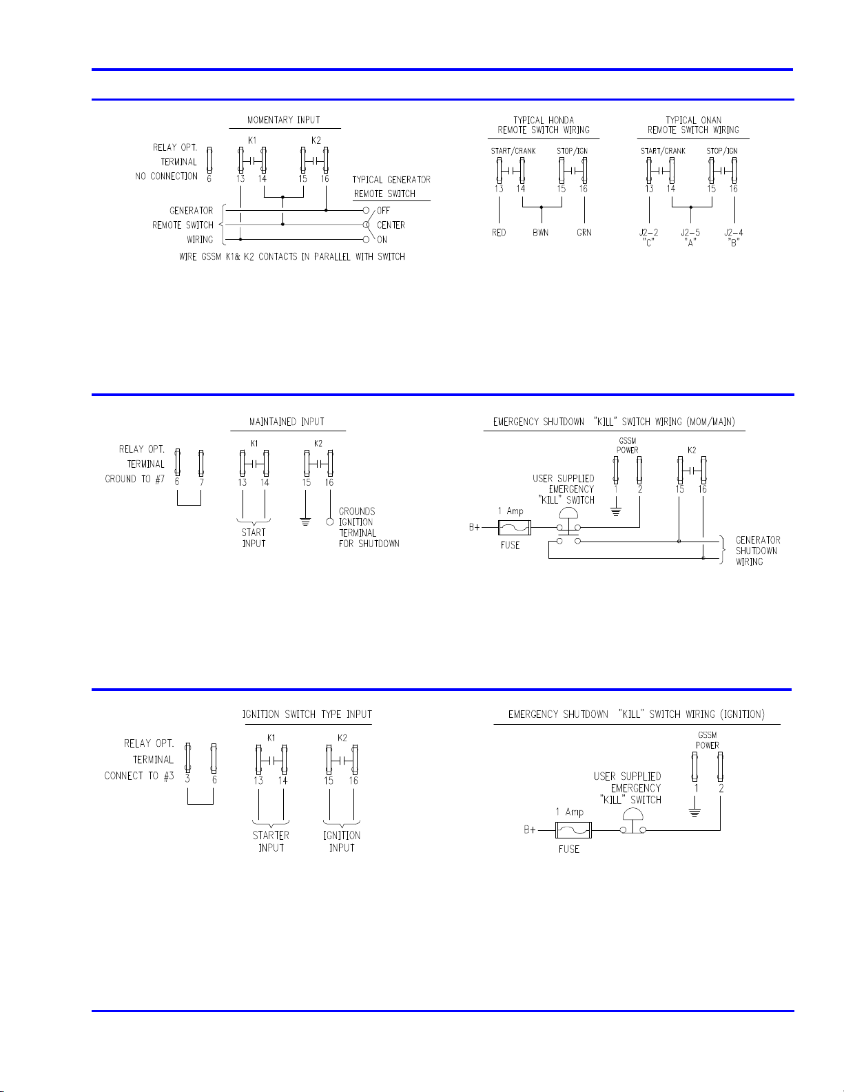
THREE MODES OF RELAY OPERATION
The GSCM-mini-D’s two relay contacts can be configured for
three types of three wire start/stop hook-up configurations;
momentary, maintained and Ignition for Hondas, Onans,
Yamahas,and other brands of generators. This is
accomplished with an optional jumper on terminal 6.
Momentary Start Contact Option #1, terminal 6, has No
Connection. The GSCM-mini-D defaults to a momentary crank battery systems. If adjustability is required then use the GSCM
operation for those generators that use two momentary push
button switches to start and stop the generator. K2 energizes
for 10 seconds for diesel glow plug operation then, K1 cranks
theStarter. On shutdown, K2 momentarily grounds the
magneto. See Section 1 for operation description.
Maintained Start Contact Option #2, terminal 6, is
grounded. The GSCM-mini-D changes to a maintained start
operation for generators that use a maintained closed contact
to start (K1). The generator is stopped by opening K1 and
closing K2 contact, momentarily grounding the magneto. See
Section 2 for operation description.
Ignition Key Switch Start Contact Option #3, terminal 6, is
connected to B+ (12VDC). The GSCM-mini-D simulates an
automobile ignition switch, K2 closes, maintains a closed
ignition contact for the generator to run and K1 closes
momentarily to crank the starter motor. and de-energizes
when the start signal is removed. The K1 relay operates in a
momentary crank configuration. See section 3 for operation
description.
LED INDICATION DESCRIPTION
TheGSCM-mini-D has six indication LEDs. The Start LED,
blinks every 5 seconds to indicate ready for a start signal, blinks
every 2.5 sec. to indicate running in Auto Start mode, ‘On’
continuously indicates running in Manual Start mode.
The Generator Hz LED, blinks to indicate over/under Hz Fault
and Start Failure do to Maximum crank attempted. A slow blink
indicates an under Hz condition, a fast blink indicates an over Hz
condition. ‘On’ continuously indicates AC present in a non run
condition. A double blink indicates a start failure condition. The
Run LED, ‘On’ continuously indicates a valid Run signal from the
generator. The Fault LED,‘On’ indicates a Fault condition has
occurred and GSCM is in lockout and must be reset. The K1
and K2 LEDs indicate the relay status.
OPERATIONAL THRESHOLDS
The GSCM-mini-D has fixed operational thresholds. Those are:
Crank delay, Maximum Crank time, Crank Hz. Disconnect,
Under Speed Shutdown, Over Speed Shutdown, Max auto start
run time, and auto detects the Battery voltage to determine the
auto start and auto stop threshold values for 12V, 24V, and 48V
full function control module.
Crank delay: 5 seconds
Maximum Crank: 20 seconds
Crank Disconnect: 45Hz
Under Speed Shutdown: 55Hz
Over Speed Shutdown: 65Hz
Max Auto Start Run time: 6Hours
Auto Start/Stop
Thresholds: Start Stop
12V system 11.5V 13.8V Standard
24V system 23.0V 27.6V Call for option
48V system 46.0V 55.2V Call for option
Relay Configuration: Open input = Momentary Crank
(TERMINAL 6) Grounded input = Maintained Crank
B+ (12VDC) input = Ignition & Crank
Fault Detection: Start Failure, (3 attempts)
Over Hz condition (10 seconds)
Under Hz condition (10 seconds)
Max Run time Auto restart within 30m
Generator stops due to its own fault condition