
1
Ordercode: A9915060/A9915061
Table of contents
Warning ...............................................................................................................................................................................2
Safety Instructions .........................................................................................................................................................2
Operating Determinations ..........................................................................................................................................4
Connection with the mains.........................................................................................................................................4
Return Procedure..........................................................................................................................................................5
Claims..............................................................................................................................................................................5
Description of the device.................................................................................................................................................6
Optional accessories....................................................................................................................................................6
Frontside..........................................................................................................................................................................7
Backside .........................................................................................................................................................................7
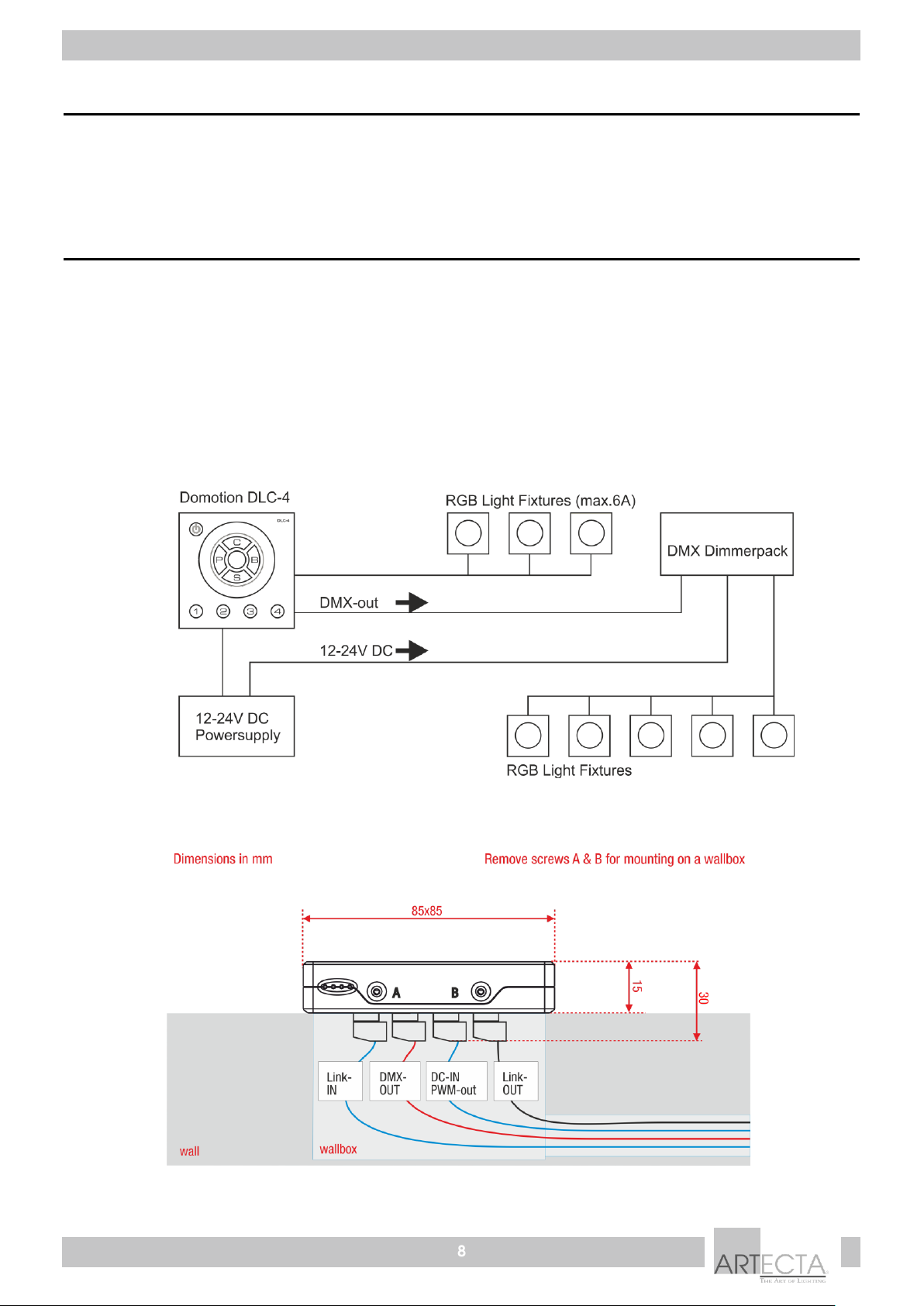
Installation...........................................................................................................................................................................8
Set Up and Operation .......................................................................................................................................................8
Setup example ..............................................................................................................................................................8
1. Power function .......................................................................................................................................................9
1.1 Shortcut power function ....................................................................................................................................9
1.2 Fadetime power function ..................................................................................................................................9
2. Built-in program ......................................................................................................................................................9
3. Brightness .................................................................................................................................................................9
4. Speed .....................................................................................................................................................................10
5. Color .......................................................................................................................................................................10
5.1 Choose color ......................................................................................................................................................10
5.2 Save color ...........................................................................................................................................................10
5.3 Playback color ...................................................................................................................................................10
5.4 Fade time color change ..................................................................................................................................10
6. Scene .....................................................................................................................................................................11
6.1 Save scene .........................................................................................................................................................11
6.2 Playback scene .................................................................................................................................................11
6.3 Lock/unlock ........................................................................................................................................................11
7. Button click............................................................................................................................................................11
8. Default settings .....................................................................................................................................................11
9. Multiple devices ...................................................................................................................................................11
Maintenance....................................................................................................................................................................12
Troubleshooting ...............................................................................................................................................................12
No Reaction fixture.....................................................................................................................................................12
No Response to DMX..................................................................................................................................................12
Product Specifications....................................................................................................................................................14
Dimensions........................................................................................................................................................................14