
KITS SISTEMA DE INTERCOMUNICACIÓN
KITS SYSTEM WITH INTERNAL COMMUNICATION
KITS SYSTÈME AVEC INTERCOMMUNICATION
PORTERO ELECTRÓNICO - DOOR ENTRY SYSTEMS - PORTIER ÉLECTRONIQUE
ÍNDICE
ELEMENTOS Y DIMENSIONES ..................................................................................................................................................2
FUNCIONAMIENTO GENERAL DEL SISTEMA DE INTERCOMUNICACIÓN...................................................................................3
INSTALACIÓN BÁSICA EN VIVIENDA UNIFAMILIAR...................................................................................................................5
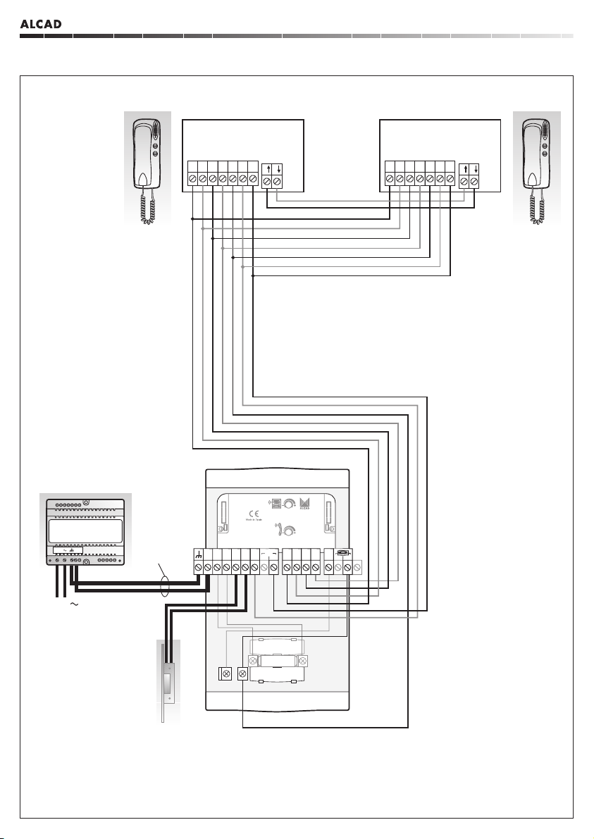
INSTALACIÓN BÁSICA EN VIVIENDA BIFAMILIAR. INTERCOMUNICACIÓN ENTRE VIVIENDAS...................................................7
INSTALACIÓN EN VIVIENDA BIFAMILIAR. INTERCOMUNICACIÓN EN CADA VIVIENDA (KIT + 2 TELÉFONOS ...........................9
INSTALACIÓN DE ELEMENTOS ADICIONALES.........................................................................................................................11
INSTRUCCIONES DE INSTALACIÓN ........................................................................................................................................12
INSTRUCCIONES DE AJUSTE...................................................................................................................................................17
CARACTERÍSTICAS TÉCNICAS.................................................................................................................................................18
VERIFICACIÓN DE LA INSTALACIÓN.......................................................................................................................................20
INDEX
ELEMENTS AND DIMENSIONS..................................................................................................................................................2
GENERAL OPERATION OF THE DOOR ENTRY SYSTEM WITH INTERNAL COMMUNICATION.......................................................3
STANDARD INSTALLATION IN DETACHED HOUSE.....................................................................................................................5
STANDARD INSTALLATION IN SEMI-DETACHED HOUSE. INTERNAL COMMUNICATION BETWEEN DWELLINGS .........................7
INSTALLATION IN SEMI-DETACHED HOUSE. INTERNAL COMMUNICATION IN EACH DWELLING (KIT + 2 TELEPHONES).............
INSTALLATION OF ADDITIONAL ELEMENTS.............................................................................................................................11
INSTALLING INSTRUCTIONS ...................................................................................................................................................12
ADJUSTMENT INSTRUCTIONS.................................................................................................................................................17
TECHNICAL CHARACTERISTICS...............................................................................................................................................18
TROUBLE SHOOTING .............................................................................................................................................................21
SOMMAIRE
ELÉMENTS ET MESURES............................................................................................................................................................2
FONCTIONNEMENT GÉNÉRAL DU SYSTÈME DE PORTIER AVEC INTERCOMMUNICATION ........................................................3
INSTALLATION BASIQUE EN LOGEMENT MONO-FAMILIAL .......................................................................................................5
INSTALLATION BASIQUE EN LOGEMENT BI-FAMILLE. INTERCOMMUNICATION ENTRE LOGEMENTS..........................................7
INSTALLATION DANS UN LOGEMENT BI-FAMILLE. INTERCOMMUNICATION DANS CHAQUE LOGEMENT (KIT+2 TÉLÉPHONES ......9
INSTALLATION DÉLÉMENTS ADDITIONNELS............................................................................................................................11
INSTRUCTIONS D'INSTALLATION ............................................................................................................................................12
INSTRUCTION DE RÉGLAGE ...................................................................................................................................................17
CARACTÉRISTIQUES TECHNIQUES..........................................................................................................................................18
VERIFICATION DE LINSTALLATION..........................................................................................................................................22
GRF-202 TIN-022 TIN-024 ALA-020
PLACA DE CALLE
ENTRANCE PANEL
PLAQUE DE RUE TELÉFONO
TELEPHONE
TÉLÉPHONE