
3 (44)
Installation manual Remotus Jupiter FSK16 Version: A0 Document-ID: 959125-000 EN Author: SH
Table of Contents
1 Introduction ________________________________________________________________5
2 Scope ____________________________________________________________________5
3 Use of warnings and notes in this manual _______________________________________6
4 Warnings regarding installation and maintenance work____________________________6
______________________________________________________________7
6 Functional Description _______________________________________________________8
6.1 Design ___________________________________________________________________________ 8
6.2 Functional Diagram __________________________________________________________________ 8
7 Installation _________________________________________________________________9
7.1 Mechanical installation _______________________________________________________________ 9
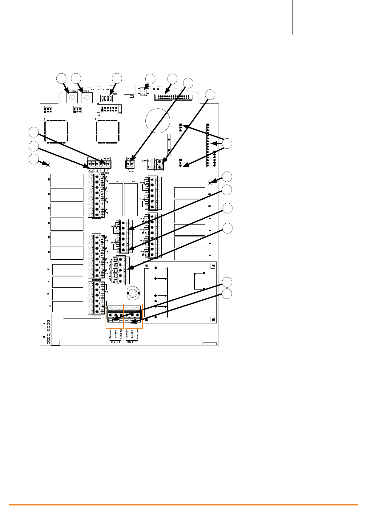
7.2 Connections and switches on the MAIN board ____________________________________________ 10
7.3 Cable installation___________________________________________________________________ 11
7.3.1 Functional diagram / Program Option ____________________________________________________________12
7.3.2 Principle connection of the Main contactors _______________________________________________________12
7.3.3 AC supply__________________________________________________________________________________13
7.3.4 DC supply _________________________________________________________________________________13
7.3.5 Digital inputs, RX161 _________________________________________________________________________13
7.3.6 Analogue input, RX161 _______________________________________________________________________13
7.3.7 RS422/485, RX161 __________________________________________________________________________13
7.3.8 Connection cable ____________________________________________________________________________13
7.4 Antenna placement _________________________________________________________________ 14
7.4.1 In case of external antenna placement ___________________________________________________________14
7.5 Expansion board for RX161 __________________________________________________________ 15
7.5.1 Installation _________________________________________________________________________________15
______________________________________________16
8.1 CongurationEra4/6/8B,10BD _______________________________________________________ 16
8.1.1 Shutdown Time of the Transmitter _______________________________________________________________16
8.1.2 PIN-codeCongurationoftheTransmitter_________________________________________________________17
8.1.3 Radio Frequency Setting in the Transmitter________________________________________________________17
8.1.4 433 MHz___________________________________________________________________________________18
8.1.5 AdjustmentofthePushButtonsRemainingandMomentaryFunctions __________________________________20
8.1.6 Radio communication power ___________________________________________________________________20
8.1.7 Remotetype(onlyEra8B&10BD) ______________________________________________________________21
8.1.8 Heavy weight PIN code _______________________________________________________________________22
8.1.9 System info ________________________________________________________________________________22
8.2 CongurationEra100 _______________________________________________________________ 23
8.2.1 EnterCongurationmenu _____________________________________________________________________23
8.2.2 Menunavigation(advancedconguration) ________________________________________________________23
8.2.3 Menu pages ________________________________________________________________________________24
8.2.4 Exit / Save _________________________________________________________________________________24
9 Commissioning ____________________________________________________________25
9.1 Frequency setting __________________________________________________________________ 25
9.1.1 Indication of radio channel quality in Receiver______________________________________________________25
9.2 Program Selection__________________________________________________________________ 25
9.3 Multi-crane and Multi-operator Operation ________________________________________________ 25
9.4 Pairing of transmitter and receiver _____________________________________________________ 26
9.4.1 Pairing indications ___________________________________________________________________________26
9.4.2 Pairing single system _________________________________________________________________________27
9.5 Micro(slowspeed)Operation _________________________________________________________ 27
9.6 CIM Card_________________________________________________________________________ 28
9.6.1 Removing/MountingCIMCardEra4/6/8B_________________________________________________________28
9.6.2 Removing/MountingCIMCard10BD_____________________________________________________________28
9.6.3 Removing/Mounting CIM Card Era 100 ___________________________________________________________29