
3
4) Instalación y prueba:
El motor electrónico de persiana enrollable ECR (300-1000) se produce como estándar para instalación en el lado derecho
(visto desde el interior). Si desea instalar en el lado izquierdo, es necesario aojar cuatro tornillos en la carcasa del freno. Esto
le permitirá girar la carcasa 180º y luego volver a apretar los tornillos.
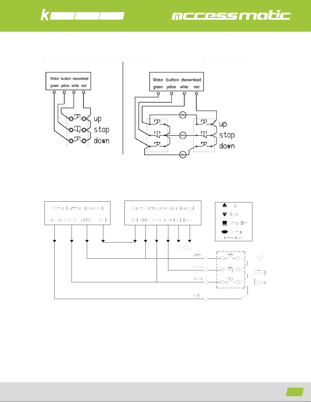
Nota: Las líneas blanca y verde de los interruptores deben cambiar de posición.
El tablero de soporte de la rueda de cadena se puede instalar horizontalmente, según la situación especíca, como se mues-
tra en la Fig.3, o se puede jar dentro de un rango de 0-45 grados. Cuando la tabla de soporte no está instalada horizontal-
mente, la carcasa del freno debe girarse de manera que la cadena de tracción manual tipo bucle pueda colocarse vertical-
mente de manera normal.
Nota: Se debe prestar especial atención a la unión de la carcasa y la tapa superior del motor. Cuando esté seguro de que no
hay espacio, apriete los pernos (en diagonal). Si existe un espacio y se permite, la eciencia de frenado podría verse afectada.
No se debe violar el orden de las fases para los motores trifásicos. Cuando el aumento se vuelve negativo, los motores deben
detenerse inmediatamente para reajustar el orden de las fases. Si se utiliza una fuente de alimentación provisional para la
prueba; Se debe prestar atención a conectar en la secuencia correcta cuando se introduce la fuente de alimentación normal.
El enfoque de operación correcto es el siguiente: cuando se presiona el botón de subida en la línea blanca, el motor debe
girar en sentido antihorario, permitiendo que funcione el dispositivo de limitación de posición. Consulte la Fig. 1 para obte-
ner más detalles. De lo contrario, la puerta del obturador quedaría fuera de control y se dañaría.
Pruebas
Modelo de pieza deslizante que limita la posición del tapón de rosca (Figura 1)
Aoje el perno de bloqueo (n. ° 3) del limitador de posición antes de realizar la prueba y luego tire de la cadena manual para
levantar la puerta 1 metro por encima del piso. Presione el botón "arriba", "detener" y "abajo", observe estas funciones del
funcionamiento de la persiana enrollable para ver si son correctas. Una vez que haya conrmado que la puerta está funcio-
nando bien, abra la puerta hacia arriba o hacia abajo hasta la posición que desee, gire la pieza deslizante del limitador de
posición (No 6) hasta que toque el interruptor de desplazamiento (No 2) y escuche ' tictac '. Atornille el Perno de bloqueo (No
3) y repita la prueba hasta que el limitador esté en la mejor posición. Finalmente, vuelva a atornillar el perno de bloqueo.
Modelo de placa de limitación de posición de la tuerca del tornillo de la forma del engranaje (Figura 2)
Aoje los dos pernos de bloqueo (No 3) del limitador de posición, antes de realizar la prueba. Sostenga la placa del limitador
de posición central (No 6) con los dedos, empújela 4 mm hacia el lado izquierdo y extraiga el tornillo 4 mm. La placa de
limitación de posición se separará ahora del tornillo de forma de engranaje. Gire la tuerca del tornillo de la forma del engra-
naje (No 5) para establecer la posición de la puerta, el método es el mismo que el anterior. Después de establecer la posición
de la puerta, sostenga el medio de la placa de limitación de posición (No 6) y empújela hacia arriba para hacer que la placa
de limitación de posición inja un juego de engranajes.
Opening your lifeOpening your life
Hul 450 750 950