ABACOM Technologies TX-FM Manual de usuario

ABACOM Technologies
•• 32 Blair Athol Crescent •Etobicoke •ON •M9A 1X5 •Canada •Tel +416-236-3858 •Fax +416-236-8866 •1
TX-FM AUDIO Transmitter Module
The TX-FM audio transmitter module is designed for use with the RX FM AUDIO receiver module and is
typically suited to applications such as Hi-Fi quality audio transmission, radio call alert, two way radio,
security, remote control (DTMF) systems and analog telemetry .
Technical Features
• High-reliability SIL thick-film hybrid circuit
• Carrier frequency : 433.75MHz ± 100KHz
• SAW resonator stability
• FM modulation with ∆fMAX = ± 75KHz
• Modulation sensitivity : 100 mVp-p for ∆fMAX
• Audio bandwidth : 20Hz to 30KHz
• Supply : +12V ± 10%
• 15mA consumption with TX enabled
• Zero consumption with TX disabled (pin 2 = 0V)
• LF input impedance : 10KΩ
• RF output impedance : 50Ω
• LF output power with 50Ωload : 10 mW (10dBm)
• Switch-on time less than 100µs
• TX enable with TTL or CMOS logic
• Possible insertion of a pre-emphasis network for improved S/N and AF frequency response
• Dimensions : 40.6 x 19 x 3.5 mm.
• ETS 300 220 compatible.
• Pin pitch 2.54 mm

ABACOM Technologies
•• 32 Blair Athol Crescent •Etobicoke •ON •M9A 1X5 •Canada •Tel +416-236-3858 •Fax +416-236-8866 •2
Block Diagram and Pin-Out
1) +12V
2) TX enable (5 to 12V)
3) Ground
4) Input 1 (LF)
5) Ground
6) Output 1 (LF)
7) Input 2 (LF)
9) Ground
13) Ground
15) RF output
16) Ground
LF Section and Modulator
The Low Frequency section consists of two AC-coupled amplifiers with voltage gains of: AMP 1 = 20 and
AMP 2 = 5 and have a LF bandwidth of 20 Hz to 30KHz.
The FM modulator is an oscillator stabilized by means a SAW resonator and modulated by a varicap
diode. This can be driven by a signal having a maximum peak-to-peak voltage (Vpp) of 10V and, therefore,
the maximum Vppthat can be input to the AMP 2 (pin 7) is 10V/ 5 = 2V.
In a configuration where the two stages, AMP 1 and AMP 2, are directly connected to each other (by short-
circuiting pin 6 with pin 7) in order to amplify the LF input signal as much as possible, the max Vpp that
may be applied to pin 4 is 10V: (5 x 20) = 100 mV.
Pre-emphasis Network
In order to improve the signal-to-noise ratio and the dynamics of the demodulated signal (see RX-FM
AUDIO application note) it's advisable to fit a pre-emphasis network in between the 1st and 2ndLF amplifier
stages.
The pre-emphasis network shown above, lowers the bass tones by about 6 times with respect to the
trebles, makes the FM modulation index approximately constant over all the audio bandwidth and
increases the available dynamics for the bass tones.
Even if the pre-emphasis network is used, the max Vpp that can be input to pin 4 remains 100 mV.
TX-Enable
Pin 2 makes it possible to enable or disable the FM transmitter simply by interfacing it with TTL or CMOS
logic families supplying output logic levels of 0 to 5V and 0 to 12V respectively
To ensure the FM transmitter module switchoff, the low level driving signal on pin 2 should be a 0V logic
level of below 0.5V
The maximum Off/On switching-time is about 100µs.
RF Output
Three types of integral antenna are recommended for use with our RF modules and are descibed as
follows:-

ABACOM Technologies
•• 32 Blair Athol Crescent •Etobicoke •ON •M9A 1X5 •Canada •Tel +416-236-3858 •Fax +416-236-8866 •3
A) Helical, fig. 4a: Wire coil, connected directly the antenna pin of the particular module and open circuit
at the other end. This antenna is very efficient given its small size (20mm x 4mm dia). The helical is a high
Q antenna, trimming the wire length or expanding the coil may be performed for optimum results. The
helical de-tunes badly with proximity to other conductive objects.
B) Loop, fig. 4b: A loop of PCB track tuned by a fixed or variable capacitor to ground at the ‘hot’ end and
fed from the antenna pin at a point 15 to 25% from the ground end. Loops have high immunity to proximity
de-tuning.
C) Whip, fig. 4c: This is a wire, rod, PCB track or combination connected directly the antenna pin of the
RF module. Optimum total length is 17cm (1/4 wave at 418 MHz) or 16.5cm (1/4 wave at 433.92MHz).
Keep the open circuit (hot) end well away from metal components to prevent serious de-tuning. Whips are
ground plane sensitive and will benefit from internal 1/4 wave earthen radial if the product is small and
plastic cased.
Antenna selection chart:
ABC
Helical Loop Whip
Ultimate performance ** * ***
Ease of design setup ** * ***
Size *** ** *
Immunity to proximity effects ** *** *
Fig 4.
The antenna choice and position directly controls the system range. Keep it clear (particularly the ‘hot’ end)
of other metal in the system particularly large ones like transformers, batteries and PCB tracks/ground
plane. The space around the antenna is as important as the antenna itself.,. The best position by far, is
sticking out the top of the product. This is often not desirable for practical/ergonomic reasons and a
compromise may be necessary.

ABACOM Technologies
•• 32 Blair Athol Crescent •Etobicoke •ON •M9A 1X5 •Canada •Tel +416-236-3858 •Fax +416-236-8866 •4
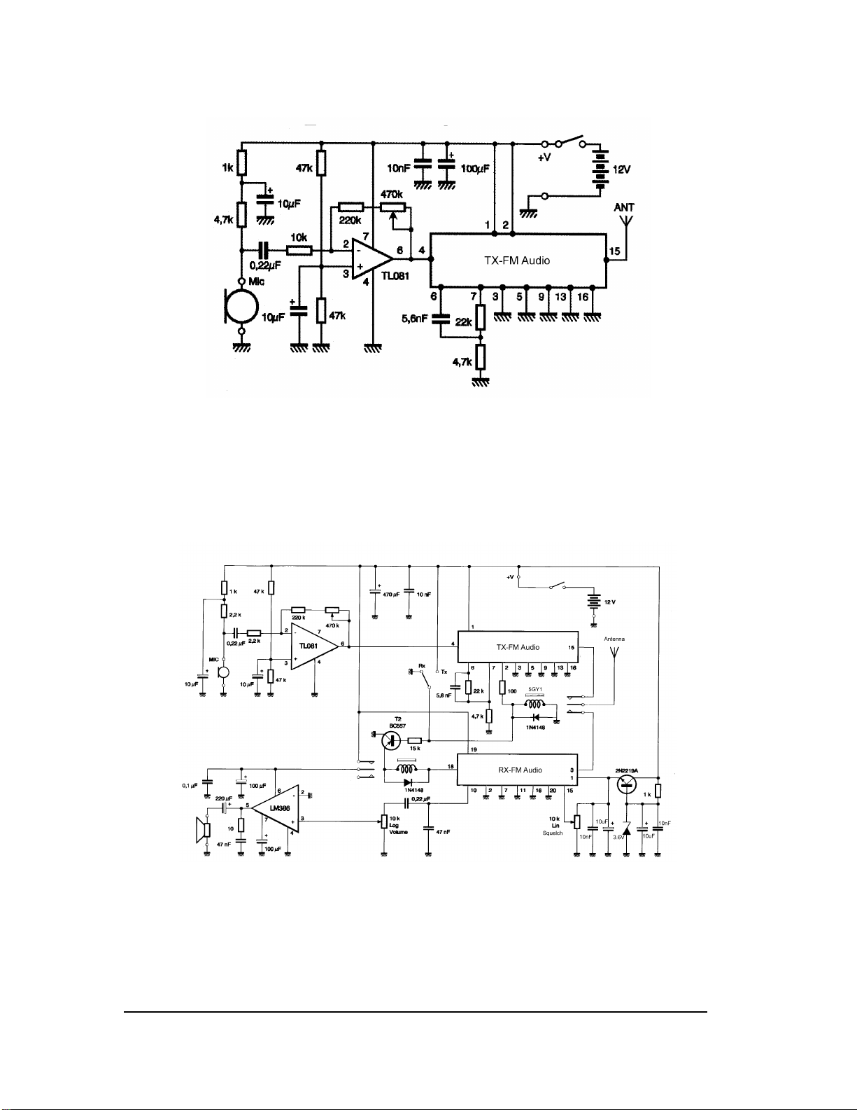
Application Schematics
A/
The above schematic shows the TX-FM AUDIO module interfaced with a condensor microphone and
preamplifier circuit. This is suitable for implementation with the companion RX-FM AUDIO receiver module
to produce a wireless microphone system. (See RX-FM AUDIO application note for the receiver portion of
this application)
B/
The schematic diagram above provides an application example using the RX-FM AUDIO receiver module
together with the companion TX-FM AUDIO and interfacing components to make up a half duplex two-way
radio or ‘walkie talkie’.
End of app. note -Rev. 06/99- Information contained herein is provided in good faith. ABACOM Technologies will not be held
responsible for any errors or omissions the may be resultant in this document.
Tabla de contenidos
Manuales populares de Transmisor de otras marcas

Dejero
Dejero EnGo 3x Manual de usuario

Rosemount
Rosemount 4600 Manual de usuario

Speaka Professional
Speaka Professional 2342740 Manual de usuario

trubomat
trubomat GAB 1000 Manual de usuario

Teledyne Analytical Instruments
Teledyne Analytical Instruments LXT-380 Manual de usuario

Rondish
Rondish UT-11 Manual de usuario











