
ASM01883
PT-Link II LON-3®
Installation Sheet
PT-Link II LON-3®Overview
The PT-Link II LON-3®, provides bi-directional communication between
ONE* of the following types of Orion controllers—VCCX2, VCC-X,
VCB-X, VCM-X, SA, VCM, MUA II, or VAV/CAV:
VCCX2 Controller (SS1088)
VCC-X Controller (SS1079)
VCB-X Controller (SS1051)
VCM-X Controller (SS1026, SS1030, SS1032, SS1033,
SS1034, Y200920)
SA Controller (Y200921)
VCM Controller (SS1016, Y200409, Y200616, Y200822)
VAV/CAV Controller (SS1003, Y200301) and
MUA II Controller (SS1004, Y200405)
To determine what controller you have, you must look at the software
label located on the controller. NOTE: The label is located on the
EPROM on older devices. If the controller label does not match any of
the SS or Y numbers listed above, your controller will not work with
the PT-Link II LON®.
*NOTE: The PT-Link II LON®device can be used to connect to
only one Orion controller. If more than one Orion control-
ler is present in a system, each one will require a PT-Link
II LON®device for integration with a LON®protocol
network.
Data Sharing and Scheduling
• Provides values from points on the Orion side of the
gateway to LON®devices as if the values were
originating from LON®objects.
• Allows LON®devices to modify point values on the
Orion controller side of the PT-Link II LON®by using
standard LON®write services.
Includes: PT-Link II LON-3®Controller, 10 Foot CAT5e Crossover Cable,
(3) Self-drilling 8 x 1” Hex Head Screws, PT-Link II Flash Drive
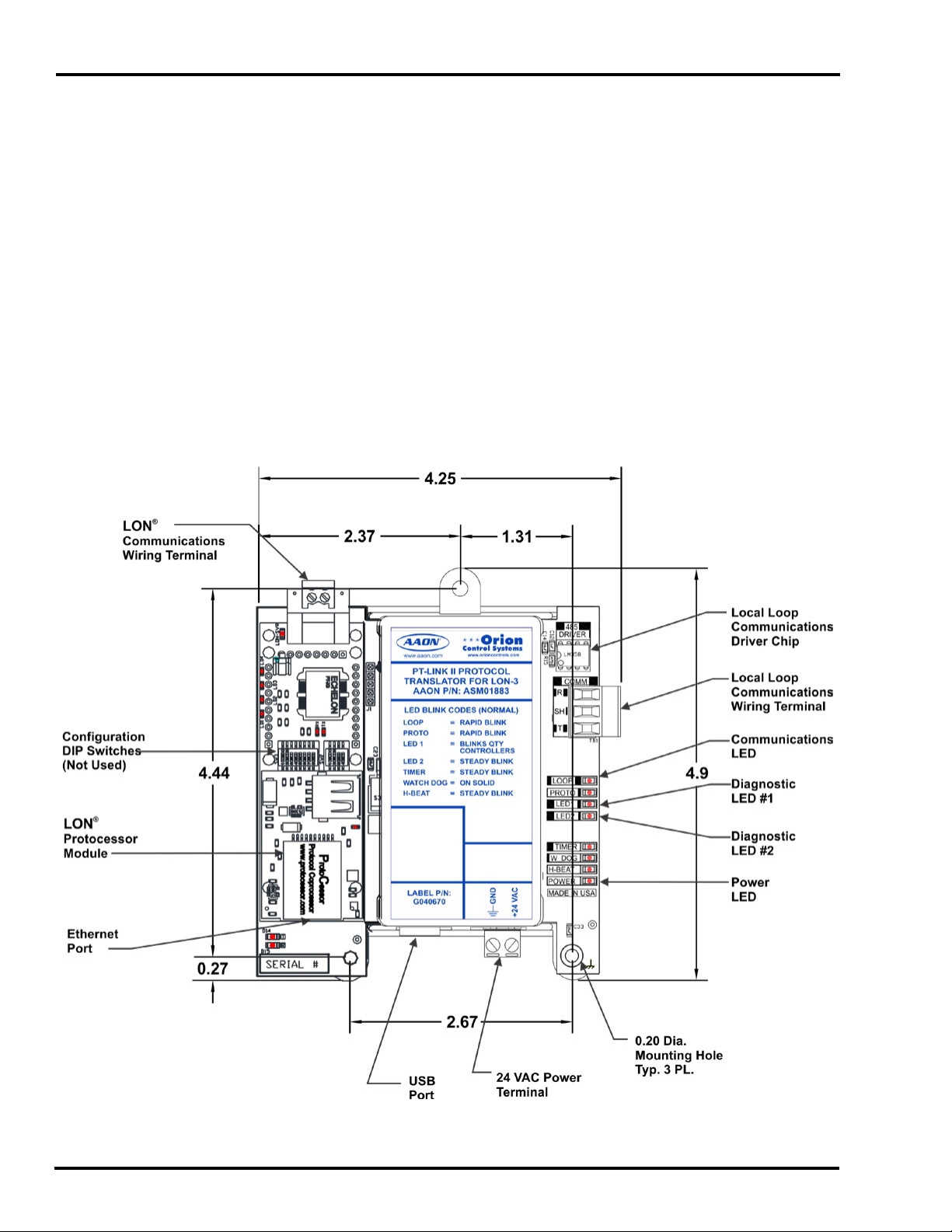
Technical Data
LON®Loop TP/FT-10 (78 Kps)
Orion Controller Loop RS-485, 9600 Baud Rate
Network Protocol LONWorks®
Orion Controls Protocol
Communications
HSI Open Protocol Token Passing
Power Input Voltage 18-30 VAC
Power Consumption 10 VA Maximum
Operating Temp -30°F to 150°F
Operating Humidity 0-95% RH Non-Condensing
Weight 4.7 oz.
Table 1: PT-Link II LON-3®Technical Data
System Requirements
• Computer running Microsoft®Windows®10
operating system.
• Ethernet Crossover Cable (supplied).
• PT-Link LON®and RUINET software—
includedonashdriveandalsodownloadable
from www.aaon.com/controlstechsupport
• Prism 2 software—downloadable from
www.aaon.com/prism
Hardware Specications
The PT-Link II LON-3 Technical Guide
is located on the included ash drive
and can also be downloaded from www.
aaon.com/PTLink