
2
SAFETY
• Always follow this Manual for your safety and to prevent damage to the product.
• Do not connect more than one load to a single power outlet at a time. Risk of overheating
the wiring or re!
• Do not connect or interface this device with incompatible products. Otherwise there is a risk
of an electrical short circuit, resulting in damage to this product.
• Protect the display main board and screen from deformation by any stress. Do not apply
heavy loads. Otherwise there is a risk of re.
• Do not clean the display screen or housing with water or detergents. Risk of damage
to the display housing and/or screen, electrical short circuit, and/or re! Clean the display
with a soft, dry cloth made of cotton or microbre. This will prevent scratching the display
screen. Never use toilet paper or tissues.
• Do not install in a highly humid indoor environment. Risk of electrical short circuit and re!
• Disconnect the power cord from the mains by holding the plug and not the cable. Damage
to the power cord cable may result in an electric short circuit or a re.
• Do not plug the power cord to the mains with wet hands. Electrocution hazard!
• Do not attempt to disassemble, repair or alter this product on your own. Risk of electrocution,
damage to the product and/or re!
• Do not install a current breaker on the mains connection of the device. Electrocution hazard!
PRODUCT DESCRIPTION
• 4.3” colour LCD touch screen
• 4-core wiring
• Intuitive interface
• Internal calls (display-to-display intercom
mode)
• Public Address mode
• Gate and wicket opening control
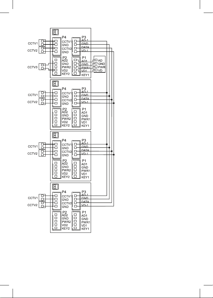
• Supports up to two CCTV feeds
• Supports up to two entrance panels
• On-demand video feed monitoring from
entrance panels and all connected CCTV
cameras
• Two-way voice communication
• High display screen resolution: 800 × 480
• Clear voice handset-free device
• Language selection
• Intuitive buttons
• 10-step voice volume control
• 10-step brightness, contrast and
saturation control
• 10-step ringtone volume control
• 13 polyphonic ringtones
WIRING PROFILE
• ≤ 50 m (4 x 0.5 mm2)
• ≤ 75 m (4 x 0.75 mm2)
• ≤ 100 m (4 x 1.0 mm2)
TECHNICAL DATA
• Operating temperature: -30°C to +60°C
• Supply voltage: 110-240 V AC / 50-60 Hz;
14.5 V DC / 0.8 A
• Power input: 7 W (max); 0.7 W (standby)
• Operating RH: 0% to 95%
• Display dimensions: 170 x 116 x 16 mm
• Weight: 206 g
PRODUCT COMPONENTS
• 1 x Display unit
• 1 x Operating Manual
• 1 x Base stand
• 2 x Wall plugs
• 2 x M4 x 30 screws
• 2 x 5-pin male connector
• 1 x 4-pin male connector
• 1 x 4-pin male connector