
JOHNSON CONTROLS
6
FORM 160.67-PW7
ISSUE DATE: 2/28/2019
NOTES
1. This wiring diagram describes the standard elec-
tronic control scheme for use with a steam turbine
drive. For details of eld control modications,
refer to Product Form 160.67-PW2.
2. Field wiring to be in accordance with the National
Electrical Code as well as all applicable codes and
specications. Refer to Form 160.67-PW5 (Top
Mount Steam Condenser) and Form 160.67-PW4
(Floor Mount Steam Condenser) for eld wiring
connections.
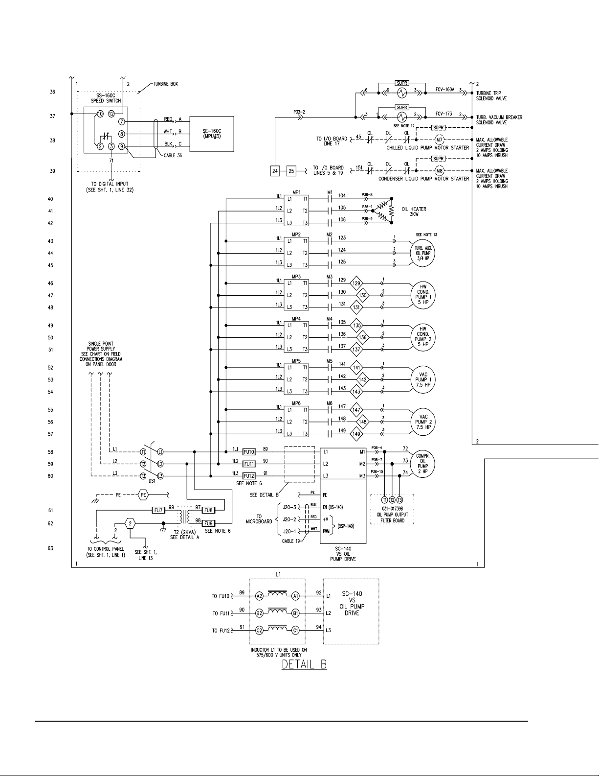
3. Numbers along the left side of the diagram are
line identication numbers. The number along
the right side indicates the line number location
of relay contacts. An underlined contact location
signies a normally closed contact.
4. Main Control Panel Class 1 eld wiring terminal
connection points are indicated by numbers with-
in a rectangle i.e. 15 . Main Control Panel factory
wiring terminal connection points are indicated
by numbers within a triangle i.e. 5 . Component
Terminal connection points are indicated by num-
bers within a circle i.e. CI . Numbers adjacent to
circuit lines are the circuit identication numbers.
Power Panel wiring terminal connection points
are indicated by numbers within a hexagon i.e .
L1 . Steam Condenser junction box wiring termi-
nal connection points are indicated by numbers
within a diamond i.e. 80 .
5. To cycle unit ON and OFF automatically and pro-
vide a controlled shutdown. Install a cycling de-
vice between terminals 1 & 13 . (Line 33A) (see
Note 9). If a cycling device is installed, jumper
must be removed between terminals 1 & 13 .
6. Fuse sizes and motor overload setpoints depend
on voltage of single point power supply. See chart
on eld connection diagram on door of panel.
7. To stop unit and not permit it to start again, after a
controlled shutdown install a stop device between
terminals 1 & 8 (Line 32A) (see Note 9). A
remote start-stop switch may be connected to ter-
minals 1 , 7 ,& 8 . (Line 32A) (see Note 9). Re-
mote switches are operative only in the "remote"
operating mode.
8. Contact rating is 5 amps resistive at 120 volts AC
or 240 volts AC.
9. Device contact rating to be 5 milliamperes at 115
volts AC.
10. Three phase power must be properly phased. L1,
L2, & L3 corresponding to phase sequence A, B,
& C.
11. Contact rating is 5 Amps resistive at 250 volts AC
& 30 volts DC 2 Amp inductive (.4 PF) at 250
volts AC & 30 volts DC.
12. Each 115 VAC eld-connected inductive load
I.E. relay coil, motor starter coil, etc. shall have a
transient suppressor wired in parallel with its coil,
physically located at the coil. Spare transient sup-
pressor and control circuit fuses are supplied in
a bag attached to the green ground screw in the
lower left corner of the control panel.
13. Turbine auxiliary oil pump, oil cooler, oil sensors
& turbine oil safety logic are supplied only on
turbines with pressurized lubrication.
14. If optional chilled and condenser liquid low pres-
sure dierential switches are installed, panel must
be congured for "digital" ow sensor. Refer to
Form 160.67-O1.
15. Refer to Operators Manual for a detailed descrip-
tion of chiller operation & all wanring/shutdown
operating points.
16. Do NOT apply voltage on eld wiring terminal
blocks TB4 or TB6. All 115 volt AC power is fed
from terminals 1 & 2.
17. Do NOT apply voltage on eld instrument wiring
terminal block TB7. All instrument loop power is
supplied from terminals 325, 327, & 329 .
18. YST chillers are supplied with automatic starting
as standard. Manual starting is not recommended
and will be supplied by special quote only.
19. Manual motor protector auxiliary contact is open
when operator is in the OFF position, closed when
operator is in the ON or any tripped position.
20. Liquid injection solenoid is supplied on K3, K4,
& K7 compressors only.
21. Optional wiring between the chiller terminal box
and the oor mounted steam condensor is sup-
plied by the factory for installation in conduit by
the electrical installation contractor.
22. For standard top mounted steam condensor cables
28, 30, and 42 are connected directly to devices
shown after the steam condensor is installed in the
eld.