Yolco TC290 Manual de usuario

USER MANUAL
indeed.
PORTABLE
AIR CONDITIONER
TC290
www.yolco.pl
Instrukcja obsługi
dostępna również na:
User manual
also available at:
Bedienungsanleitung
erhältlich auch bei:

1. Explanation of symbols.
Please read this manual carefully before starting the device. Keep this manual. The manufacturer is not liable for damages
caused by improper use or improper handling.
The warnings and important safety information contained in this manual do not cover all possible conditions or situations that
may occur. It is the user's responsibility to handle the device with care and consideration during maintenance and operation.
Please register warranty claims at: www.systemrma.pl/aplikacja/obsluga/arkas/
When contacting an authorized service center, please have the following information ready: model information, serial number.
This information can be found on the nameplate.
Accessories, consumables and original spare parts are available at: www.yolco.pl. We recommend using original spare parts.
The content of the user manual is subject to change without notice. The latest version is always available at: www.yolco.pl
2. Safety information
• This equipment can be used by children at least 8 years old and by people with reduced physical and mental capabilities and people with no experience and
knowledge of the equipment, if supervision or instruction is provided on how to use the equipment in a safe way, so that related the risks were understandable.
Children should not play with the equipment. Cleaning and maintenance of the equipment should not be performed by unsupervised children.
• It is forbidden to use the device and/or its power cord if they show signs of damage. If the device or its cable needs repair, contact the manufacturer, an authorized
service center or another qualified person.
• Repairs may only be carried out by suitably qualified persons. Self-repairs may result in serious health or life hazards.
• The device should be connected to a power source in accordance with the data contained in the technical specification, only using the supplied power cord. Using a
power source with an incorrect voltage may damage the device or cause a fire.
• The device is equipped with a grounded power cord. Only connect the device to a properly installed and grounded outlet.
• Always use a non-sparking circuit breaker or fuse with the appropriate amperage rating in accordance with EU and UK standards and regulations.
• Disconnect the device from the power supply before moving it, after each use and before cleaning/maintenance.
• Drain the water from the water drainage system before moving or storing the appliance.
• Insert the power cord plug only into an appropriate wall outlet. Do not use extension cords. Do not remove the plug from the socket by pulling on the power cord. It
may damage it.
• During operation, storage and transport, the device should be placed horizontally on a flat and leveled surface.
• Do not operate the device with wet hands.
• The device should be protected against water splashes and adverse weather conditions such as rain. The device is not waterproof. In the event of accidental
spillage, remove the plug from the power source with dry hands. Do not touch the wet device until it is completely dry.
• Do not use the device without air filters installed.
• Do not insert fingers or other objects into the inlet/outlet openings during or immediately after operation.
Appliance filled with flammable
gas R290.
Before using the appliance,
read the owner’s manual first.
Servicing should be performed
by a qualified specialist.
Information for service
technicians available
at the end of this manual.
Before using and installing the appliance,
read the installation manual first.
Important operation and maintenance
information.
Non-compliance may result in a threat
to life, health or property damage.
Tips and supplementary information

4. Contents of the package
• Portable air conditioner
• Adapter (x2)
• Inlet/outlet tube (x2)
• Inlet/outlet tube ring (x2)
• User manual
2. Safety information cont.
• Do not immerse the device in water or any other liquid.
• Do not use or store the device near open flames or other sources of heat.
• Do not expose the device to direct sunlight.
• The device can operate in the temperature range of 17°C-30°C.
• Do not cover the inlet/outlet openings during or immediately after operation. This may reduce the cooling capacity or prevent it altogether.
• Do not use means to accelerate the defrosting process or to clean, other than those recommended by the manufacturer.
• The maximum allowable noise level of air conditioners is subject to local regulations.
• The unit's cooling system contains the flammable refrigerant R290. When the device is not suitable for further use, it must be delivered to a specialized disposal
company.
• Protective packaging for stored equipment should prevent refrigerant leakage.
• Be aware that the refrigerant may be odorless.
• During operation, the device should be placed in a well-ventilated room. Ensure adequate space between the device and other equipment (≥500mm on the front,
back and sides of the device).
• Do not use the device in an flammable, corrosive, explosive or high humidity environment (eg bathroom, kitchen).
• The unit may be operated and stored in a room larger than 4m2, designed to prevent the accumulation of refrigerant due to leakage.
• It is forbidden to modify the device in any way. It is forbidden to pierce or throw into fire.
• It is forbidden for the user to interfere with the refrigeration system and its pipes in order to modify or damage it. In the event of accidental damage to the system or
a refrigerant leak, remove all sources of ignition from the unit immediately. Ventilate the room immediately. Do not switch off the device by directly pulling out the
mains plug.
• Observe national regulations for gas appliances, their installation and disposal. Repairs and maintenance within the cooling system may only be carried out by
persons authorized to work with flammable refrigerants.
• Installation work must be carried out in accordance with national regulations for electrical installations. The installation of the device should be entrusted to an
authorized specialist.
• If refrigerant leaks or needs to be drained during installation, maintenance must be performed by qualified personnel or otherwise in accordance with local laws and
regulations.
• Being directly exposed to the air stream from the device may be harmful to your health.
• The air conditioner is not intended for specialized applications in the field of cooling precision equipment, food, plants, animals or other objects that require strict
temperature control. It may be harmful to them.
• Do not move the device over surfaces susceptible to damage and scratches.
3. Product description
• Portable air conditioner with high efficiency and low energy consumption.
• Cooling and fan functions allow for individual adjustment of the operating mode to the users needs.
• Two-level control of airflow power and automatic mode, which allows maintaining optimal thermal conditions without the need for user intervention.
• Louver movement function evenly distributes the cooled air around the room.
• Temperature regulation in the range of 17-30°C.
• Flexible inlet/outlet pipes for any orientation.
• Intuitive control panel with display.
• Convenient carrying thanks to the handy handle.
• Ecological refrigerant R290, limiting the impact of the device on the global warming phenomenon.
Caution:
Risk of fire / Flammable materials

Control panel
Part description
5. Directions for use
Rear view
7. Air filter
8. Water drainage system
9. Rear inlet/outlet tube adapter
10. Air inlate opening
11. Warm air outlet
12. Inlet/outlet tube
13. Inlet/outlet tube ring
14. Power cable(1,7m)
1. LED display
Displaying the currently set cooling temperature.
It is also used to display error codes.
2. On/Off button
Press once to turn the device on/off
3. Airflow power button
Press once to change the fan speed
LOW - low blower power
HI - high airflow rate
AUTO - the airflow rate adjusted automatically on the basis
of the difference between the set temperature and the current ambient temperature
Attention!
AUTO function disabled in fan mode
4. and 5. Temperature adjustment buttons
Press button Ʌ once to increase the set temperature by 1°C
Press the V button once to lower the set temperature by 1°C
Attention! Temperature can be regulated within range of 17°C - 30°C
Buttons inactive in fan mode
6. Operation mode button
Press once to change the operating mode of the device
FAN - fan mode
COOL - cooling mode
7. Louver movement button
Press once to enable/disable automatic louver movement
Front view
1. Air filter
2. Front inlet/outlet tube adapter
3. Air inlet
4. Cold air outlet
5. LED display
6. Transport handle
1
7
8
9
10
11
2
3
4
5
6
13
12
1
2
3
4
56
7
14

6. Installation instructions
Attention! The unit has pre-installed inlet/outlet tubes and is ready to operate as an outdoor unit.
Changing the configuration to an indoor unit requires removing the tubes from the front adapter and installing them on the rear adapter.
Removal and reassembly of the inlet/outlet tube
To remove the inlet/outlet tube, turn it clockwise several times.
To reinstall it, insert it into the adapter opening and turn it counterclockwise several times.
Removal and reassembly of the front/rear adapter
To remove the adapter, gently press its upper part downwards, pull it away from the device, and then remove the lower catches from the ventilation holes.
To reinstall it, insert the lower catches into the lowest ventilation holes, and then gently press it against the housing.
Installation of the device
as an indoor unit
1. Place the device inside
the cooled room.
2. Route the inlet/outlet pipes
outside of the cooled room.
3. Remove the front adapter
Installation of the device
as an outdoor unit
1. Place the device outside the room to be cooled.
2. Route the inlet/outlet pipes
to the inside of the cooled room.
3. Remove the rear adapter
Attention!
The flexible design of the inlet/outlet tube allows it to be freely directed and extended to a maximum length of 61cm. The optimal length of the inlet/outlet tube is 40 cm.

7. Cleaning and maintenance
Attention!
The cleaning and maintenance
process should be carried
out with the device disconnected
from the power source.
• Cleaning the air filters
1. Slide the air filters downwards
2. Wash the filters under running water
and let them dry completely
3. Slide the air filters into the device
• Cleaning the housing
1. Clean the casing of the device with a damp cloth without any detergent.
2. Wipe the device dry with a dry cloth.
• Emptying the condensation tank
Attention!
The operation should be performed in a place resistant to flooding with water.
1. Remove the drain plug from the drainage system.
2. Wait until the water flows out of the device.
3. Plug the drain plug. Make sure the plug is securely seated on the drain.
8. Recommendations when not using the device
1. If the device is not used for a long time, make sure it is safely disconnected. Otherwise, electric shock or fire may occur.
2. Drain all the water.
3. Clean the air filters.
4. Cover the device to prevent dust accumulation. Store the device in a cool and dry place.
9. Troubleshooting
Solution
Check if the power cord is damaged.
Check if the device has been connected to a power source.
Check if the device has been turned on with the On/Off button.
Check if ambient temperature is not lower than the set temperature.
Please contact professional service.
Empty the condensation tank
Crackling sound -- normal - sound caused by thermal expansion of materials
Water flow noise - normal - the sound of the refrigerant moving inside the unit
Remove and clean the air filters
Problem
The device does not work
The device does not cool
The device displays E1 or E2
The unit displays E4
The device makes noises
There is an unpleasant odor
Attention! Immediately turn off the device, disconnect the power supply and contact the service center when:
- the device emits a piercing sound during operation
- the device emits a burning smell

10. Instructions for service technicians
Information addressed to specialists. They serve only as guidance for qualified personnel.
Any person involved in opening or draining the system should have a current and valid certificate confirming their competence to safely handle
flammable refrigerants.
1. Preparation for safe work
Before starting work on systems containing flammable refrigerants, a safety check should be carried out to minimize the risk of ignition. When repairing the
refrigeration system, the following precautions must be followed before working on the system.
2. Work procedure
The work should be carried out in accordance with a controlled procedure, which will minimize the risks associated with the presence of flammable gas or vapor
during the activity.
3. General work area
Service personnel and others working in the vicinity should be briefed on the type of service work to be performed. Avoid working in confined spaces. The area
around the workplace should be separated. Make sure the area is safe, i.e. no flammable materials are present.
4. Check for the presence of refrigerant
The area should be checked with a suitable refrigerant leak detector before and during the work so that the service technician is aware of working in a potentially
hazardous atmosphere. Make sure that the leak detector used for leak detection is suitable for all refrigerants used, i.e. non-sparking, properly sealed or inherently
safe.
5. Fire extinguisher availability
If work, involving the use of a torch, is to be performed on refrigeration equipment or related components, appropriate fire extinguishing equipment (i.e. CO2 powder
or carbon dioxide extinguisher) should be on hand.
6. No sources of ignition
No person carrying out work on the refrigeration system, that involves exposing the piping, should use any source of ignition in a way that could lead to fire or
explosion. Any potential sources of ignition should be kept away from any installation, repair, disassembly or disposal where there is a risk of release to the
environment. Before starting work, assess the area around the unit for potential hazards from flammable materials or sources of ignition. "No Smoking" signs must be
posted.
7. Area ventilation
Ensure that the area is open and sufficiently ventilated before starting any work involving the opening of the system or work involving the use of a torch. Adequate
ventilation must be ensured during the work. Ventilation should safely and effectively disperse the refrigerant and optimally discharge it to the outside to the
atmosphere.
8. Control of refrigeration equipment
When replacing electrical parts, use components that are suitable for the application and comply with the specifications. The manufacturer's maintenance and service
instructions must be followed at all times.
If in doubt, consult the manufacturer's technical department.
For systems using flammable refrigerants, check:
• whether the amount of refrigerant corresponds to the area of the room where the refrigerant-containing components are installed;
• that the ventilation devices are working properly and their air outlets are not blocked;
• whether the secondary circuit contains refrigerant when using an indirect refrigeration system;
• whether the markings on the devices remain visible and legible. Illegible markings and symbols should be corrected;
• that pipes or components containing refrigerant are installed in a position that prevents them from being exposed to corrosive substances, unless the components
are made of corrosion-resistant materials or are suitably protected against corrosion.
9. Control of electrical devices
Repair and maintenance of electrical components should include initial safety checks and component inspection procedures. If there is a fault that could compromise
safety, do not connect the power supply until the problem is solved. If the fault cannot be rectified immediately and operation must be resumed, an appropriate
temporary solution must be applied. The owner of the device should be informed about the situation so that people around are aware of it.
The initial security check requires checking:
• whether the capacitors have been discharged; the operation must be carried out in such a way as to avoid sparking;
• that no electrical components or wiring are exposed during refrigerant charging and recovery or purging the system;
• that grounding is provided.
10. Repairs to sealed components
When repairing sealed components, disconnect all electrical connections to the unit before removing the sealing covers, etc. If electrical power to the unit is required
during maintenance, then a continuously operating leak detection form should be placed at the most critical point to warn of a potentially hazardous situation.
When working with electrical components, care must be taken to ensure that the enclosure is not altered in a way that may affect its safety level. This includes
damage to electrical wires, excessive number of connections, connections not made in accordance with the technical specification, damage to seals, incorrect
adjustment of glands, etc.
• Make sure that the device is properly mounted.
• Make sure that gaskets or sealing materials are not worn to the extent that they cannot perform their function. Spare parts should comply with the manufacturer's
technical data.
Attention!
The use of a silicone sealant may reduce the effectiveness of some leak detection equipment. Elements that are safe in themselves do not need to be
insulated before starting work.
11. Repair of safe components
Do not apply any permanent inductive or capacitive loads without making sure that they do not exceed the permissible voltage and current values. Safe components
are the only types of components that can be worked on under voltage in a flammable atmosphere. Testing equipment should be properly rated. Components should
only be replaced with parts specified by the manufacturer. The use of other parts may cause the refrigerant to ignite due to leakage.
12. Wiring
Make sure that the wiring will not be exposed to wear, corrosion, excessive pressure, vibration, sharp edges or other undesirable factors. Inspection should also
consider the effects of time or constant vibration from sources such as compressors or fans.
13. Detecting the presence of flammable refrigerants
Under no circumstances should potential sources of ignition be used to detect or search for refrigerant leaks. Do not use a halogen torch (or other open flame
detectors).
14. Leak detection methods
The following leak detection methods are considered acceptable for refrigeration systems containing flammable refrigerants. Electronic detectors can be used to
detect refrigerant leaks. However, their sensitivity may be insufficient or they may need to be recalibrated. (Calibrate leak detection equipment in a refrigerant-free
area.) Make sure that the detector is not a potential source of ignition and is suitable for the refrigerant used. Leak detection equipment should be set to the lower LFL
percentage of the refrigerant and calibrated for the refrigerant used. The appropriate gas percentage (25% maximum) must also be confirmed.

10. Instructions for service technicians cont.
Leak detection fluids are suitable for use with most refrigerants, but avoid using detergents that contain chlorine, which can react with the refrigerant to corrode
copper pipes.
If a leak is suspected, remove/extinguish all naked flames. If brazing is required when a leak is detected, completely recover the refrigerant from the system or isolate
(using shut-off valves) the part of the system away from the leak. For units containing flammable refrigerants, purge the system with oxygen-free nitrogen (OFN)
before and during the brazing process.
15. Removing and emptying
Standard procedures should be followed when opening the refrigerant circuit for repair or any other purpose. In the case of flammable refrigerants, it is important to
take special care due to the risk of ignition. Follow the procedure below:
• remove the refrigerant;
• purge the system with inert gas;
• empty;
• purge with inert gas again;
• open the system by cutting or brazing.
The refrigerant must be recovered in suitable cylinders. To ensure equipment safety, flush the system with OFN (Oxygen Free Nitrogen). The procedure needs to be
repeated several times. Do not use compressed air or oxygen for this purpose.
Purge should be carried out by breaking the vacuum in the system with OFN (oxygen-free nitrogen) and continue filling until working pressure is reached, venting to
atmosphere and finally lowering to vacuum. The process must be repeated until the system is completely empty of refrigerant.
After the last dose of OFN (oxygen-free nitrogen) has been applied, the system must be purged to atmospheric pressure to allow work to be done. This step is
essential if you will be brazing the tubing.
Make sure that the outlet of the vacuum pump is away from sources of ignition and that the environment is adequately ventilated.
16. Refrigerant charge procedures
In addition to standard filling procedures, the following requirements must be followed.
• Ensure that there is no contamination with various refrigerants when using the filling equipment. Keep hoses and lines as short as possible to minimize the amount
of refrigerant they contain.
• Keep the cylinder in an upright position.
• Before charging the system with refrigerant, make sure that the refrigeration system is grounded.
• Label the installation after filling (if not already done).
• Be careful not to overcharge the system with refrigerant.
• Pressure test with oxygen-free nitrogen before refilling the system. The system should be checked for leaks after filling is complete but before commissioning.
Perform the sealing procedure again before leaving the installation site.
17. Decommissioning
Before performing this procedure, make sure that the technician is thoroughly familiar with the device and all its details. Safe recovery of the refrigerant is
recommended. An oil and refrigerant sample should be taken prior to the task in case analysis is required before reusing the reclaimed refrigerant. Make sure that
electrical power is available before carrying out the task.
a. Familiarize yourself with the device and how to use it.
b. Electrically isolate the system.
c. Before performing the procedure, ensure that:
- Mechanical refrigerant cylinder handling equipment is available;
- Personal protective equipment is available and properly used;
- The recovery process is constantly supervised by a competent person;
- The equipment and the recovery cylinder comply with the relevant standards.
d. Drain the refrigeration system if possible.
e. If a vacuum cannot be achieved, a manifold must be made to allow the refrigerant to be drained from various parts of the system.
f. Make sure the cylinder is on the scale before starting recovery.
g. Operate and operate the recovery equipment in accordance with the manufacturer's instructions.
h. Do not overfill the cylinder. (Do not fill over 80% of the fill volume).
i. Do not exceed the cylinder's maximum working pressure, even temporarily.
j. After the cylinders are properly filled and the procedure is complete, ensure that the cylinders and equipment are immediately removed from the work area and all
shut-off valves on the equipment are closed.
k. Reclaimed refrigerant may only be charged to another system after it has been cleaned and inspected.
18. Labeling
Equipment must be labeled that it has been decommissioned and emptied of refrigerant. The label must be dated and signed. Make sure there is a label on the unit
that there is flammable refrigerant inside.
19. Recovery
• When removing refrigerant from the system for service or decommissioning, good practice is recommended to ensure that all refrigerant is safely recovered.
• When transferring refrigerant to cylinders, ensure that only appropriate cylinders are used. Make sure there are enough of them available to recover refrigerant from
the entire system. All cylinders used should be dedicated to reclaimed refrigerant and properly marked (special refrigerant recovery cylinders). Cylinders should be
complete with safety valve and shut-off valves in good technical condition.
• Empty recovery cylinders are vented and, if possible, cooled before recovery begins.
• Recovery equipment should be in good working order, complete with instructions and designed to recover all relevant refrigerants, including flammable refrigerants
where applicable. In addition, an available set of operational, properly calibrated scales is required.
• Hoses should be in good technical condition and equipped with tight joints. Before using recovery equipment, ensure that it is in good working order and has been
well maintained and that all associated components are insulated to prevent ignition in the event of a refrigerant leak. If in doubt, consult the manufacturer.
• The recovered refrigerant must be returned to the supplier in the appropriate cylinder with the appropriate waste transfer document. Do not mix different refrigerants
in recovery equipment, especially in cylinders.
• If it is necessary to remove the compressor or its oil, ensure that they have been drained to an acceptable level to ensure that refrigerant residues are not in the
lubricant.
The draining procedure must be performed before the compressor is delivered to the supplier. The process can be accelerated by heating the compressor body.
Remove the oil from the system safely.

10. Instructions for service technicians cont.
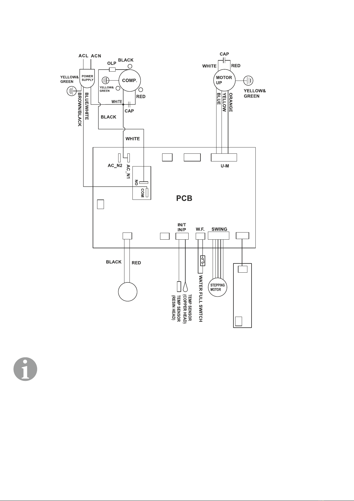
Wiring diagram
The electric schematic diagram are subject to change without notice
630241-DY-371
C
RY1
W-M1 D-M1
WIFI
DIS
DISPLAY PCB
TO-POWER
IN/H
W-M2
COMP/T
WATER MOTOR
+
—
R
S
11. Additional information
• Equipment containing flammable refrigerants should be transported in accordance with transport regulations
• Equipment should be labeled in accordance with local regulations
• Disposal of equipment using flammable refrigerants must be carried out in accordance with national regulations
• Storage of equipment/devices Store equipment in accordance with the manufacturer's instructions.
• Storage of packaged (unsold) equipment. Storage packaging should protect the equipment from mechanical damage that could cause leaks and refrigerant leakage.
The maximum number of devices allowed to be stored together is determined by local regulations.

12. Technical data
Model
Rated voltage
Rated current
Cooling power consumption
Standby power consumption
Cooling performance
Sound power level (high/low speed)
Sound Pressure Level (high/low Speed)
Airflow capacity (high/low speed)
Temperature adjustment range
Ambient temperature
Room size
Refrigerant (amount of refrigerant in the system)
GWP
Fuse
Dimensions (W x D x H)
Net weight
TC290
220-240V, 50Hz
1.8A
416W
0.5W
1000W
62/58 dB(A)
46/42 dB(A)
180/140 m³/h
17-30°C
5-35°C
4-10 m²
R290 (128g)
3
Ceramic, 250V AC, 3.15A
545 x 303 x 344mm
14 .6kg
The crossed out wheeled bin symbol means that this product should not be disposed of with other household waste. Waste electrical and electronic equipment
should be sent for recycling and recycling with environmental protection regulations in force in a given country regarding waste management. Selective waste
collection contributes to reducing their potential negative impact on human health and the resulting environment from the presence in the equipment of
dangerous substances, mixtures and components.
21/DRU/23
Manufacturer:
ARKAS Sp. z o.o.
ul. Kuziennicza 4,
59-400 Jawor, Poland
www.arkas.pl
www.yolco.pl
Follow us on
Specifications are subject to change without notice.
1,7m
54,5cm (without tube adapters)
59cm
30,3cm
34,4cm
Tabla de contenidos

















