
Specification
Installation
SIZE(UNIT:MM) VOLTAGE
180kg(350Lbs)
12/24VDC
12/24VDC
280kg(600Lbs)
CURRENT HOLDING FORCE
12/24VDC
12/24VDC
12/24VDC 500kg(1200Lbs)
232Lx42Wx24.5H
254Lx65.8Wx39H
190Lx32Wx22.5H
232Lx42Wx24.5H
180kg(350Lbs)
280kg(600Lbs)
For example: YM-280M (Unit:mm)
MODEL
12V/300mA
24V/150mA
12V/500mA
24V/250mA
12V/420mA
24V/210mA
12V/300mA
24V/150mA
12V/500mA
24V/250mA
190Lx32Wx22.5H
12/24VDC 500kg(1200Lbs)
254Lx65.8Wx39H
YM-180M
YM-180M-S
YM-280M
YM-280M-S
YM-500M
YM-500M-S 12V/420mA
24V/210mA
DOOR
Single Door
Single Door
Single Door
Single Door
Single Door
Single Door
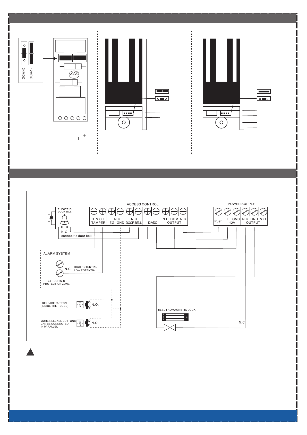
!NOTES:
Please read specification before installing magnetic lock
A. Handle the equipment carefully. The holding force can be reduced by damaging the lock body or
armature plate.
B. The magnetic lock should be fixed tightly on the door frame and the armature plate on the door leaf.
Kit provided allows the armature plate to pivot its center, thus compensating misalignment caused by
other factors.
C. Template can only be used with the door in normally closed circumstance.
D. Please fix screws of magnetic lock firmly.
E. Detect signal of door state: the limit of reed switch and dry contact is 0.5A/30VDC. Don't overload.
tested
Germany
EMC
R
Mortise Mount Magnetic Lock
(1) Dig the hole (2)Fix screws
Armature plate
(3)Dig the hole (4)Fix screws
Door Frame
180
38
21.5
217.6
195.6
41.6
19