CONTROLLER
Type : NO 24 Volt DC with toggle switch +
Type : deadman function Part No. 5057002
COMPRESSOR MODEL 185
Type : NO 110 Volt AC Part No. 5044202
Type : with Internal Fuse
INSTRUCTIONS
GEBRUIKSAANWIJZING
MOUNTING
Mount the compressor always inside a vehicle, shelter or container.
Mark the fixing points and drill holes of Ø 7 mm. Fit the compressor
with minimum 4 screws M6. Mount the compressor always in
vertical position. Leave ventilation openings unobstructed.
AC POWER SUPPLY
A power supply cable (minimum 3 x 1,5 mm²) has to be used to avoid
voltage drop and should be connected to the 5-pin plug as following :
1 = "L" 2 = "N" = earth link
FUSE
The compressor is equipped with a fuse, which protects the motor,
which breaks the electrical power supply automatically in case of
overload. In such case disconnect the current by unscrewing the
5-pin plug from the compressor. Wait a few minutes before pressing
manually the push button "FUSE". Subsequently start the compressor
again. If the compressor will be interrupted once again by the motor
protection, disconnect the current and contact our after sales service.
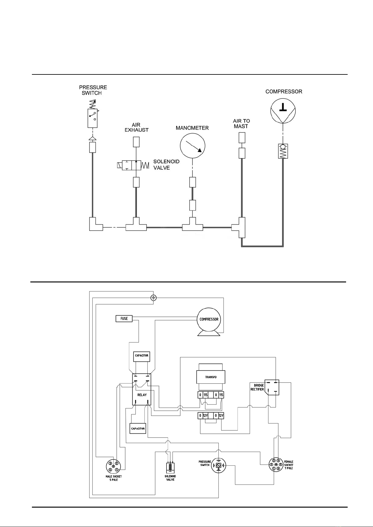
AIR CONNECTIONS
The compressor is equipped with 2 couplings with a NPT ¼” female
thread. The “AIR TO MAST” connector is used to connect the
compressor with the mast, while the “AIR EXHAUST” connector is
only used to lead away air, moisture and/or water, running to the
outside of the vehicle.
OPERATION
Connect the controller to the compressor by screwing in the 7-pin
plug into the socket on the front panel of the compressor.
Push the toggle switch into position “UP”. The switch should be
kept in “UP” position till the mast has been fully extended or has
reached the desired height. The moment the toggle switch will be
released, the switch will jump automatically into position “HOLD”
and the compressor will stop running (= deadman function).
To retract the mast, push the toggle switch into position
“DOWN/OFF”.
ADJUSTMENT OF PRESSURE SWITCH
The maximum operating pressure is 58 psi (4 bar).
The pressure switch is factory-set at approximately 35 psi (2,4 bar).
The pressure switch can be adjusted with a screwdriver through the
hole “PRESSURE ADJUSTMENT” on the front panel.
Turn the screwdriver anti-clockwise, to have less pressure or turn it
clockwise for more pressure. You can read the pressure to the
mast on the manometer.
MAINTENANCE
Before performing any maintenance operation,
make sure the power is disconnected !
1. For good general maintenance, keep unit clean
and check connections regularly.
2. The compressor is oil-free and does not require
any lubricant.
3. Cleaning the air filter :
- Remove the compressor casing and unscrew
air filter anti-clockwise.
- Rinse the filtering component with water and
soap and make sure that it is totally dry before
replacing it again.
Do not operate the compressor without the air filter
fitted, as foreign bodies or dust could seriously damage the
inside components !
MONTAGE
Plaats de compressor altijd in een voertuig, shelter of container. Duid
de bevestigingspunten aan en boor gaten van Ø 7 mm. Monteer de
compressor altijd in verticale positie met minimaal 4 schroeven M6.
Houd de ventilatieopeningen vrij.
AC ELEKTRISCHE AANSLUITING
Gebruik een kabel (van minimum 3 x 1,5 mm²) om spanningsverlies
te vermijden en sluit als volgt aan op de 5-polige stekker :
1 = "L" 2 = "N" = aarding
ZEKERING
De compressor is uitgerust met een motorbeveiliging die de elektrische
voeding bij overbelasting automatisch uitschakelt. In dergelijk geval
moet de stroom worden uitgeschakeld door de 5-polige stekker van de
compressor los te koppelen. Wacht enkele minuten alvorens de druk-
schakelaar "FUSE" manueel terug in te drukken, waarna de compressor
weer mag worden gestart. Als de motorbeveiliging opnieuw ingrijpt,
moet de stroom worden afgekoppeld en dient u contact met onze
dienst na verkoop op te nemen.
AANSLUITING LUCHTSLANGEN
De compressor is uitgerust met 2 koppelingen met een NPT 1/4”
binnendraad. De “AIR TO MAST” aansluiting wordt gebruikt om de
compressor met de mast te verbinden, terwijl de “AIR EXHAUST”
aansluiting dient om eventueel lucht, condens en/of water af te voeren,
die tot buiten het voertuig loopt.
WERKING
Schroef de 7-polige stekker van de afstandsbediening in het
stopcontact op het voorpaneel van de compressor.
Duw de tuimelschakelaar in stand “UP”. De schakelaar moet ingedrukt
blijven in “UP” stand totdat de mast volledig is uitgeschoven of de
gewenste hoogte heeft bereikt. Vanaf het moment dat de tuimel-
schakelaar losgelaten wordt, springt de schakelaar automatisch over
op stand “HOLD”, waarbij de compressor stopt (= dodeman functie).
Om de mast in te schuiven, duw de tuimelschakelaar op stand
“DOWN/OFF”.
AFSTELLING DRUKSCHAKELAAR
De maximale druk is 58 psi (4 bar). In de fabriek wordt de schakelaar
op ca. 35 psi (2,4 bar) afgesteld.
De druk kan met een schroevendraaier geregeld worden via de
opening “PRESSURE ADJUSTMENT” op het voorpaneel van de
compressor. Draai de schroevendraaier in tegenwijzerzin voor
minder druk, in wijzerzin voor meer druk. De druk naar de mast
kan op de manometer afgelezen worden.
ONDERHOUD
Alvorens om het even welke onderhoudshandeling uit
te voeren, zorg ervoor dat de voeding ontkoppeld is !
1. Voor een goed algemeen onderhoud, dient U de
compressor zuiver te houden en regelmatig de
aansluitingen te controleren.
2. De compressor is olievrij en vereist geen smeermiddel.
3. Het schoonmaken van de luchtfilter :
- Verwijder de behuizing van de compressor en draai
de luchtfilter in tegenwijzerzin los.
- Spoel het filtrerend element met water en zeep en zorg dat het
filtrerend element volledig droog is vooraleer het terug te plaatsen.
Gebruik de compressor nooit zonder luchtfilter.
De ingang van vreemde lichamen of stof kan ernstige schade aan
de interne componenten berokkenen !
MODE D'EMPLOI / GEBRAUCHSANWEISUNG
When ordering Spare Parts or in event of a claim under
guarantee, please inform The Will-Burt Company :
1. Serial No. of equipment 2. Date of supply
3. Name and address of supplier
Bij bestelling van reserveonderdelen of in geval van een klacht onder
waarborg, gelieve The Will-Burt Company te informeren:
1. Serienummer van uitrusting 2. Datum van levering
3. Naam en adres van leverancier
Pour commander les pieces de rechange ou en cas d'une réclamation
sous garantie, veuillez informer The Will-Burt Company:
1. Numéro de série de l'équipement 2. Date de livraison
3. Nom et adresse du fournisseur.
Bei Bestellung von Ersatzteilen oder im Falle eine Reklamation
unter Garantie, bitte informieren Sie The Will-Burt Company:
1. Serienummer des Materials 2. Lieferdatum
3. Name und Adresse des Lieferanten
All details given in this publication are approximate and may be subject to change without notice / Alle gegevens in deze uitgave zijn benaderend en
kunnen zonder voorafgaande verwittiging gewijzigd worden / Les détails donnés dans cette notice sont approximatifs et peuvent être modifiés sans
avis / Alle Angaben in dieser Broschüre sind Ungefährwerte und sie können zu jeder Zeit ohne vorherige Information geändert werden.
The Will-Burt Company
, 169 S. Main Street, Orrville, OH 44667, USA
Tel : +1-330-682-7015 - Fax : +1-330-684-1190 - E-mail : [email protected] - Website : www.willburt.com MONTAGE
Positionnez le compresseur toujours à l'intérieur d’un véhicule,
shelter ou container. Indiquez la position des boulons et percez des
trous de Ø 7 mm. Positionnez le compresseur toujours en position
verticale avec minimum 4 vis M6. Laissez les ouvertures de
ventilation libres.
CA RACCORDEMENT ELECTRIQUE
Il faut utiliser un câble d’alimentation (minimum 3 x 1,5 mm²) pour
éviter une chute de tension et il faut le brancher sur la fiche à 5
conducteurs comme suit :
1 = "L" 2 = "N" = mise à la terre
FUSIBLE
Le compresseur est prévu d’un fusible qui protège le moteur et qui
coupe automatiquement l’alimentation électrique en cas de surcharge.
Dans ce cas, coupez l’alimentation du compresseur en dévissant la
prise à 5 conducteurs. Attendez quelques minutes avant de presser
le bouton poussoir "FUSE", après quoi le compresseur peut être
démarré à nouveau. Si le fusible saute encore une fois, l’alimentation
doit être désactivée et prenez contact avec notre service après-vente.
CONNEXIONS D’AIR
Le compresseur est fourni de 2 raccords avec un filetage femelle
NPT 1/4”. Le raccord “AIR TO MAST” est utilisé pour connecter le
compresseur avec le mât alors que le raccord “AIR EXHAUST” est
utilisé pour faire échapper l’air, la condensation et/ou l’eau, qui
l’évacue vers l’extérieur du véhicule.
OPERATION
Vissez la prise à 7 conducteurs de la commande à distance dans la
prise sur le panneau avant du compresseur.
Poussez l’interrupteur à levier en position “UP”.
L’interrupteur doit rester en position “UP” jusque le mât a été
déployé ou a atteint la hauteur désirée. Au moment où l'interrupteur
à levier sera relâché, l’interrupteur à levier va sauter
automatiquement en position “HOLD” et le compresseur s'arrête
(= fonction homme-mort).
Pour rétracter le mât, poussez l'interrupteur à levier en position
“DOWN/OFF”.
REGLAGE DU PRESSOSTAT
La pression maximale est 58 psi (4 bar).
En usine, le pressostat est réglé à +/- 35 psi (2,4 bar).
Le pressostat peut être réglé avec un tournevis par le trou
“PRESSURE ADJUSTMENT” sur le panneau avant. Tournez le
tournevis dans le sens antihoraire, pour diminuer la pression ou
tournez dans le sens horaire pour augmenter la pression. La pression
est lisible sur le manomètre sur le panneau avant du compresseur.
ENTRETIEN
Avant d'effectuer n'importe quelle opération
d'entretien, assurez-vous que le compresseur
est débranché !
1. Pour le bon entretien général, maintenez
le compresseur propre et vérifiez régulièrement
les raccordements.
2. Le compresseur est exempt d'huile et n'exige
pas un lubrifiant.
3. Nettoyage du filtre d’air :
- Enlevez le boîtier du compresseur, puis enlevez le
couvercle de l’élément filtrant et sortez l’élément
filtrant.
- Rincez l’élément filtrant avec de l'eau et du savon et assurez-
vous qu'il est complètement sec avant de le remettre.
Le compresseur ne doit jamais fonctionner sans filtre d’air.
La pénétration de corps étrangers ou de poussière peuvent
endommager sérieusement les éléments internes !
EINBAU
Bauen Sie den Kompressor immer innerhalb eines Fahrzeugs,
Shelters oder Containers ein. Kennzeichnen Sie die Befestigungs-
punkte mithilfe der Bohrlöcher von 7 mm Durchmesser. Befestigen
Sie den Kompressor immer in vertikaler Position mit mindestens 4
M6 Schrauben. Bitte beachten Sie, dass bei der Montage die
Luftschlitze an der Frontplatte frei bleiben.
AC STROMVERSORGUNG
Ein Stromkabel (minimum 3 x 1,5 mm²) muss verwendet werden um
Spannungsabfall zu vermeiden und sollte an dem 5-poligen
Stecker angeschlossen werden wie folgt :
1 = "L" 2 = "N" = Erdung
SICHERUNG
Der Kompressor ist mit einer Sicherung ausgestattet, die den Motor
vor Überlast schützt und die Stromzufuhr unterbricht. In diesem Fall
den 5-poligen Stecker mit Überwurfmutter für die Stromzufuhr abziehen.
Warten Sie einige Minuten bevor Sie durch manuelles Drücken der
Taste "FUSE" und der erneuten Stromzufuhr den Kompressor wieder
starten. Wenn der Kompressor wieder durch die Sicherung unterbrochen
wird, schalten Sie den Strom aus und kontaktieren Sie unseren
Kundendienst.
LUFTSCHLAUCHANSCHLÜSSE
Der Kompressor ist mit 2 Verschraubungen mit Innengewinde NPT 1/4”
ausgestattet. Der “AIR TO MAST” Anschluss wird gebraucht um
den Kompressor mit dem Mast zu verbinden, der “AIR EXHAUST”
Anschluss wird verwendet um Luft, Feuchtigkeit und/oder Wasser
abzuleiten, welches aus dem Fahrzeug geführt werden muss.
EINSATZ
Verbinden Sie die Steuerung mit dem Kompressor, in dem Sie den
7-poligen Stecker in die Steckdose auf der Vorderseite des
Kompressors einstecken und sichern.
Drücken Sie den Kippschalter “UP”. Der Schalter muss in der “UP”
Position gehalten werden, bis der Mast komplett ausgefahren
ist oder die gewünschte Höhe erreicht hat. Wenn der Kippschalter
losgelassen wird, springt den Schalter automatisch in die Position
“HOLD” und stoppt den Kompressor (= Totmannfunktion).
Um den Mast einzufahren, drücken Sie den Kippschalter “DOWN/OFF”.
EINSTELLUNG DES DRUCKSCHALTERS
Der maximale Betriebsdruck ist 58 psi (4 bar). Der vom Werk
voreingestellte Betriebsdruck liegt bei ca. 35 psi (2,4 bar).
Der Druckschalter kann mit einem Schraubendreher durch die
Aussparung “PRESSURE ADJUSTMENT” auf der Vorderseite justiert
werden. Drehen des Schraubendrehers gegen den Uhrzeigersinn
verringert den Druck, Drehen im Uhrzeigersinn vergrössert ihn.
Sie können den Druck auf den Mast auf dem Manometer ablesen.
WARTUNG
Bevor irgendwelche Wartungsarbeiten durchgeführt werden,
muss der Kompressor ausgeschaltet und vom Stromnetz
getrennt werden !
1. Für eine gute allgemeine Wartung den
Kompressor sauber halten und regelmässig die
Verbindungen überprüfen.
2. Der Kompressor ist ölfrei und erfordert kein Schmiermittel.
3. Säubern des Luftfilters :
- Entfernen Sie das Kompressorgehäuse, dann
entfernen Sie den Deckel der Filtereinheit und
nehmen Sie den Filter aus der Einheit heraus.
- Spülen Sie die Filtereinheit mit Wasser und Seife, beachten Sie
dass die Filtereinheit absolut trocken ist, bevor Sie die
Filtereinheit wieder in die Einheit einsetzen.
Betreiben Sie den Kompressor nie ohne Luftfilter, da
Fremdkörper oder Staub die innenliegenden Komponenten
ernsthaft beschädigen können !
PP 1820 WB MM 27/03/18