
9
Circuit Description
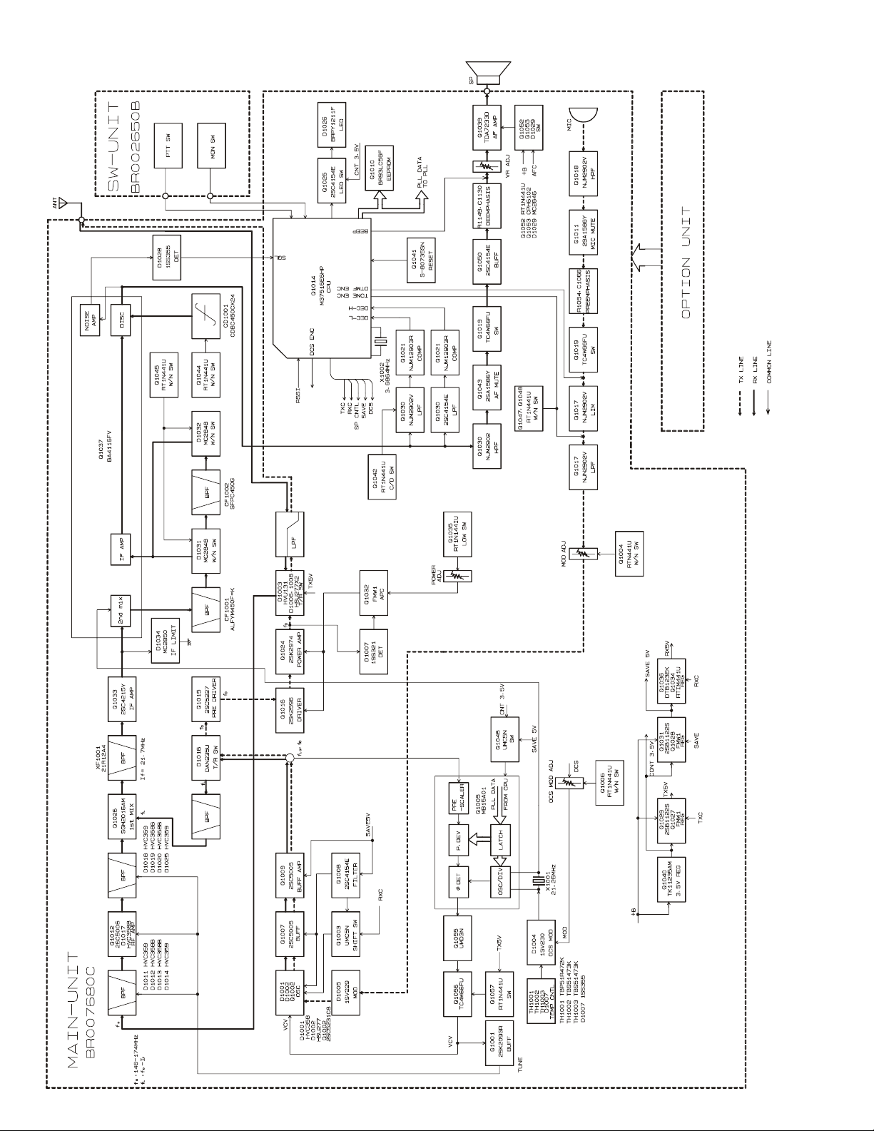
1. Receive Signal Path
Incoming RF from the antenna jack is delivered to the
RF Unit and passes through a low-pass filter consisting
of coils L1001 and L1002, capacitors C1004, C1005, C1008,
C1010, C1014, and C1016, and antenna switching diode
D1003 (HVU131).
Signals within the frequency range of the transceiver
enter a varactor-tuned band-pass filter consisting of coils
L1010 and L1011, capacitors C1044, C1046, C1060, C1065,
and C1068, and diodes D1011 (HVC359), D1012
(HVC358B), D1013 (HVC358B), and D1014 (HVC359).
The signals are then amplified by Q1012 (2SC5006), and
enter a varactor-tuned band-pass filter consisting of coils
L1017 and L1021, capacitors C1084, C1086, C1089, C1095,
and C1097, and diodes D1018 (HVC359), D1019
(HVC358B), D1020 (HVC358B), and D1025 (HVC359), be-
fore delivery to first mixer Q1026 (SGM2016AM).
Buffered output from the VCO is amplified by Q1009
(2SC5005) to provide a pure first local signal between
126.3 and 152.3 MHz for injection to the first mixer, Q1026.
The 21.7 MHz first mixer product then passes through
monolithic crystal filter XF1001 (21R12A4, 12.0 kHz band-
width) to strip away all but the desired signal, which is
then amplified by Q1033 (2SC4215Y).
The amplified first IF signal is applied to FM IF sub-
system IC Q1037 (BA4116FV), which contains the sec-
ond mixer, second local oscillator, limiter amplifier, noise
amplifier, and S-meter amplifier.
A second local signal is generated by the PLL reference/
second local oscillator generated by 21.25 MHz crystal
X1001, producing the 450 kHz second IF when mixed with
the first IF signal within Q1037.
The second IF then passes through ceramic filter CF1001
(Alfym450F) or CF1002 (SFPC450G: only on “Narrow”
channels) to strip away all but the desired signal, and is
then applied to the limiter amplifier in Q1037, which re-
moves amplitude variations in the 450kHz IF, before de-
tection of the speech by the ceramic discriminator CD1001
(CDBC450CX24).
Detected audio from Q1037 is applied to the audio high-
pass filter, and then passed via the volume control to the
audio amplifier Q1039 (TDA7233D), which provides up
to 0.5 Watt to the optional headphone jack or a 4-ohm
loudspeaker.
2. Squelch Control
The squelch circuitry consists of a noise amplifier and
band-pass filter within Q1037, and noise detector D1028
(1SS355).
When no carrier received, noise at the output of the de-
tector stage in Q1037 is amplified and band-pass filtered
by the noise amplifier section of Q1037 and the network
between pins 7 and 8, and then rectified by D1028.
The resulting DC squelch control voltage is passed to
pin 37 of the microprocessor, Q1014 (M37515E). If no car-
rier is received, this control signal causes pin 7 of Q1014
to go high and pin 20 to go low. Pin 7 signals Q1038
(IMD10A) to disable the supply voltage to the audio am-
plifier Q1039, while pin 20 makes Q1023 (IMX1) hold the
green (Busy) half of the LED off, when pin 7 is high and
pin 20 is low.
Thus, the microprocessor blocks output from the audio
amplifier, and silences the receiver, while no signal is be-
ing received (and during transmission, as well).
When a carrier appears at the discriminator, noise is re-
moved from the output, causing pin 37 of Q1014 to go
low and the microprocessor to activate the “Busy” LED
via Q1014.
The microprocessor then checks for CTCSS or DCS code
squelch information, if enabled, or for DTMF data on the
optional DTMF Unit. If not transmitting and CTCSS or
DCS is not activated, or if the received tone or code match-
es that programmed, audio is allowed to pass through
audio amplifier Q1039 (TDA7233D) to the loudspeaker
by enabling the supply voltage to it via Q1038.
3. Transmit Signal Path
Speech input from the microphone is amplified by
Q1017 (NJM2902V); after pre-emphasis by C1066 and
R1054, the audio passes through another section of Q1017.
The processed audio may then be mixed with a CTCSS
tone generated by Q1014 (M37515E), then delivered to
D1005 (1SV229) for frequency modulation of the PLL car-
rier (up to ±5kHz from the unmodulated carrier) at the
transmitting frequency.
If a DCS code is enabled for transmission, the code is
generated by microprocessor Q1014 and delivered to
D1004 (1SV230) for DCS modulating.
If DTMF is enabled for transmission, the tone is gener-
ated by the microprocessor and is applied to the limiter
amplifier section in place of the speech audio. Also, the
tone is amplified for monitoring in the loudspeaker.
The modulated signal from the VCO Q1002
(2SC5231C8) is buffered by Q1007 (2SC5005) and am-
plified by Q1009 (2SC5005). The low-level transmit sig-
nal then passes through the T/R switching diode D1016
(DAN235U) to the driver amplifiers Q1015 (2SC5227) and
Q1016 (2SK2596), then is applied to the final amplifier
Q1024 (2SK2974), providing up to 5 Watts of output pow-
er.