
7
TB WC33 XP (12AE763Z)
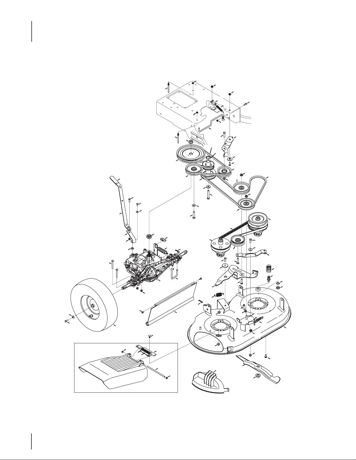
Ref. Part Number Description
1687- 02614 RH Lever Assembly Bracket
2687- 02615 LH Lever Assembly Bracket
3710-0572 Screw, Carriage, 5/16-18 x 2.25
4710-0599 Screw, 1/4-20 x 0.500
5710-0606 Hex Screw, 1/4-20 x 1.50
6710-1237 Screw, #10-32 x 0.625
7712-04063 Nut, Flangelock, 5/16-18
8912- 04 42 Lock Nut Cap, 1/4-20
9720-04190 Grip, 1.0 ID x 5.0 LG
10 720-04072A Star Knob, 5/16-18
11 725-0157 Cable Tie, 3/16 x .05 x 7.4
12 938-0140 Screw, Shoulder, .435 x .178-5/16 x .56
13 938-1226 Screw, Shoulder, .375 x 1.355 x 1/4-20
14 946-04604 Throttle/Choke Cable, 38.0 x 1.1 EXT
15 946-04606 RH Brake Cable, Tecumseh Trans.
16 946-04608 LH Brake Cable, Tecumseh Trans.
17 946-04609 Wheel Clutch Cable
18 946-04610 Deck Clutch Cable
19 749- 04330 Lower Handle
20 749- 04331 Upper LH Handle
21 749- 04332 Upper RH Handle
22 749-04333 Adjustable Handle Brace
23 751B221535 Casing Clamp
24 787-01490A RH Cable Mount Bracket
—787-01491A LH Cable Mount Bracket
25 687-02591 Frame Assembly
26 687-02265 Front Deck Lift Assembly
27 687-02419 Rear Deck Lift Assembly
28 710- 04312 Hex Screw, 5/16-18 x .50
29 710-0604A Screw, 5/16-18 x 0.625
30 710-0627 Hex Screw, 5/16-24 x .750
31 914-0145 Click Pin, .092 x 1.64 LG
32 720-04189 Grip Handle, 1/2
33 731-05791 Plastic Spacer, .63 ID x .75 LG
34 732-04418A Deck Height Lever
35 736-0242 Washer, Bell, .340 x .872 x .060
36 736-0343 Washer, Flat, .330 x 1.25 x .120
37 936-0351 Washer, Flat, .760 ID x 1.50 OD
38 937-3000 Drive Lube Fitting, 3/16
39 741-0660A Flange Bearing, .760 x .941 x 1.0
40 787-01496 Height Adjustment Bracket
Ref. Part Number Description
41 787- 01507 Fuel Tank Mount Bracket
42 787-01510 Link Pivot Bracket
43 787- 01521 Lever Pivot Bracket
44 734-04243 Caster, Wheel, 8 x 1.75
—941-0706 Bearing, Flange w/ftg
45 687-02263 Wheel Caster Bracket
46 712-04065 Nut, Flangelock, 3/8-16
47 738-04216A Bolt, Shoulder, .625 x 2.515 x 3/8-16
48 710-0136 Hex Screw, 1/4-20 x 1.75
49 710-0896 Screw, 1/4-14 x 0.625
50 712-3006 Nut, Hex, 1/4-20
51 931-05684 Belt Cover
52 731- 05937A Handle Panel, Black
53 736-0270 Washer, Bell, .265 x .75 x .062
54 936-0463 Washer, Flat, .25 x .630 x .0515
55 787- 01548 Hour Meter and Key Handle Panel
56 931-06935A Fuel Tank Cover
57 738-04282 Screw, Shoulder, 1/4-20 x .32 x 1.8
58 951-12182 Fuel Cap
59 951-04322 Fuel Tank
60 710-1315 Screw, 3/8-16 x 1.250
61 726-0205 Hose Clamp, .490 DIA.
62 751-10349 Fuel Hose, Low Permeation, 1/4
63 951-10517A Oil Drain
64 751-3141-14 Extension Hose
65 710-04666 Hex Head Flange, 1/4-20 x .75
66 710-0642 Screw, 1/4-20 x 0.750
67 925-1707D Battery, 155 CCA WET
68 712-0271 Sems Nut, 1/4-20
69 712-04064 Nut, Flangelock, 1/4-20
70 925-04022B Hour Meter
71 925-04228 Key Switch
72 725-04439 Solenoid, 12V, 100 AMP
73 747- 04657 Battery Hold Down Strap
74 925-1745A Key
75 787-02009 Plate, Shift
—925-05266 Wiring Harness (Not Shown)
—725-04478 Starter Wire (Not Shown)
—712-0266A Nut, Jamlock, 3/8-16 (Not Shown)
—751-12089-28 Vent Hose, 3/16 (not shown)