
EAP 300 REMOTE ANNUNCIATOR
PM084 REV 0 08/06/20 THOMSON TECHNOLOGY
1. WARNINGS AND LEGAL INFORMATION
Legal information and responsibility
Thomson Technology takes no responsibility for installation or operation of the engine set. If there is
any doubt about how to install or operate the engine controlled by the unit, the company responsible for
the installation or the operation of the set must be contacted.
Electrostatic discharge awareness
Sufficient care must be taken to protect the terminals against static discharges during the
installation. Once the unit is installed and connected, these precautions are no longer necessary.
Safety issues
Installing the unit implies work with dangerous currents and voltages. Therefore, the installation should
only be carried out by authorized personnel who understand the risks involved in working with live
electrical equipment.
Factory settings
The unit is delivered with certain factory settings. Given the fact that these settings are based on
average values, they are not necessarily the correct settings for matching the individual engine.
Thus precautions must be taken to check the settings before running the engine.
Definitions
Throughout this document a number of notes and warnings will be presented. To ensure that these are
noticed, they will be highlighted in order to separate them from the general text.
Notes
NOTE:
The notes provide general information, which will be
helpful for the reader to bear in mind.
Warning
The warnings indicate a potentially danger
ous situation, which could result in
death, personal injury or damaged equipment, if certain guidelines are not
followed.
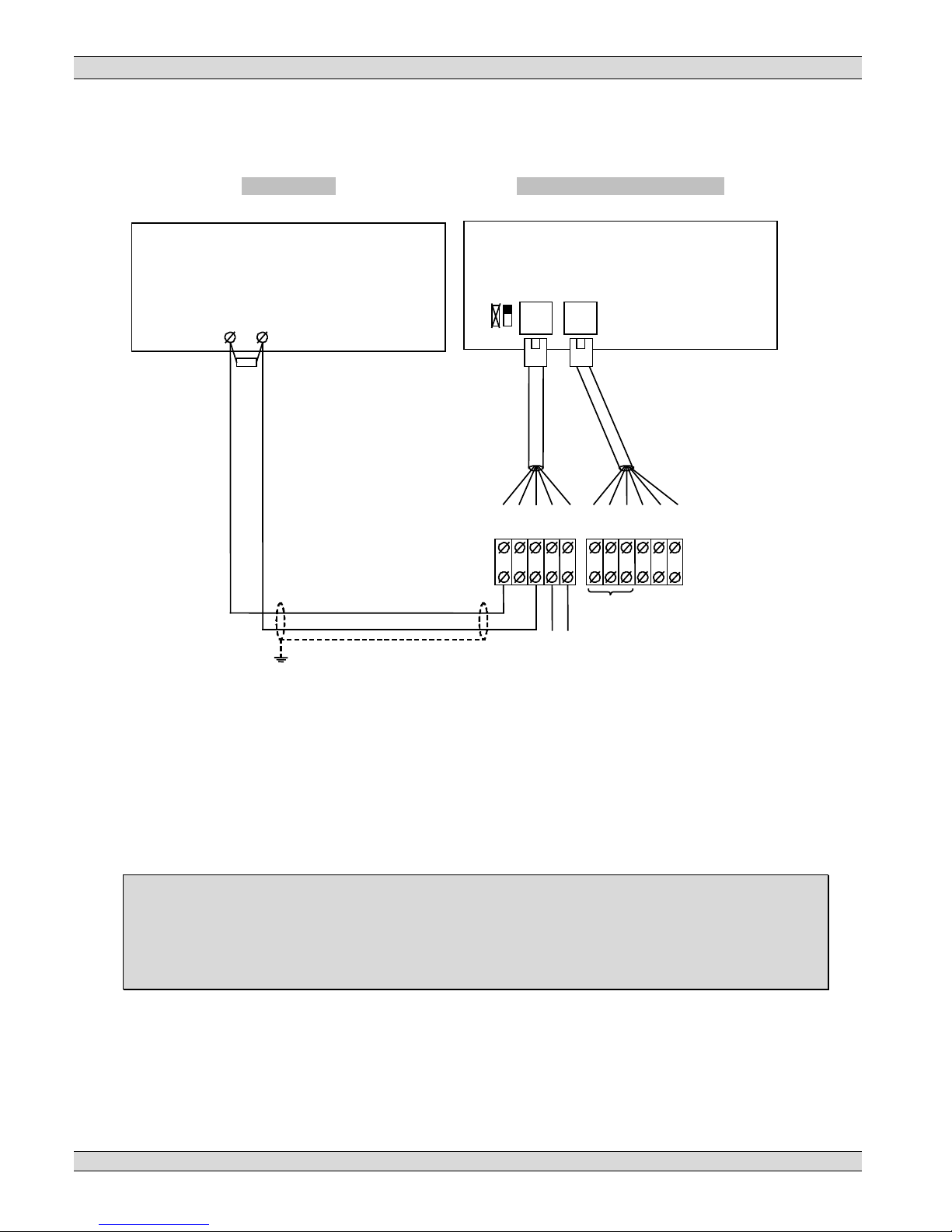
Be aware of the hazardous live currents and voltages. Do not touch any AC
measurement inputs as this could lead to injury or death.
The EAP 300 must be instal
led in accordance with the NEC (United States) or the CEC
(Canada) standards.