
OPERATINGAND MAINTENANCE INSTRUCTIONS
Introduction
This manual has been prepared to assist and instruct you in the proper maintenance and operation of
your machine. Please bear in mind that you TERRCO®7500 machine is a precision piece of machinery
manufactured to exacting standards. In order for you to obtain maximum use of your machine, we sug-
gest that you read this manual completely and thoroughly before attempting to operate your machine.
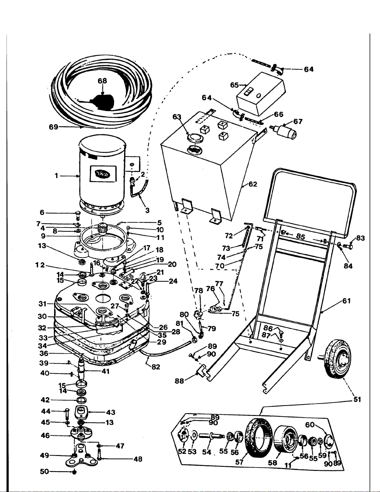
When ordering parts always give the machine number and model number along with the part number to
ensure you get the correct part.
PRELIMINARY PROCEDURES TO FOLLOW BEFORE PUTTING THE
MACHINE IN OPERATION FOR THE FIRST TIME
A. Delivery of Machine
1. On delivery the contractor should very carefully examine the shipping crate to see that is has
not been mishandled. Before accepting the shipment, uncrate the machine and very carefully
examine same to see that no part of the machine is damaged. If damage is noted, request an
inspection immediately and request a copy of the claim report. When accepting the machine
from the delivering carrier, note the damage on the bill of lading before signing same.
2. TERRCO®will not honor any claims for broken, damaged or missing parts that may have
occurred in shipping, as each machine is checked and inspected for same before leaving our
plant.
B. It is not necessary to lubricate the machine as the machine is fully lubricated at the
factory.
ON THE JOB INSTRUCTIONS
A. Installation Instructions
Stones and Clips
1. Remove the weights.
2. Using the flop handle, tip the machine back to the floor so that the handle lays on the floor.
3. Clean stone mounting surface.
4. To install the 2” diameter plug stones, push stone in hole and give the stone a twist to be
certain it is securely in place. The diamond plug stones are installed the same way with the
addition of inserting the safety clip.
5. After the stones are installed raise the machine until it is in operating position with all stones
on the floor and replace the removable weights.
6. CAUTION! NEVER ATTEMPT TO START THE MACHINE WHILE LOWERING TO
THE FLOOR, AS THE REAR STONES WILL STRIKE ON THE CORNERS RESULTING
IN THROWN STONES AND POSSIBLE DAMAGE TO THE MACHINE.