
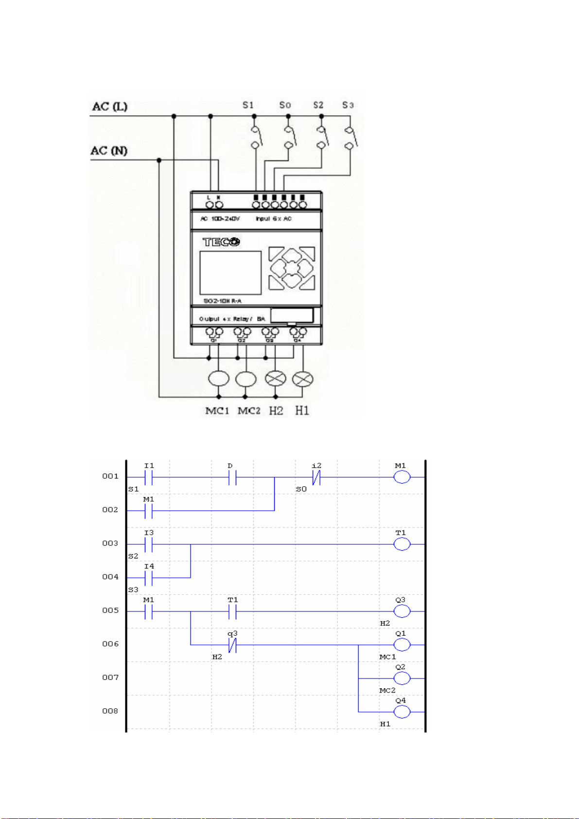
Application Illustration
1. Lighting Control for Staircase
1.1 Requirement for Staircase Lighting
yWhen someone goes up-stair or down-stair, the lighting system shall be energized to
provide sufficient luminance.
yAfter the walker passes the staircase, lighting system shall be turned off in five
minutes automatically or manually.
1.2 Traditional Lighting Control
There are two traditional controls available:
yApply pulse relay
yApply automatic timer to control the lighting system on the staircase
Components Applied
zSwitches
zAuto lighting system or pulse relay for staircase
Applying the pulse relay as controller for staircase lighting system
yThe lighting is on as long as any switch is turned on.
yPress any switch again to turn off the lighting system.
Shortcoming: It is a frequent weak point for the person to forget turning off the light at
most cases.
- 1 -