
www.tanakapowerequipment.com
PARTSINFORMATION
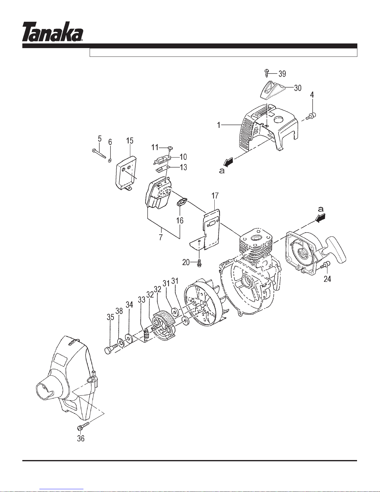
Page 4
TPE-250PF
FUEL SYSTEM • FIGURE 3
ITEM PART NUMBE
DESCRIPTION QTY COMMENTS
3-80 4030702021 GASKET,INLET MANIFOLD 1
3-81 4040702090 INSULATOR SET 1
3-82 99416050241 SCREW 5x24WS 2
3-85 4020656A200 GASKET 1
3-86 5280652N21 VALVE,CHOKE 1
3-88 4230652N80 BODY,AIR CLEANER 1
3-89 4460652N20 CLEANER,ELEMENT 1
3-90 4520304690 COVER,AIR CLEANER ASS
1
3-91 4500702480 BOLT,CLEANER COVER 1
3-94 99011050552 SCREW,5X55 2
3-95 99210050012 WASHER,S,5 2
3-96 99200050011 WASHER,SMALL,5 2
3-98 4550304590 CARBURETOR SET 1 Includes carburetor gaske
3-99 5230652N20 LEVER,CHOKE 1
3-100 5910304520 TANK,FUEL 1
3-109 65900801200 COLLAR 3
3-110 53432710200 GROMMET,FUEL PIPE 1
3-111 70003005065 PIPE,FUEL,3X5X65 1
3-112 6750404280 FILTER,FUEL 1
3-113 68000731201 CLIP 6.3 1
3-114 2230162V900 PIPE,FUEL,ASS'Y 1
3-115 99463050205 BOLT,HEX,5X20PS 1
3-116 99463050204 BOLT, HEX 5X20 2
3-117 5950300290 CAP,TANK (BLACK/RED) 1
3-118 99075040154 SCREW,TAPPING,4X15 1
3-119 99201040011 WASHER,4 1