
1 I56-0758-016
06-10
SPECIFICATIONS
Dimensions: 4.6˝ H × 2.75˝ W × 1.8˝ D
Weight: 0.24 Lbs.
Power Requirements
Power LED (Green): 14 – 35 VDC, 12 mA maximum
Alarm LED (Red): 2.8 – 32 VDC, 12 mA maximum
Alarm Response Time: 40 seconds maximum
Temperature: –10°C to 60°C (14°F to 140°F)
Humidity: 95% relative humidity, noncondensing Max
Listing: UL, FM, CE
RTS151KEY(A)
Remote Test Station
INSTALLATION AND MAINTENANCE INSTRUCTIONS
I56-0758-016
3825 Ohio Avenue, St. Charles, Illinois 60174
1.800.SENSOR2; Fax: 630.377.6495
www.systemsensor.com
NOTE: RTS151KEY(A) replaces RTS451KEY.
NOTICE: This manual shall be left with the owner/user of this equipment.
NOTE: A test coil is required only for use with D2/DNR/DH400/DH500 mod-
els.
For D2 models order part # DCOIL. For DH400/500 models order part #Coil.
GENERAL INFORMATION
The System Sensor RTS151KEY(A) is an automatic fire detector accessory de-
signed to test remotely located duct and beam detectors. For 4-wire detec-
tors, the RTS151KEY(A) features a multi-colored LED that alternates between
steady green and red. Green indicates power and that the detector board is
in place. Red indicates alarm. For 2-wire detectors, the LED will show red for
alarm. Consult the detector installation instructions for additional informa-
tion.
The National Fire Protection Association has published codes, standards, and
recommended practices for the installation and use of this product. It is rec-
ommended that the installer be familiar with these requirements, with local
codes, and any special requirements of the local authority having jurisdiction.
RTS151 CONTENTS
1 RTS151KEY(A) remote test station
1 screw pack (2 mounting screws)
2 Keys
OPERATION
Test Function
Insert the key and turn clockwise to the “TEST” position.
Alarm Indication
With the key in the “TEST” position, some time will elapse (40 seconds maxi-
mum) depending on the detector type, before the alarm indicating LED will
turn red.
Reset Function
Turn the key counterclockwise to the “RESET” position and hold. The LED
should turn off. Then, turn the key back to the “NORMAL” position and re-
move. The RTS151KEY(A) is capable of resetting only certain models of detec-
tors. Refer to the detector installation instructions for additional information.
Wiring Instructions
Consult the appropriate detector installation instructions for the applicable
wiring diagram. The RTS151KEY(A) mounts to a single gang box (2 1/2˝ mini-
mum depth), or directly to the wall or ceiling.
In Canadian applications, the RTS151KEY(A) is intended to be located in the
same room as the smoke detector and within 60 feet of the unit.
H0195-01
H0582-21
FIGURE 1. RTS151KEY(A)
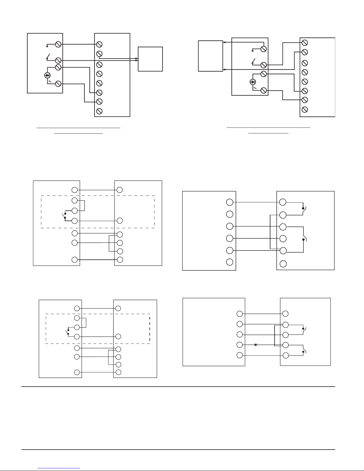
FIGURE 2: WIRING DIAGRAM FOR RTS151KEY(A) TO D4120 4-WIRE
DUCT SMOKE DETECTOR:
19
20
15
2
6
1
5
4
3
D4120
RTS451KEY(A)
(GREEN LED)
POWER
(RED LED)
ALARM
FIELD
INSTALLED
JUMPER
11
2
AUX OUT +
AUX OUT –
ALARM
R TEST
R RESET
14
3
SUP, NO
SUP, C
* Sup. contacts cannot be used if they are wired to control panel.
*
FIGURE 3: WIRING DIAGRAM FOR RTS151KEY(A) TO DNR 2-WIRE DUCT
SMOKE DETECTOR WITH REMOTE TEST CAPABLE HEAD:
H0633-00
RTS451/RTS451KEY
RTS151/RTS151KEY
JUMPER
4
5
3
2
1
TEST COIL +
TEST COIL –
COMM +
(CONV ONLY) +
COMM –
RA/RTS –
RA +
RTS +