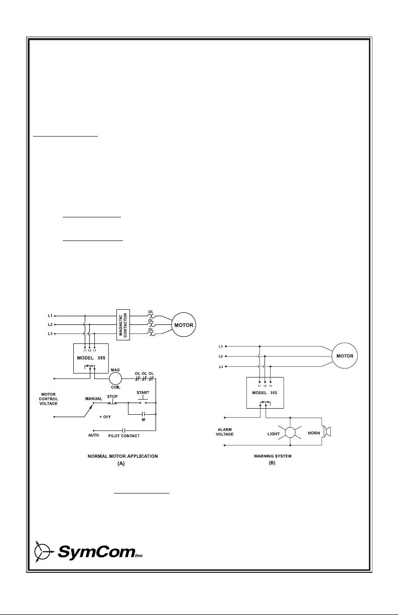
SETTINGS
1. LINE VOLTAGE ADJUSTMENT: Rotate the LINE VOLTAGE ADJUSTMENT to the nominal
three-phase line voltage feeding the motor to be protected.
. RESTART delay: Rotate the RESTART delay to the desired position. The restart delay is the time
between MotorSaver seeing acceptable power and MotorSaver closing its output contacts. For
compressor applications, the restart delay should be set for the approximate time it takes for the
head pressure to bleed off of the compressor. For other applications, the restart delay is typically
set at seconds.
The manual position on the restart adjustment can be used as a manual reset after any fault
condition, or loss of incoming power. To utilize this feature, rotate the restart adjustment to " " and
allow the run light to come on steady. Then rotate the restart adjustment back to the manual mode.
If a power fault occurs after this sequence, the unit will remain off with the corresponding fault light
on until the restart delay is removed from the manual position.
3. UNBALANCE TRIP: Rotate the UNBALANCE TRIP to the desired voltage unbalance trip level.
The NEMA MG1 standard does not recommend operating a motor above a 1% voltage unbalance
as determined by the following formula without derating the motor.
% Voltage Unbalance = [(Maximum Deviation from the Average) / Average] x 100%
The NEMA MG1 standard also recommends against operating a motor above a 5% voltage
unbalance under any circumstances. Therefore, a 5% setting on "UB" is a good place to start but
SymCom recommends consulting the motor manufacturer for specific tolerances.
4. TRIP DELAY ADJUSTMENT: Rotate the TRIP DELAY ADJUSTMENT to the desired setting. The
adjustment does not affect the trip delay on a single-phasing fault. Typically, the TRIP DELAY
ADJUSTMENT is set to 4 seconds. In areas where voltage fluctuations are frequent, the TRIP
DELAY ADJUSTMENT may be set between 10 and 0 seconds.
POWER-UP
Turn on the power to the motor. The green RUN LIGHT will blink during the RESTART delay. After the
RESTART delay, MotorSaver will energize its output contacts and the green RUN LIGHT will light. If the
contacts do not energize and the RUN LIGHT does not light, then see the Trouble-Shooting section.
VOLT. ADJ.
(VAC)
UNBALANCE
TRIP (NEMA %)
8
2
38 48
46
44416
4
5
3
3
1
2
2
15
SymCom. Inc.
Rapid City, SD
L1 L2 L3
38 -48 VAC, 3Ø, 5 /6 HZ
MODEL 355
OVER
VOLT.
PHASING
FAULT
UNDER
VOLT.
RUN
PILOT DUTY RATING
47 VA AT 6 VAC
MAN
TRIP
DELAY
(SEC)
RESTART
(SEC)