SVT SVT-WIFI Manual de usuario

SVT-WIFI Video Intercom System A
User Manual
Please read this user manual prior to installing the system, and keep it well for future use.

CONTENTS
1. Parts and Functions............................................................................................. 1
2. Terminal Descriptions .......................................................................................... 1
3. Specification ...................................................................................................... 2
4. Mounting .............................................................................................................. 2
5.System Wiring and Connections.......................................................................... 3
5.1 System Wiring Diagram.................................................................................. 3
5.2 Electric Door Lock Connection ....................................................................... 4
6. Setup ................................................................................................................... 4
6.1 Wi-Fi Wireless Connection .................... ........................................................5
6.1.1 iPhone/iPad users ..................................................................................... 5
6.1.2 Android users ............................................................................................6
6.2 RJ45 Ethernet Cable Connection ................................................................. 7
6.3 How to add additional users to the SVT-WIFI Outdoor Station..................... 7
6.4 How to reset the SVT-WIFI Outdoor Station to factory default..................... 8
7.System settings....................................................................................................8
8.User Guide (Control Cam App).......................................................................... 10
Talking/Unlocking the door/gate/Monitoring/Image Capture/Video Recording...10
9.Power Supply ...................................................................................................11

-1-
1.Parts and Functions
2.Terminal Descriptions
Front View Rear View
LED Light
Speaker
Camera
Name Plate Call Button
Microphone
RJ45
Ethernet Cable
Antenna
Doorbell
Exit Button
Power Supply
Electric Door Lock

-2-
3.Specification
Lock Power supply:
NO, COM, NC
Unlocking time:
Working temperature:
Max. 13V dc 1.4A
Must be used according to the lock.
01 – 99 seconds
-13°F to 149°F / -25°C to 65°C
4.Mounting
160-165cm
1 2
Wi-Fi: Wireless connection.
Connect the antenna to enable Wi-Fi connection
RJ45: Ethernet cable connection.
Connect the Ethernet cable to a modem when
Wi-Fi is out of the range of your Wi-Fi network.
CN2:
1&2: Exit Button connection.
3, 4 & 5: Door Lock connection.
DOORBELL: External doorbell connection
POWER: Outdoor Station's power supply connection.
Screws Plastic wall plug
System
Wiring
Rain Cover

-3-
1
2
34
5.System Wiring and Connections
5.1 System Wiring Diagram

-4-
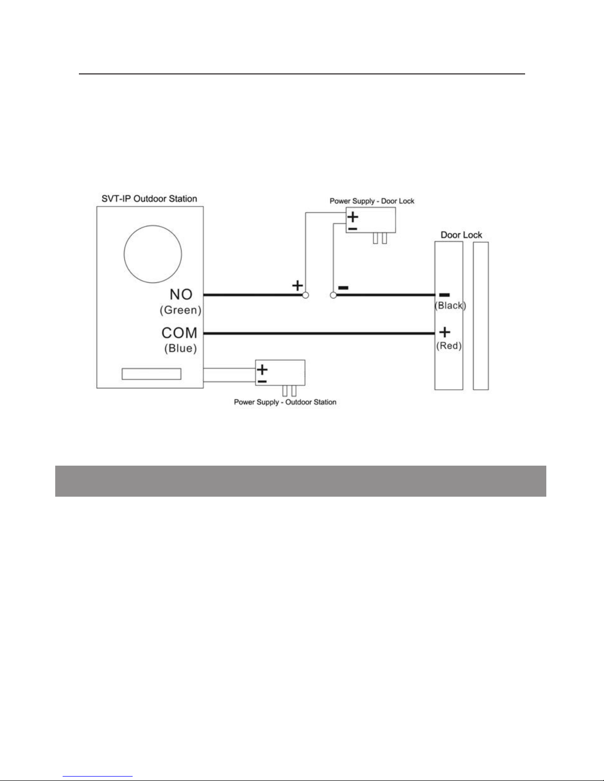
5.2 Electric Door Lock Connection
1. The external power supply must be used according to the lock.
2. The door lock is limited to 13V, 1.4A.
3. An Exit Button can be connected to CN2.
6.Setup
Android users can download the ControlCam App directly from the Google Play Store,
and IOS users can download it from the Apple Store. Both download and usage are
free for SVT Innovations users.
>Download the ControlCam App, and install it in your smart phone or tablet.
>Ensure the Outdoor Station is in the range of your Wi-Fi network.
>Always keep the App updated to the latest version for proper functionality.
ControCam App herein subject to change without prior notice.
4.We recommend soldering the wires together for better results.

-5-
6.1 Wi-Fi Wireless Connection:
>There are two ways to connect the Outdoor Station to the network/router:
1. Wi-Fi wireless connection (Note that ControlCam App works with 2.4Ghz network)
2. RJ45 Ethernet cable connection
6.1.1. iPhone/iPad users:
Step 1: Attach the Antenna to the Wi-Fi pin on the back of the outdoor station;
Step 2: Unplug the SVT-WIFI outdoor station from the electrical outlet. Power it back
ON. Hold the call button for 45 seconds, until the LED light flashes and a "Bi..." sound
is heard;
Step 3: Once the ControlCam App is downloaded and installed, open your iPhone/
iPad Wi-Fi Settings and choose the network listed as "LIDxxxxxxxx" to connect it to
the SVT-WIFI outdoor station (Please note, it may take a few minutes until the
LIDxxxxxx is available as the unit is rebooting);
Step 4: Open the ControlCam App, and tap "Add a Device";
Step 5: Tap "Add a New Device";
Step 6: Tap "Start configuring";
Step 7: Choose the SVT-WIFI system to be configured, then tap "Start configuring";
Step 8: Choose the Wi-Fi network the SVT-WIFI will be connected to, input its
password and then tap "Setting";
Step 9: Input the default User Name (admin) and Password (1234), then tap "OK" to
confirm;
Step 10: Go back to the device list and tap "..." on the top right corner of the screen,
then choose "ON" in the Outdoor call-in option.
Step 11: Return to the main interface. The setup is complete and ready to receive
calls and monitor the SVT-WIFI outdoor station.

-6-
6.1.2. Android users:
Step 11: Return to the main interface. The setup is complete and ready to receive
calls and monitor the SVT-WIFI outdoor station.
Step 1: Attach the Antenna to the Wi-Fi pin on the back of the outdoor station;
Step 2: Unplug the SVT-WIFI outdoor station from the electrical outlet. Power it back
ON. Hold the call button for 45 seconds, until the LED light flashes and a "Bi..." sound
is heard;
Step 3: Open the ControlCam App, and select "Enter Now";
Step 4: Tap "Add a New Device";
Step 5: The ControlCam App will start searching for the SVT-WIFI system to be
configured. Once found, tap on the "LID code" corresponding to the SVT-WIFI system;
Step 6: Tap "Start configuring";
Ensure the option "Smart network switch" is disable on your Android device).
Step 7: Choose the Wi-Fi network the SVT-WIFI will be connected to, input its
password and then tap "OK";
Step 8: Once the configuration is completed successfully, the system will
automatically reboot. Tap "OK" to confirm;
Step 9: Input the default User Name (admin) and Password (1234), then tap "OK" to
confirm;
Step 10: Go back to the device list and tap "..." on the top right corner of the screen,
then choose "ON" in the Outdoor call-in option.

-7-
6.2 RJ45 Ethernet Cable Connection
If you are installing the SVT-WIFI Outdoor Station in a place out of the range of
your Wi-Fi network, you may use the RJ45 Ethernet cable connection instead.
Step 1: Plug in a RJ45 Ethernet cable into the SVT-WIFI outdoor station;
Step 2: Plug in the other end of the RJ45 Ethernet cable into a network router/
modem router;
Step 3: Follow step 6.3 below:
6.3 How to add additional users to the SVT-WIFI Outdoor Station:
Step 1: Open the ControlCam App, select "Enter Now";
Step 2: Select "Add a Network Device";
There are three ways to add additional users to the SVT-WIFI Outdoor Station:
a. LAN Search:
Select "LAN Search" and select the outdoor station that you would like to add.
Input the default user name and password, then select "Ok" to confirm.
b. QR Code Scan:
Select "QR Code Scan", input the default user name and password, then select
"OK" to confirm.
c. Manually Input:
Select "Manually Input", input the outdoor station's GID, then input the
default user name and password. Select "OK" to confirm.
Step 3: Select "..." on the top right corner of the screen;
Step 4: Select "ON" in the Outdoor call-in option. Return to the main interface. The
setup is complete and ready to receive calls and monitor the SVT-WIFI outdoor
station.
Step 5: You can now connect the RJ45 cable to the SVT-WIFI Outdoor Station
and then connect the Ethernet cable to the router.
Step 6: The setup is complete. You can now remove the antenna from the
SVT-WIFI Outdoor Station.

-8-
6.4 How to reset the SVT-WIFI Outdoor Station to factory default:
If the outdoor station has been previously connected to a Wi-Fi router, you must
first reset it to factory default prior to connecting it again to a new Wi-Fi router:
Step 1: Unplug the outdoor station from the power outlet.
Step 2: Power it back on
Step 3: Hold the call button for 45 seconds, until the LED light flashes and a "Bi..."
sound is heard.
7.System settings
The system settings can be reviewed and changed on the "IP Camera
configuration page.
To login, follow the steps below:
Step 1: Login to your router setting page to find the IP address and the Gateway of
the SVT-WIFI Outdoor Station.
Step 2: Open Internet Explorer on your pc and type the IP address into the Address
Bar to open the "IP Camera login page".
Step 3: Login using the same default user name (admin) and password (1234) as
the ControlCam App.
Tabla de contenidos
Otros manuales de Sistema de intercomunicación de SVT






















