
UK
ABS ACTIVE PA SPEAKERS
8 inch version order no. 170.310 10 inch version order no. 170.311
12 inch version order no. 170.313 15 inch version order no. 170.316
Congratulations on the purchase of this SkyTec active speaker box.
Please read this manual carefully prior to using the unit.
TO ENSURE MANY YEARS OF TROUBLEFREE USE, PLEASE OBSERVE THE FOLLOWING
•Hearing damage: Loudspeakers are easily capable of generating high sound pressure levels
(SPL) sufficient to cause permanent hearing damage to performers, production crew and audience
members. Caution should be taken to avoid prolonged exposure to SPL in excess of 90 dB.
•Do not overload the box to avoid damage to the speakers.
•Do not place an open fire (candle, etc.) on top or next to the box - FIRE HAZARD
•Only connect to an earthed mains outlet of 230Vac/50Hz.
•For indoor use only. If the box is used outdoors, you need to make sure that no humidity can enter
the box.
•When not in use, unplug the unit from the mains.
•Unplug the unit from the mains prior to checking or replacing the fuse.
•Make sure that the box is placed on a stable, strong surface.
•The boxes can be stacked but do not put more than 60kg weight on the box.
•The boxes can be hung. Use only strong and approved mounting material. During the mounting,
make sure that nobody is standing below the mounting area.
•Place the stand always on a flat, level, and stable surface and that the legs do not present a trip
hazard.
•Use only stands which are designed to support the weight of the speaker. Do not attempt to place
more than one speaker on a stand designed for a single speaker.
•Route cables so that peoples will not trip over them pulling the speaker over.
•Do not place liquids on the box and protect it against humidity. Humidity can shorten the life time
considerably.
•Only use suitable means of transportation if you want to move the box – BEWARE OF YOUR
BACK !!
•If the unit is damaged to an extent that you can see internal parts, do not plug the unit in a mains
outlet. In this case, please contact SkyTronic UK.
•Always unplug the unit during a thunderstorm or when it is not in use.
•If the unit has not been used for a longer period of time, condensation can occur inside the
housing. Please let the unit reach room temperature prior to use.
•Never try to repair the unit yourself. It does not contain any user serviceable parts.
•Run the mains lead in such a way that nobody can fall over it and nothing can be put on it.
•Only use the supplied mains lead or another lead recommended by SkyTec.
•Set the unit to the lowest volume prior to switching it on
•Keep the unit out of the reach of children.
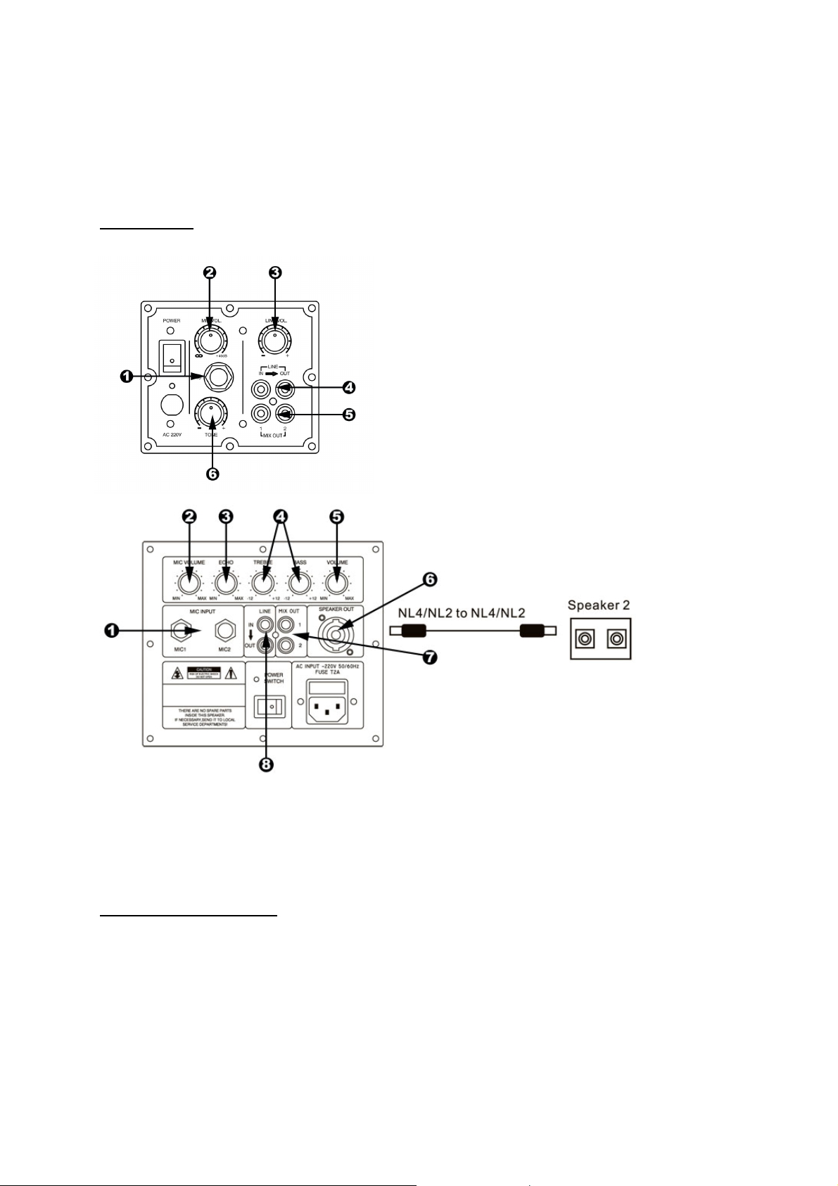
PRODUCT FEATURES
General
- Liquid cooled 35mm titanium-diaphragm compression driver;
- Molded one-piece baffle with integral 90°x60° constant directivity horn;
- Limiter protects the compression driver from overpowering;
- Multi-angle enclosure for flexibility in usage;
- Professional & sturdy ABS enclosure;
- Enclosure and baffle are molded of tough and durable co-polymer material. This range of
speakers is able to withstand high powered impacts;
- A heavy-duty, perforated metal grill protects the woofer;
- Ergonomically designed balanced handle and lightweight enclosure for easy and
comfortable carrying;
- Attachment points for wall or ceiling mount brackets;
- Integral 35mm pole mount receptacle with securing thumb screw.