
SATEL RE-1K / RE-2K
2
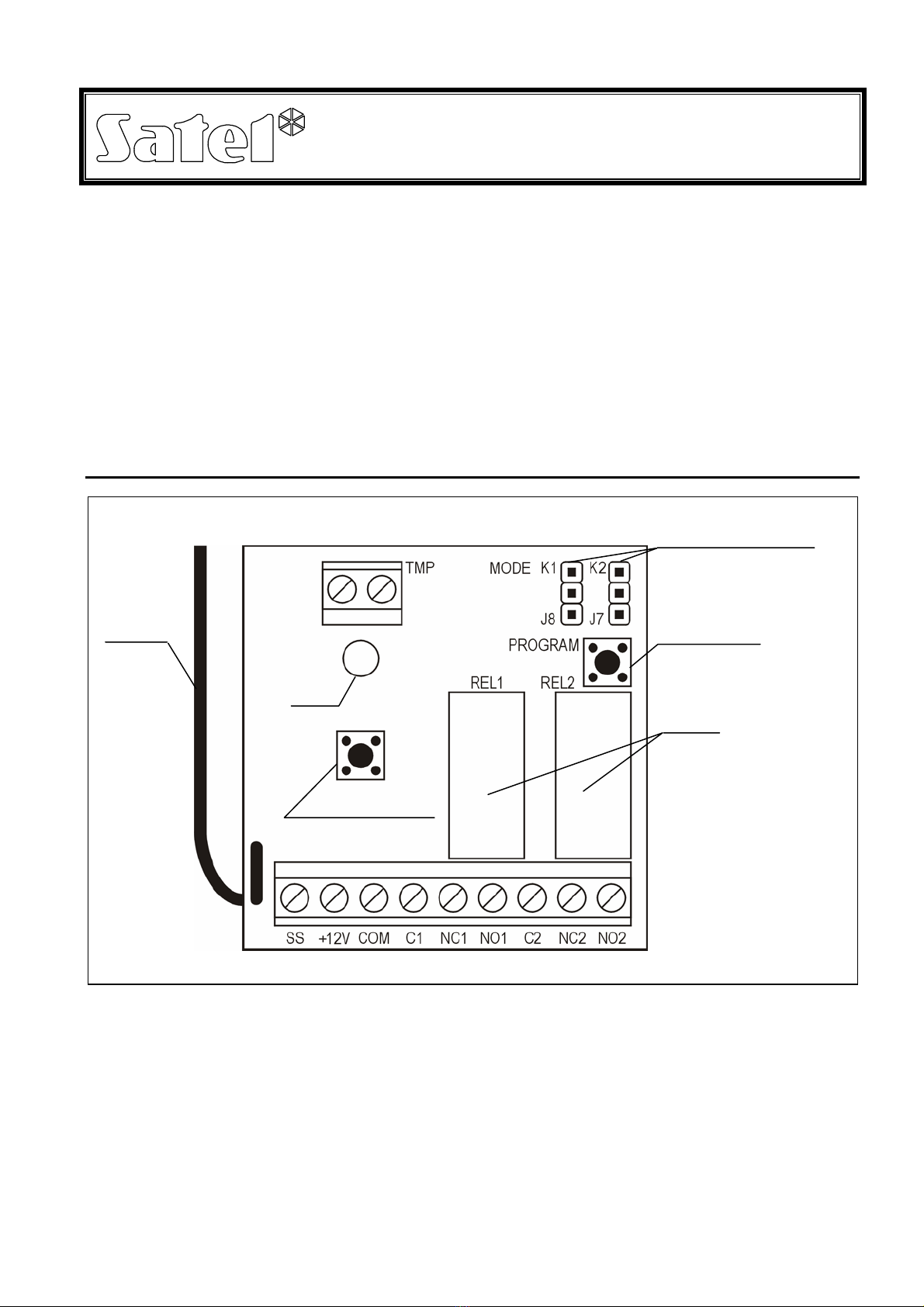
C2 – common terminal, channel 2 relay (RE-2K only);
NC2 – normally closed terminal, channel 2 relay (RE-2K only);
NO2 – normally open terminal, channel 2 relay (RE-2K only);
TMP – tamper contact terminals.
The two-color LED indicates the module operating status and facilitates programming
of the receiver parameters:
•green light – normal operating mode;
•red light – receiving signal from remote key in normal operating mode;
•green blinking light – waiting for the first press of the remote key button when
entering new remote key into the receiver memory;
•red blinking light
−when entering new remote key into the receiver memory – waiting for the second
press of the remote key button;
−after the programming button is held down for at least 7 seconds – clearing the
receiver memory;
−after pressing the remote key button normal operating mode - the remote key
battery is exhausted;
•alternately blinking red and green – programming the monostable relay ON time.
The programming button allows:
•entering remote keys into the receiver memory;
•programming the monostable relay changeover time;
•clearing the receiver memory.
The J8 pins are used to set the operating mode of the first channel relay (K1). The J7
pins (RE-2K only) are intended for setting the second channel relay (K2) operating
mode.
The SS output is OC type output, i.e. it is shorted to ground when active. The output
will signal operation of the relay in pulse and monostable modes, as well as
changeover of the relay in bistable mode. The signaling is effected in the form of three
pulses with duration of 0.16s each. The SS output can be used e.g. to control a siren.
Permissible current-carrying capacity of the SS output is 500mA.
2 Installation
The RE-1K and RE-2K are mounted in a plastic housing. When closing the housing,
be particularly careful so that the programming button is not pressed in by the cables.
It is recommended that the manufacturer specified batteries be used in the remote
keys. The battery status must be periodically checked (e.g. by noting how the LED on
the receiver board lights when the remote key button is being pressed) and, if
necessary, the used batteries must be replaced by new ones.
Notes:
•Do not discard the used batteries. They should be disposed of as required by the
existing regulations (European Union Directives 91/157/EEC and 93/86/EEC).
•Making any construction changes or unauthorized repairs is prohibited. This
applies, in particular, to modification of assemblies and components.