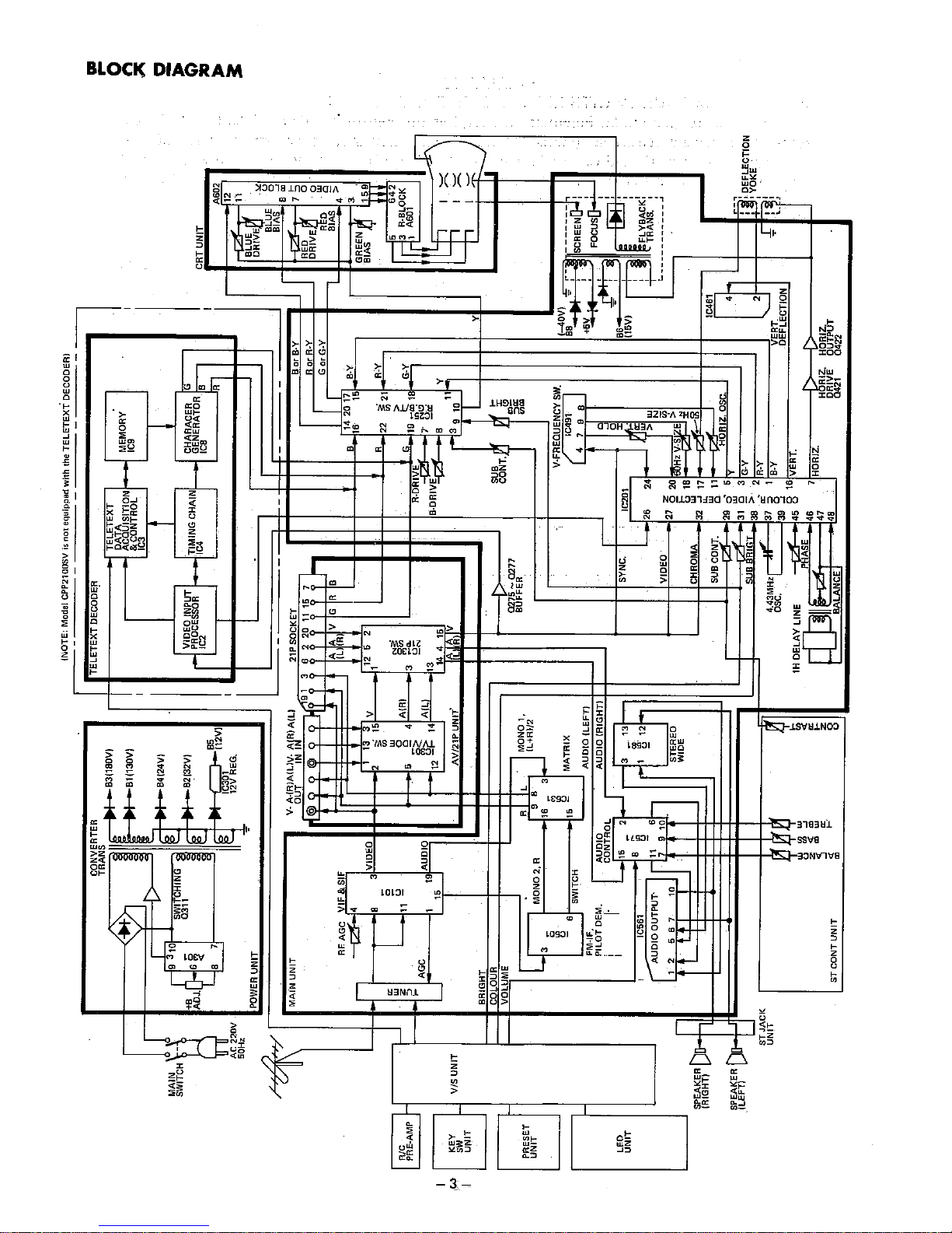
Sanyo CPP2100SV Manual de usuario
Otros manuales de TELEVISOR de Sanyo

Sanyo
Sanyo DS25230 Manual de usuario

Sanyo
Sanyo C21ES35 Manual de usuario

Sanyo
Sanyo DP50741 Manual de usuario

Sanyo
Sanyo CPP2186TX Manual de usuario

Sanyo
Sanyo DS27930, DS32424 Manual de usuario

Sanyo
Sanyo CAP3310TXN Manual de usuario

Sanyo
Sanyo CE28DN5-C Manual de usuario

Sanyo
Sanyo CZP3024 Manual de usuario

Sanyo
Sanyo DS19500 Manual de usuario

Sanyo
Sanyo CZP 3040 Manual de usuario

Sanyo
Sanyo CE42LM4N-NA - CE - 42" LCD Flat Panel... Manual de usuario

Sanyo
Sanyo CE14AT3-GB Manual de usuario

Sanyo
Sanyo DS13310, DS19310 Manual de usuario

Sanyo
Sanyo C14LT77M Manual de usuario

Sanyo
Sanyo CE14AT2-GB Manual de usuario

Sanyo
Sanyo CE15LC3-B Manual de usuario

Sanyo
Sanyo C25EG92F Manual de usuario

Sanyo
Sanyo CZP2510 Manual de usuario

Sanyo
Sanyo C25PP81S Manual de usuario

Sanyo
Sanyo LCD-32XR1 Manual de usuario
Manuales populares de TELEVISOR de otras marcas

Philips
Philips Colour Television Manual de usuario

Toshiba
Toshiba 27A10 Manual de usuario

Philips
Philips 42PF9630A/37 Manual de usuario

Hitachi
Hitachi 32FX48B Manual de usuario

DAEWOO ELECTRONICS
DAEWOO ELECTRONICS DTQ-14V1FC Manual de usuario

Changhong Electric
Changhong Electric uhd55b6000is Manual de usuario

























