
Sensor Bar Touch TEST
How to Enter:
With the power on, pressing Wrinkle Prevent and Temp Keys for
3 seconds. This action will put the dryer into sensor bar touch
data mode. This mode is default mode of entering service mode
Cycle Count Test Mode How to Enter:
To enter cycle count mode press the Wrinkle Prevent in Service
Mode.
Software Version Test Mode
How to Enter:
To enter Special Test Mode press Temp Button until the
control beep. (same for all Frontier models.) ex) In case of
“U105”, U0 means major version “v1“ 05 means minor
version “05
Temperature Test Diagnostic Mode
How to Enter:
Press Adjust Time Up + Down Keys for 7 sec during
Power On State.
Press Adjust Time Up and it will display the temperature
in Celsius.
Compare vent temp to drum temp to see air flow.
This can be with just power on or dryer running.
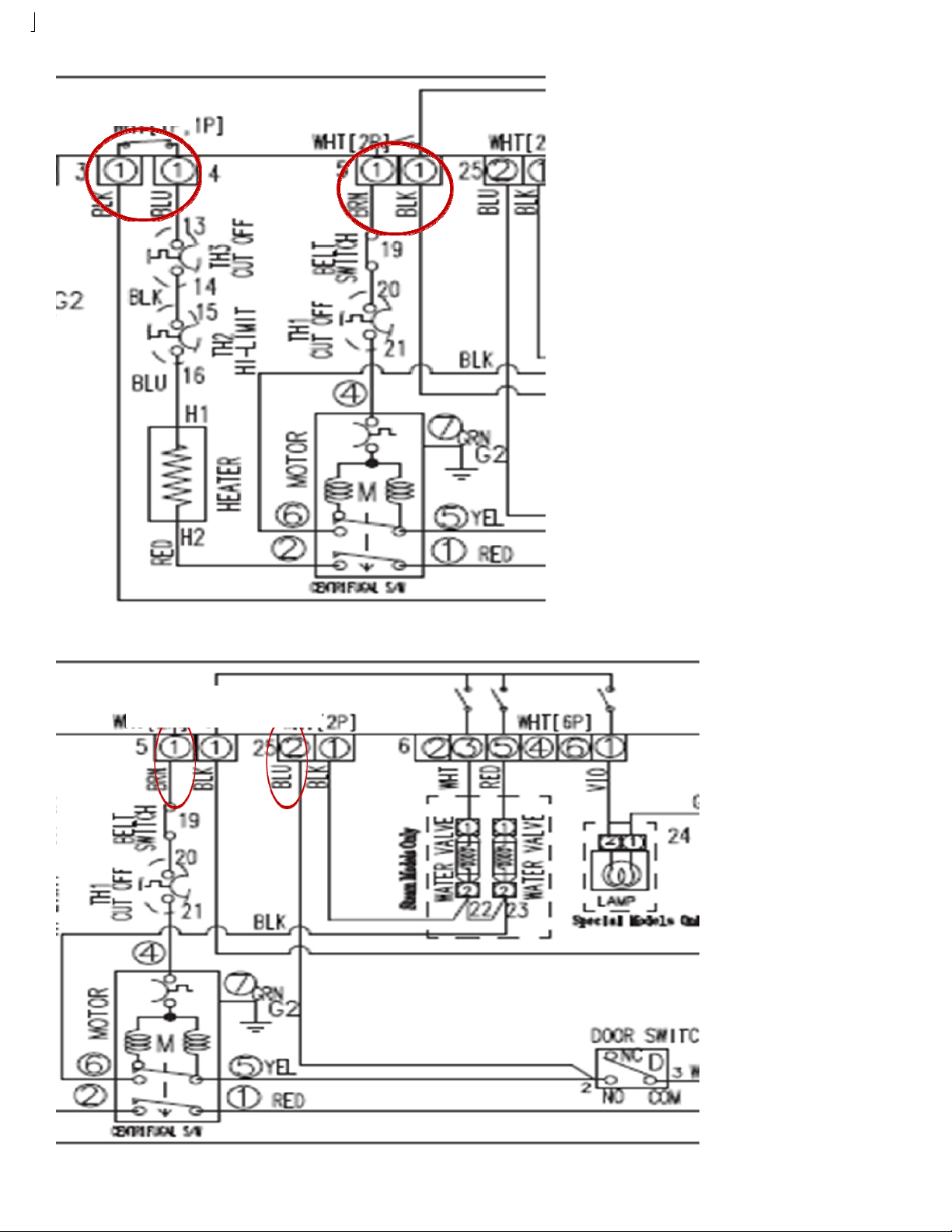
Gas Valve Testing
Unplug connectors and test valve terminals
(its numbering is from the front terminal.)
Check across terminals #1 and #3 (Booster Coil). 550 Ω
Check across terminals #1 and #2 (Holding Coil). 1350 Ω
Check across terminals #2 and #3 (Both coils in series). 1900 Ω
Check across terminals #4 and #5 (Secondary Coil). 1300 Ω
Dryer continues to run after cycle completed
Wrinkle Prevent option provides approximately 90 minutes (20 continuous and 70 intermittent) of tumbling in
unheated air at the end of the cycle to reduce wrinkling. Press the Wrinkle Prevent button to activate or deac-
tivate this feature. The indicator light above the pad will illuminate when Wrinkle Prevent is selected. Chasing
lights appear in the display when the Wrinkle Prevent option is selected. The load is dry, and can be removed
at any time during the Wrinkle Prevent cycle.
SUBJECT: Dryer belt slides off the pulley when
manually rotated counter-clockwise (ccw)
SYMPTOM: The dryer drum will not turn. On occa-
sions, the customer will rotate the drum counter
clockwise (CCW) to check for any remaining
clothes left in the dryer drum. By rotating the drum
CCW, the idler arm may shift causing the belt to
slide off the pulley.
SOLUTION: To prevent the dryer belt from sliding
off the pulley, the pulley has been redesigned.
The Outside Diameter has been changed from
22mm to 27mm.
New
DC81-00220A
Special Test Mode:
Press power button & Dry level buttons
simultaneously will put you in System Check Mode..
Display will show t2
Press Start/Pause to toggle through the following
operations
Motor (CW) relay on— Heater Relay on—- Heater
Relay Off—-Motor (CW) Relay Off
Do not use dryer to dry clothes which have traces of any flammable substance, such as vegetable oil, cooking
oil, machine oil, flammable chemicals, thinner, etc., or anything containing wax or chemicals, such as mops
and cleaning cloths. Flammable substances may cause fabric to catch fire by itself.
Make sure the idler pulley and the
motor pulley are straight in line
with each other, bend to correct
Service Mode:::
To enter Service Mode, press Wrinkle Prevent and Temp Keys for
3 seconds, until it sends out a beeping sound.