
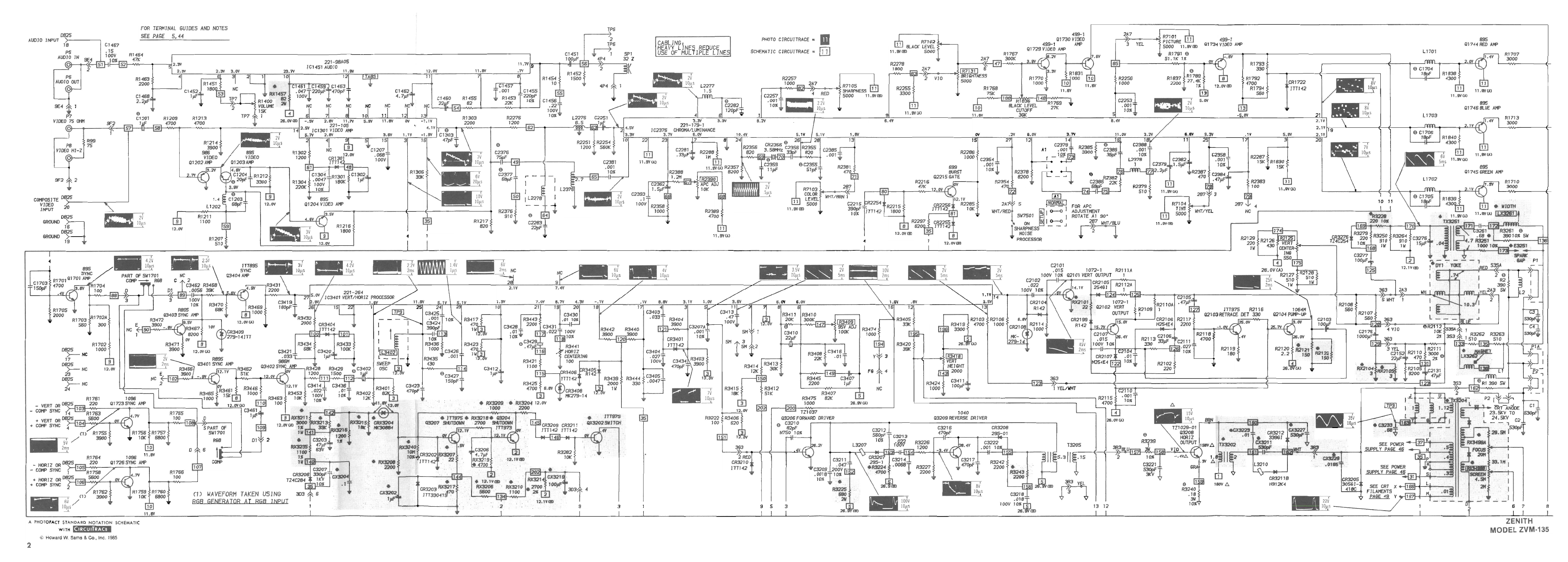
II
PRELIMINARY SERVICE CHECKS (Continued)
SERVICE CHECKS
SEE
INTERCONNEC
TING DIAGRAM,
PLACEMENT
CHART
,
AN
D PHOTOS TO
MATCH
THE
NUMBER
IN
THE
CIRC
LES
WITH
THOSE
IN THE FOLLOWING DATA FOR SERVICE
CHECKS
TO BE PERFORMED.
DEAD MONITOR
(A)
Che
ck
f
or
120VAC b
etwe
en
pins 1 and 3 of Con-
nector
3R8. If v
olt
age is missing, check Power
C
ord
and Conn
ector
3R
8.
(B)
If Po
wer
Cord is good, check Power Sw
itch
(S3201) and Connec
tor
3S8.
(C)
If
the
120VAC is present at
Connector
3R8,
chec
k AC
Fuse
(F
X32
01)
. If Fuse is open,
check
Power
Rectifiers
(CR3231 th
ru
CR
3234)
(D)
If Power
Rectifier
s (CR3231 thru
CR
3234) are
good,
check
t
he
H
or
izontal
Output
Transistor
(03208).
If
Transistor
03208 is defective, replace
it and
check
for
156V at the
collector
of
Tran·
sistor
0320
8.
(E)
If
Transisto
r
03208
is good, but the
156V
at the
colle
ctor
of
Transistor
03208
is
missin
g,
check
for
26.9V at
the
cathode of Diode CR32
24.
(F) If the
26
.9
V is
missing,
replace the Main Board
(9·227).
(G) If
the
26.9V is present and
the
Mo
nitor
still
does
not
op
erate, replace the HV/Horizontal Sweep
Board
(9
·24
7).
NO DISPLAY
(A)
Check
the
RGB/C
omp
Sw
itch
(S
W1701), it may
be
defective
or
in
wr
ong
position
.
(B)
If there is
no
display
when using only c
omposite
video, replace
the
Chroma/Luminance Processor
(IC23
76)
on the AudiolVideo Sync Board.
(C) If
the
video
displa
y does
not
return, replace
the
Au
diolVideo
Sync Board
(9
·
230).
(D)
If
there is no
disp
lay when
using
e
ither
RGB
or
Compos
ite
Video i
np
uts
, ch
eck
fo
r 95V at TP3 on
the
HV/H orizont
al
Sweep Board.
If
the
voltage
is
missing, replace the
HV/Horizontal
Sweep Board
(9
·247).
(E)
Check
CRT and
CR
T
socket
on Video
Output
Board.
CD
NO COLOR
(A)
If there is no
color
when
using
only
comp
o
site
video input, replace
the
Chro
ma/Luminance
Pr
o-
cessor
(I
C237
6)
on
the
Au
diolVideo
Sync board.
(B)
If
the
color
does n
ot
return, replace
the
A
udiolVideo
Sync Board (9·2
30)
.
(C) If there
is
no
color
when
using
RG
B
input,
cheCk
the
Green/Wh
it
e
Switc
h (SW0
01
).
(D)
If only one
color
is
missi
ng, check
the
Video Out·
put
Board by
substit
ut
ion.
@ NO FOCUS
(A) Check
the
Focus
Control
(RX3299A) by s
ubs
titu
·
tion.
(B)
If
the
cha
racters on the
displa
y are
still
out
of
fo
cus
,
check
the
Video Output Board by
substitution.
@ DISPLAY DOES NOT FIT ON CRT
(A)
C
heck
connectors
P1A and
P2
on the W
ith
Board.
(B)
A
djust
Horizontal (
R3
4
41)
and Vertical
(R
212
5)
Centering
controls
.
PRELIMINARY SERVICE CHECKS (Continued)
MISCELLANEOUS ADJUSTMENTS
VIDEO INPUT CUTOFF ADJUSTMENT
Preset the Red (R1708) and
Blue
(R
17
14)
Cutoff
Controls
for
MINIM
UM. Ad
just
Screen
(R
3499
B)
until
a
dim
raster ap·
pears. Ad
just
each
Cut
off
Control
until
a gray raster is ob·
tained. Readjust
the
Screen
Control
until
raster
just
disap
·
pears.
APC ADJUSTMENT
Connect
a
color
bar signal gener
ato
r to the
Vi
deo
Input
75
Ohm Ja
ck
(P7)
. R
otate
Service Plug (A
1)
90 degrees
to
Color
Set
·U
p
position
. Ad
just
A
PC
C
ontr
ol
(R
2390)
for
MINIMUM
movement of color. Return Plug A1
to
Normal
position
.
RGB
CUTOFF ADJUSTMENT
Preset the Red (R2505
),
Green
(R2
516
),
and Blue
(R
2527)
Cutoff
Co
ntrols
for
MINIMU
M.
Ad
jus
t Screen Control
(RX3499B)
until
a
dim
r
aster
appears. Adjust each
Cuto
ff
Control
until
a gray raster is
obta
ined. Readjust Con
tr
ol
RX3499B
until
raster disappear
s.
RGB
DRIVE ADJUSTMENT
Connect a video generator to Video
Input
75 Ohm Jack (
P7)
.
Set
vi
deo generator
for
an
al
l
white
raster signal. Adjust
the
Red (R2506), Green
(R
251
7)
and Blue (
R2
5
28)
Drive
Controls
for
a
white
raster.
VERTICAL CENTERING AND HEIGHT ADJUSTMENT
Adjus
t Screen
Control
(R
X3499B)
until
a ras
ter
appears. Ad·
just
Vertical
Heigh
t
Control
(R3418) and the Ver
tical
Center·
ing Con
trol
(R
21
25)
so the
top
of raster is 1/2
inch
from
to
p
of CRT
an
d the bo
tt
om
of
raster is 1/2
inch
from
bottom
of
CRT. Readju
st
Control
(R
X3499B)
until
raster disappears.
SWEEP OSCILLATOR ADJUSTMENT
Ad
just
Sweep
Oscill
ator
Coil
(L
3402) for a
stable
picture
.
4
POi
f:
SiATiC
MACN[
r
95V ADJUSTMENT
Connect
a
DC
meter
to TP3 (pin G
of
Horizontal Ou
tput
Transformer
TX320
4).
A
djus
t 95V
Adjust
Co
ntrol
(R3
409)
for
95V.
PURITY ADJUSTMENT
If the CRT appears
to
be magnetized use a degaussing
coil
to
demagnetize the CRT and
mounting
brackets. If neces·
sary,
perfo
rm
center
convergence. Before proceeding
with
the
purit
y adju
st
ment
, the Screen
Control
(RX3499B)
must
be
adjus
te
d.
Set the Color Level, Bl
ack
Lev
el
and
Picture
Cont
rols
to
MINIM
U
M.
Se
t
the
Red (R2505), Green
(R251
6)
and Blue
(R
2527) C
utoff
Controls
to
MINIMUM. Advance
Screen Co
ntrol
until
a
dim
raster appears. Advance the
Green
Cutoff
, Black Lev
el
and P
ictu
re Con
tro
ls to pro
duce
a
green
scr
een. Move
def
lection
yo
ke
back to pr
oduce
a
green s
tr
ipe. Ad
just
the Purity Tabs
to
center
the green
stripe. Turn Green Cuto
ff
C
ontr
ol to MINIMUM. Advance
the
Re
d
Cutoff
Control to
produce
a red stripe. Slide
the
defle
ctio
n yoke
for
ward
until
a
uniform
red screen is obtain·
ed. If necessary, r
ea
d
just
the
Purity
Tabs to
obtain
a pure
red screen. Check the
purity
of all three
colors
by advanc·
ing each
Cutoff
Control
one at a time.
CONVERGENCE ADJUSTMENTS
Connect
a
cross
hatch
generator
to
the Video
Input
75
Ohm
Jack
(P7
) and tune in a
crossh
a
tch
patte
rn. R
ot
ate
the
Tabs
of
the
Four Pole
Static
Ma
gnet
to
converge the Red and
Blue
Horizontal
Lines. Rotate
the
Tabs
of
the
F
our
Pole
Static
Magnet around the neck
of
the CRT to converge the
Red and
Blue
Vert
ic
al Lines. Rotate the Tabs of the Six Pole
S
tatic
M
agnet
to
converge the Red/Blue and Green Horizon·
tal Lines. Rotate the Tabs
of
the Six Pole St
atic
Magnet
around the neck of the CRT to converge the Red/Blue and
Green Vertic
al
Lines.
PU
RiTY
MAG:-.iHS
POLE
Sf
ATle
MAGNc
T
CRT NECK ASSEMBLY
@
®
@A
R3499B
SCREEN
95V
TP
HV/HORIZONTAL
SWEEP BOARD