
3342
8D
4.3 EINSTELLUNG DES BRENNERS
Um eine optimale Brennereinstellung zu erhalten, muss die Abgasanalyse am Ausgang des Heizkessels ausge-
führt werden. In Übereinstimmung mit der Wirkungsgradrichtlinie 92/42/EWG müssen die Anbringung des Bren-
ners am Heizkessel, die Einstellung und die Prüfung unter Beachtung der Betriebsanleitung des Heizkessels
ausgeführt werden, einschließlich Kontrolle der Konzentration von CO und CO2in den Abgasen und der Abga-
stemperatur.
Der Reihe nach folgendes überprüfen:
- Höchstleistung;-Mindestleistung;-Zündleistung.
Die Höchstleistung muss der vom verwendeten Generator geforderten entsprechen. Um ihren Wert zu erhö-
hen oder zu verringern den Trimmer MAX. am Steuergerät betätigen (Abb. 5).
Den Gasdurchsatz am Zähler messen, um die Brennerleistung genau zu messen.
Mittels eines Rauchanalysators den Wert von
CO2
oder
O2
messen, um die Einstellung des Brenners zu optimieren.
Die korrekten Werte lauten: CO28,5…9% oder O25…5,5%.
Zur Korrektur dieser Werte das Gasventil wie folgt betätigen:
- Um den Gasdurchsatz und CO2zu erhöhen: die Schraube V1 entgegen dem Uhrzeigersinn drehen (lösen).
- Um den Gasdurchsatz und CO2zu verringern: die Schraube V1 im Uhrzeigersinn drehen (festziehen).
Die Mindestleistung muss der vom verwendeten Generator geforderten entsprechen. Um ihren Wert zu erhö-
hen oder zu verringern den Trimmer MIN. am Steuergerät betätigen (Abb. 5).
Den Gasdurchsatz am Zähler messen, um die Brennerleistung genau zu messen.
Mittels eines Rauchanalysators den Wert von CO2oder O2messen, um die Einstellung des Brenners zu optimieren.
Die korrekten Werte lauten: CO28,5…9% oder O25…5,5%.
Zur Korrektur dieser Werte das Gasventil wie folgt betätigen:
- Zur Erhöhung des Durchsatzes von Gas und CO2: die Schraube V2 im Uhrzeigersinn drehen (festziehen)
- Zur Verringerung des Durchsatzes von Gas und CO2: die Schraube V2 entgegen dem Uhrzeigersinn drehen
(lösen).
Die Zündleistung kann durch Betätigen des Trimmers START am Gerät (Abb. 5) verändert werden.
4.4 FLAMMKOPF
Der Flammkopf besteht aus einem Zylinder mit hoher Wärmebe-
ständigkeit, in dessen Oberfläche zahlreiche Bohrungen ausge-
führt sind und der mit einem Metallmaschennetz umwickelt ist.
Die Luft-Gas-Mischung wird in den Zylinder geschoben und tritt
durch die Bohrungen in der Oberfläche aus dem Kopf aus. Die
Verbrennung beginnt mit der Zündung der Luft-Gas-Mischung
mittels Funken der Elektrode. Das Metallmaschennetz ist das
grundlegende Element des Flammkopfes, da es die Brennerleistungen stark verbessert. Die auf der Flammkop-
foberfläche entwickelte Flamme ist beim Höchstbetrieb einwandfrei am Maschengitter eingehängt und haftet an
diesem an. Das ermöglicht hohe Modulationsverhältnisse bis 6:1 und verhindert die Gefahr eines Flammrück-
schlags bei Modulationsminimum. Die Flamme ist durch eine sehr kompakte Form gekennzeichnet, die es ermög-
licht, einen Kontakt zwischen Flamme und Heizkesselelementen und daher eine schlechte Verbrennung zu
verhindern. Die Form der Flamme ermöglicht die Entwicklung kleiner Brennkammern, die dieses Merkmal nutzen.
IONISATIONSSTROM
Der Betrieb des Steuergerätes erfordert einen
Ionisationsstrom von mindestens 5 ±A.
Der Brenner gibt einen eindeutig höheren
Strom, daher ist gewöhnlich keine Kontrolle
erforderlich. Wenn man den Ionisationsstrom
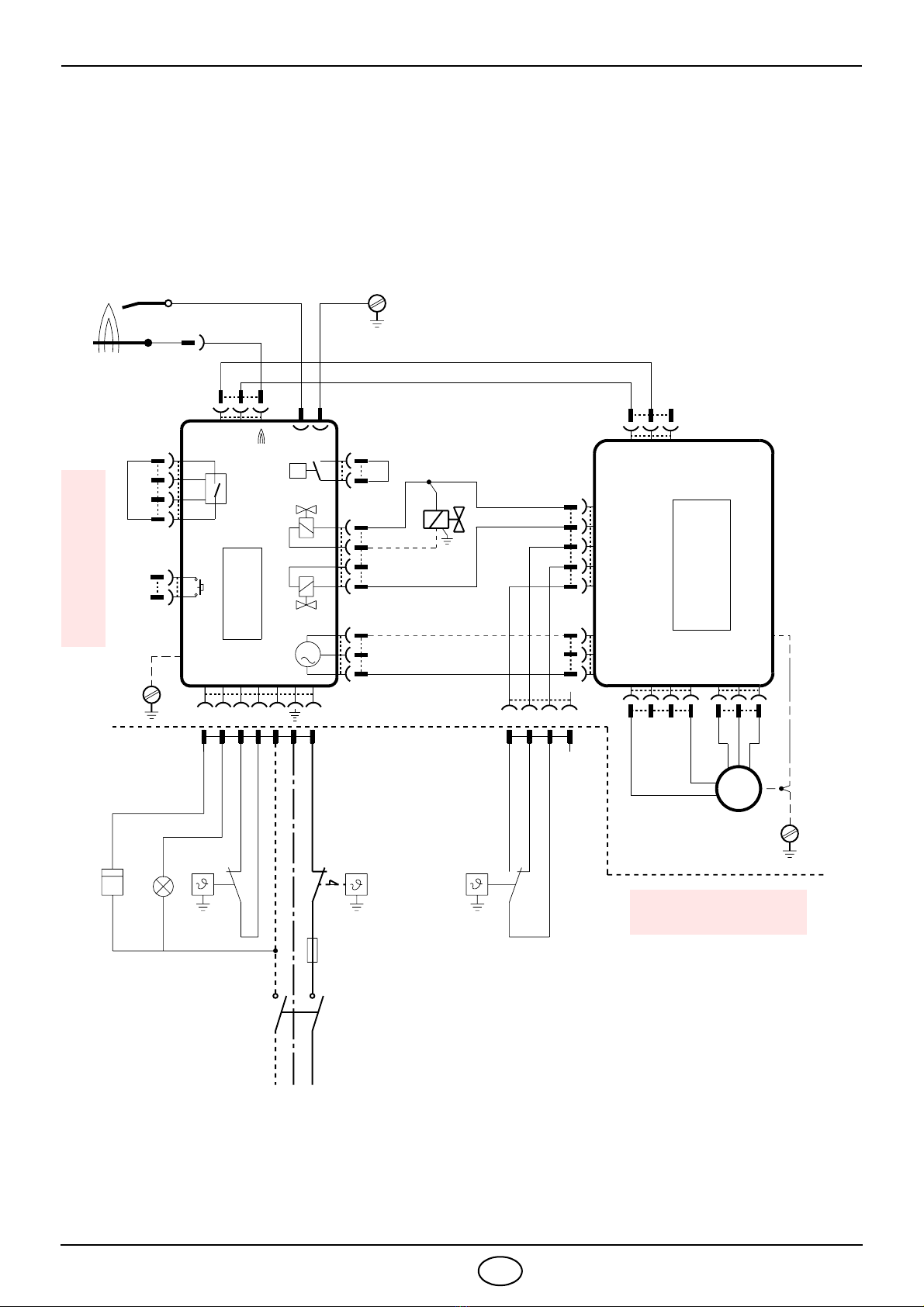
trotzdem messen will, muss der Verbinder
(CN1) (siehe Verdrahtungsschema auf Seite
6) im roten Draht geöffnet und ein Mikrostrom-
messer eingeschaltet werden.
HINWEIS: der Regelbereich für den START reicht von Kerbe 0 bis Kerbe 5 (4.500 U/min.). Bei Über-
schreitung des letzten Wertes startet der Brenner nicht.
Fühler
Verbinder
D7256
Steuergerät