1οΣΤΑΔΙΟ (Ρυθμίσεις και έλεγχοι)
1 - Απεμπλέξτε τους κινητήρες
2 - Ρυθμίστε τα μηχανικά σημεία κράτησης μετακινώντας χειροκίνητα την πόρτα στις θέσης πλήρους
ανοίγματος και πλήρους κλεισίματος
3 - Ελέγξτε το σωστό σφίξιμο των σημείων κράτησης
4 - Τοποθετήστε τις πόρτες σε μέση θέση, δηλαδή ξαναμπλοκάρετε τους κινητήρες.
Κινήστε ελαφρά τις πόρτες (χειροκίνητα) έτσι ώστε τα γρανάζια να μπλοκάρουν.
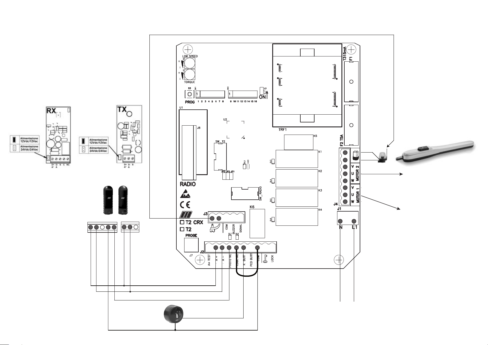
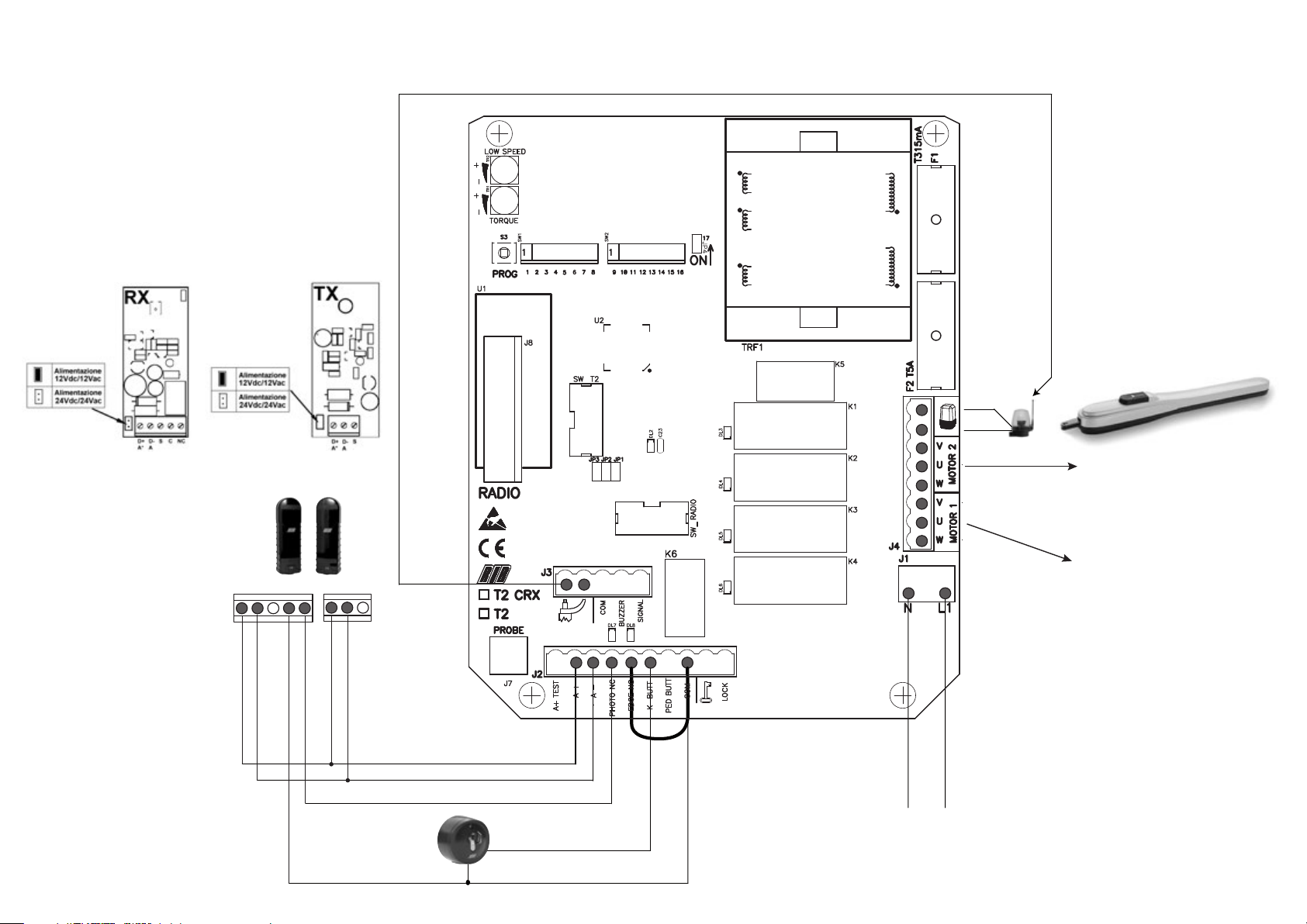
5 - Ρυθμίστε όλους τους μικροδιακόπτες των SW1 και SW2 στο OFF και το dip 7-14-16 του SW1 στο ON
(με ηλεκτρικό κλείσιμο ρυθμίστε επίσης τα dip 8-9-10 στο ON)
6 - Ρυθμίστε το DIP 1 στο ON. Το led DL1 αναβοσβήνει.
7 - Πιέστε PROG και κρατήστε το πιεσμένο. Τα led DL5 και DL3 που βρίσκονται στο πλάι των ρελέ ανάβουν. ΟΜ1 και
μετά οΜ2 πρέπει να ανοίξουν εφόσον το PROG παραμένει πιεσμένο.
Μετά 10 δευτερόλεπτα ηαργή ταχύτητα τίθεται σε λειτουργία.
Για να ρυθμίσετε την αργή ταχύτητα προχωρήστε σε ρύθμιση του trimmer LOW SPEED.
Περιστρέψτε το trimmer TORQUE δεξιόστροφα για να αυξήσετε την ισχύ
(εάν είναι απαραίτητο).
8 - Απελευθερώστε το πλήκτρο PROG. Αντιστρέψτε τα V και W του/των κινητήρα/ων που κλείνει/ουν,
για να αποκαταστήσετε τη σωστή φορά κίνησης.
9 - Πιέστε PROG και κρατήστε το πιεσμένο. Τα led DL4 και DL6 που βρίσκονται στο πλάι των ρελέ ανάβουν. Ο
Μ2 και έπειτα οΜ1 πρέπει να κλείσουν. Κρατήστε πατημένο το PROG έως ότου ολοκληρωθεί πλήρως το
κλείσιμο.
10 - Ρυθμίστε το DIP1 στο OFF. Το led DL1 παύει να αναβοσβήνει.
2° ΣΤΑΔΙΟ (Προγραμματισμός των χρόνων πλήρους ανοίγματος)
1 - Οι δυο πόρτες είναι κλειστές. Ρυθμίστε το DIP 2 στο ΟΝ. Το led DL1 αναβοσβήνει.
2 - Πιέστε το PROG. Ηπρώτη πόρτα ανοίγει καταγράφοντας τουςχρόνους (οΜ2 παραμένει σταματημένη
κλειστή)
3 - Αφού οΜ1 έχει ολοκληρώσει το άνοιγμα, αναμείνατε 2 δευτερόλεπτα και πιέστε PROG (οι χρόνοι
του Μ1 έχουν αποθηκευτεί στη μνήμη)
4 - Ηδεύτερη πόρτα αρχίζει να ανοίγει καταγράφοντας τους χρόνους.
5 - Αφού οΜ2 έχει ολοκληρώσει το άνοιγμα, αναμείνατε 2 δευτερόλεπτα και πιέστε PROG (οι χρόνοι του Μ2 έχουν αποθηκευτεί στη
μνήμη)
6 - Περιμένετε να περάσει οεπιθυμητός χρόνος αναμονής πριν να επέλθει το αυτόματο κλείσιμο και μετά πιέστε το πλήκτρο PROG.
7 - ΟΜ2 κλείνει. Όταν ηδιαφορά φάσης μεταξύ των πορτών είναι τέτοια ώστε αυτές δεν θα αλληλεπικαλυφθούν όταν κλείσουν, πιέστε
το PROG για να κλείσει οΜ1.
8 - ΟΜ1 κλείνει χωρίς κίνδυνο αλληλοεπικάλυψης του Μ2. Το DL1 παύει να αναβοσβήνει.
9 - Οι δυο κινητήρες έχουν σταματήσει, οι χρόνοι τους έχουν αποθηκευτεί στη μνήμη
10 - Ρυθμίστε το DIP2 στο OFF.
3οΣΤΑΔΙΟ Προγραμματισμός τηλεχειριστηρίου
1 - Ρυθμίστε το DIP 1 στο ΟΝ και στην συνέχεια το DIP 2 του SW1 στο ON => το led DL1 θα
αναβοσβήσει για 10 δευτερόλεπτα.
2 - Πιέστε το πλήκτρο του τηλεχειριστηρίου (συνήθως το κανάλι Α) μέσα σε 10 δευτερόλεπτα. Αν το
τηλεχειριστήριο αποθηκευτεί σωστά, το led DL2 (πράσινο) θα ανάψει μια φορά.
3 - Οχρόνος προγραμματισμού των κωδικών ανανεώνεται αυτόματα για να μπορέσετε να αποθηκεύσετε το επόμενο τηλεχειριστήριο.
4 - Για να τελειώσετε τον προγραμματισμό αφήστε να περάσουν 10 δευτερόλεπτα ήπιέστε στιγμιαία το πλήκτρο PROG. => το led DL1
θα σταματήσει να αναβοσβήνει.
5 - Επαναφέρετε το DIP 1 και το DIP 2 στο OFF.
4οΣΤΑΔΙΟ (Προγραμματισμός χρόνου για άνοιγμα διάβασης πεζών)
1 - Οι δυο πόρτες είναι κλειστές. Τοποθετήστε το DIP2 στο ON. Το led DL1 αναβοσβήνει γρήγορα.
2 - Τοποθετήστε το DIP1 στο ON. Το led DL1 αναβοσβήνει αργά.
3 - Φέρτε σε επαφή τους ακροδέκτες COM και Ped Butt. Το led DL1 αναβοσβήνει.
4 - Όταν ηπόρτα είναι αρκετά ανοικτή, ξαναφέρετε σε επαφή τους ακροδέκτες COM και Ped Butt. Αυτό
θα σταματήσει τον Μ1.
5 - Αναμείνατε μέχρι να παρέλθει οεπιθυμητός χρόνος αναμονής πριν επέλθει το αυτόματο κλείσιμο και αμέσως μετά ξαναφέρετε σε
επαφή τους ακροδέκτες COM και Ped Butt.
6 - ΟΜ2 κλείνει. Οι χρόνοι έχουν απομνημονευθεί.
7 - Ρυθμίστε τα DIP 1 και DIP2 του SW1 στο OFF.
5οΣΤΑΔΙΟ Εξατομίκευση της διαμόρφωσης
Είναι δυνατόν να αλλάξετε την διαμόρφωση μετακινώντας τους διάφορους μικροδιακόπτες
Μικροδιακόπτες στο ΟΝ Μικροδιακόπτες στο OFF
DIP 3 Αυτόματο κλείσιμο ενεργοποιημένο Αυτόματο κλείσιμο απενεργοποιημένο
DIP 4 Φωτοκύτταρα ενεργά μόνο στο κλείσιμο Φωτοκύτταρα πάντα ενεργά
DIP 5 Προ-έκλαμψη των 3 δευτερολέπτων Κινητήρας και συσκευή εκλάμψεων εκκινούν μαζί.
DIP 6 Χειρισμός Κbutt και RADIO ανενεργοί στο άνοιγμα Χειρισμός K butt και RADIO βήμα-βήμα
DIP 7 Επιβράδυνση ενεργοποιημένη Επιβράδυνση μη ενεργοποιημένη
DIP 8 Ηλεκτρικό κλείδωμα ενεργοποιημένο Ηλεκτρικό κλείδωμα μη ενεργοποιημένο
DIP 9 Απεμπλοκή ηλεκτρικού κλειδώματος και διευκόλυνση
μπλοκαρίσματος ενεργοποιημένα.
Απεμπλοκή ηλεκτρικού κλειδώματος και διευκόλυνση
μπλοκαρίσματος απενεργοποιημένα.
DIP 10 Ζεύξη ηλεκτρικού κλειδώματος ενεργοποιημένη Ζεύξη ηλεκτρικού κλειδώματος απενεργοποιημένη
DIP 11 Λειτουργία black out ενεργοποιημένη
(δείτε στο εγχειρίδιο για περισσότερες πληροφορίες)
Λειτουργία black out απενεργοποιημένη
DIP 12 Επανακλείσιμο των φωτοκυττάρων στο πέρασμα
ενεργοποιημένο
Επανακλείσιμο των φωτοκυττάρων στο πέρασμα
απενεργοποιημένο
DIP 13 ΑUTOTEST παρακολούθησης προσέγγισης ενεργοποιημένο AUTOTEST παρακολούθησης προσέγγισης
απενεργοποιημένο
JP 17 Κλειστό για 2 κινητήρες. Ανοιχτό για έναν κινητήρα.
JP1, JP2 και JP3 πρέπει να είναι κλειστά.