
AC 22 & AC 22B
ACTIVE CROSSOVERS
Data Sheet-4 All features & specifications subject to change without notice. DOC 103033 PN 07 31 9-98
Rear Panels
©Rane Corporation 10802 47th Ave. W., Mukilteo WA 98275-5098 TEL (425)355-6000 FAX (425)347-7757 WEB http://www.rane.com
References
1. S.H. Linkwitz, “Active Crossover Networks for Noncoincident Drivers,”J. Audio Eng. Soc., vol. 24, pp. 2-8 (Jan/Feb 1976).
2. D. Bohn, “A Fourth-Order State-Variable Filter for Linkwitz-Riley Active Crossover Designs,”presented at the 74th
Convention of the Audio Engineering Society, New York, Oct. 9-12, 1983, preprint no. 2011.
3. D. Bohn, “Linkwitz-Riley Crossovers,”Rane Note 107, (1983).
4. D. Bohn, “Why Not Wye?”Rane Note 109, (1984).
5. D. Bohn, “Overload Characteristics of State-Variable Crossovers,”Rane Note 112, (1985).
6. D. Bohn, “Linkwitz-Riley Active Crossovers Up To 8th-Order: An Overview,”Rane Note 119, (1989).
Available Accessories
• SC 1.7 Security Cover
Architectural Specifications
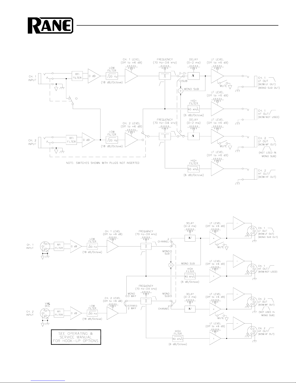
The active crossover shall contain 4th-order Linkwitz-
Riley filters. Provisions shall exist to correct for driver
misalignment by means of adding time delay to the low
frequency outputs.
The crossover frequency shall be controlled by a continu-
ously variable control with 41 detents to allow mechanical
reference of crossover setting.
Signal inputs shall be active balanced/unbalanced designs
terminated with ¼" TRS (tip-ring-sleeve) connectors for the
AC 22, and active balanced terminated with XLR connectors
for the AC 22B. Signal outputs shall be unbalanced type
terminated in ¼" TS connectors for the AC 22, and active
balanced design terminated with XLR connectors for the AC
22B. RFI filters shall be provided. Infrasonic and ultrasonic
filters shall be built-in.
The active crossover shall afford an input level range of
off to +6 dB. The output level controls shall afford a level
range of from off to +6 dB (+12 dB for the AC 22B) with
muting capability on the low frequency outputs. The cross-
over shall supply two independent channels.
The unit shall be exempt from agency safety requirements
and powered from a UL listed, CSA certified remote power
supply (120 VAC) or CE approved (230 VAC) via a rear
panel input modular plug. The unit shall be constructed
entirely from cold-rolled steel, and mount into a standard 1U
EIA rack.
The unit shall be a Rane Corporation AC 22 or AC 22B
Active Crossover.
Choosing the Right
Configuration: Mono, Two-
Channel Mono or Stereo?
Very few systems indeed will utilize a two channel
crossover for the purpose of true stereo imaging. Discrete
stereo channels which are run from the mixing board are
usually used for panning effects and/or for separate equaliza-
tion of left and right speaker stacks. Different sides of the
room often require significantly different equalization due to
varying room acoustics, dimensions, positioning of speaker
stacks near walls, curtains and the like.
Even though you may not plan to use stereo equalization
or panning effects, it is recommended that your system utilize
discrete crossover channels for each stack of speakers to
ensure flexibility and control for consistent, optimum sound
quality. For example, if you plan to run a multi-stack system
mono three-way, use the AC 23 rather than the AC 22 for
separate control over each set of speakers—especially since
phase alignment may differ with each stack requiring separate
time delay adjustments. Even with only a single system
equalizer, the AC 23 can deliver the extra independent control
which can make a difference in sound throughout the listen-
ing area. If all drivers are built into a single cabinet, or you
are running bi-amped monitors, then the AC 22 is the one for
you.