1
Model: PLDCP6
6F Hybrid Super Cap (carbon and electronic capacitor)
With Blue Digital DC Voltage and Amperage Display,
Blue LEDS In Front
Capacitance .................................……...... 6,000,000 micro farad (6 Farad)
Working Voltage ...............................…….….. 16DC
Surge Voltage .......................................……… 18DC
E.S.R. (Equivalent Series Resistance)------ 0.0015 ohm @120hz/ 25°C
Capacitance Tolerance------------------------ ± 10%
DETAILED FEATURES:
a) 3 digits hi-end blue light display DC voltage meter that can measure 0.1
DCV range.
b) 3 digits hi-end blue light display DC amperage meter that can measure 1
DCA range.
c) Reverse polarity PCB audible warning function. If the capacitor is
connected incorrectly by reversing the positive and negative wires during
the installation process the PCB will issue a 45 second noise to warn you.
d) Hi-end platinum plated 100% brass solid parts and chrome plated metal
cover
e) Blue flash LED line on the front side of HYBRID SUPER CAPACITOR.
The LED’s chase to power discharge.
f) Over voltage limit and low battery voltage limit warning. When the system
voltage peaks over 17.5 DCV or LESS than 10 DCV. The buzzer on the
PCB will issue an audible noise warning.
g) Multiple small capacitance capacitors linked to provide the lowest inner
E.S.R. and largest moment discharge power.
2
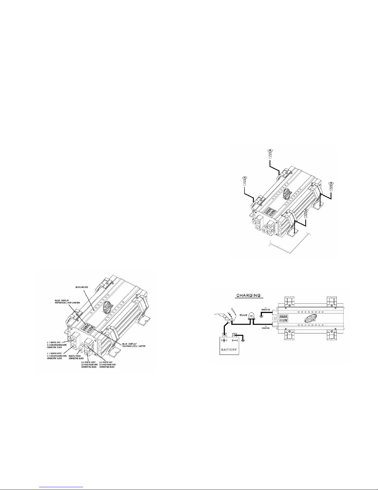
INSTALLATION AND MOUNTING:
You must first attach the mounting tabs to the capacitor before mounting it.
Use the supplied hardware shown in the picture to the right. Notice the small
mounting screw hole in the capacitor chassis.
CHARGING THE CAPACITOR AND WIRING:
The capacitor must be charged before connecting the Power and Ground
cables to the capacitor. Failure to charge the capacitor will result in a large
spark generated from the rapid inflow of current.