Proteco Q26 Manual de usuario

Q26_03_17
Q26
CONTROL PANEL FOR
SLIDING GATES
Control panel for sliding gate automation 12Vdc or 24Vdc
• Streamlined programming procedure
• Automatic setting of the obstacle detection level
• Automatic setting of the deceleration time
• Deceleration speed adjustment
• Pause-time adjustment
• Electric limit-switch in opening and closing
• Outputs for safety photocells in opening and in closing
• Outputs for START, PARTIAL OPENING and STOP push-buttons
• Output for safety flashing light (Blinker)
• Built-in battery-charger
12 dc and 24V dc
TECHNICAL FEATURES
Control Panel Dimensions 150 x 95 x 35 mm
Control Panel Weight 0,20 Kg
Transformer 80VA 230/12Vac for 12Vdc motor
80VA 230/20Vac for 24Vdc motor
Blinker Power Supply 12Vdc – 24Vdc, max 20W
Accessories Power Supply 12Vdc – 24Vdc, max 3W
Working time ADJUSTABLE
Pause-time ADJUSTABLE
Obstacle Detection Level AUTOMATIC
Box Dimensions 295 x 225 x 95 mm
Protection Level IP55
Instructions Manual

1 Q26 _03_17
1. WARNINGS
This manual contains important information regarding personal safety.
An incorrect installation or an improper use may cause serious damages to person(s) or object(s).
Read carefully and pay particular attention to the safety sections marked by the symbol :
Store this manual safely for future use.
All wirings or operations on the control panel must be performed with the control panel
disconnected from the power supply.
Connect the control panel only to a power supply line equipped with safety grounding system.
Wiring, settings and commissioning of this control board must be carried out by qualified and experienced personnel only.
The installation has to comply to laws and regulations in force, with particular reference to EN 12445 provisions.

+-
Q26 _03_17 2
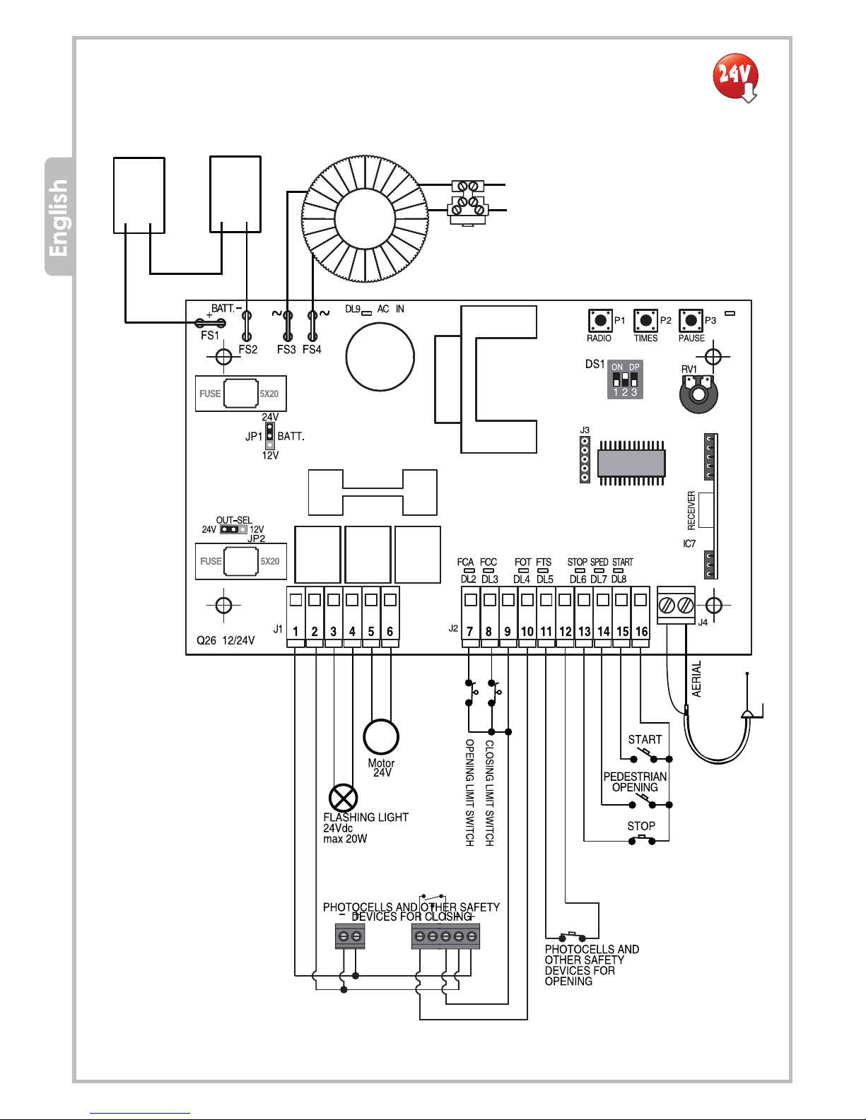
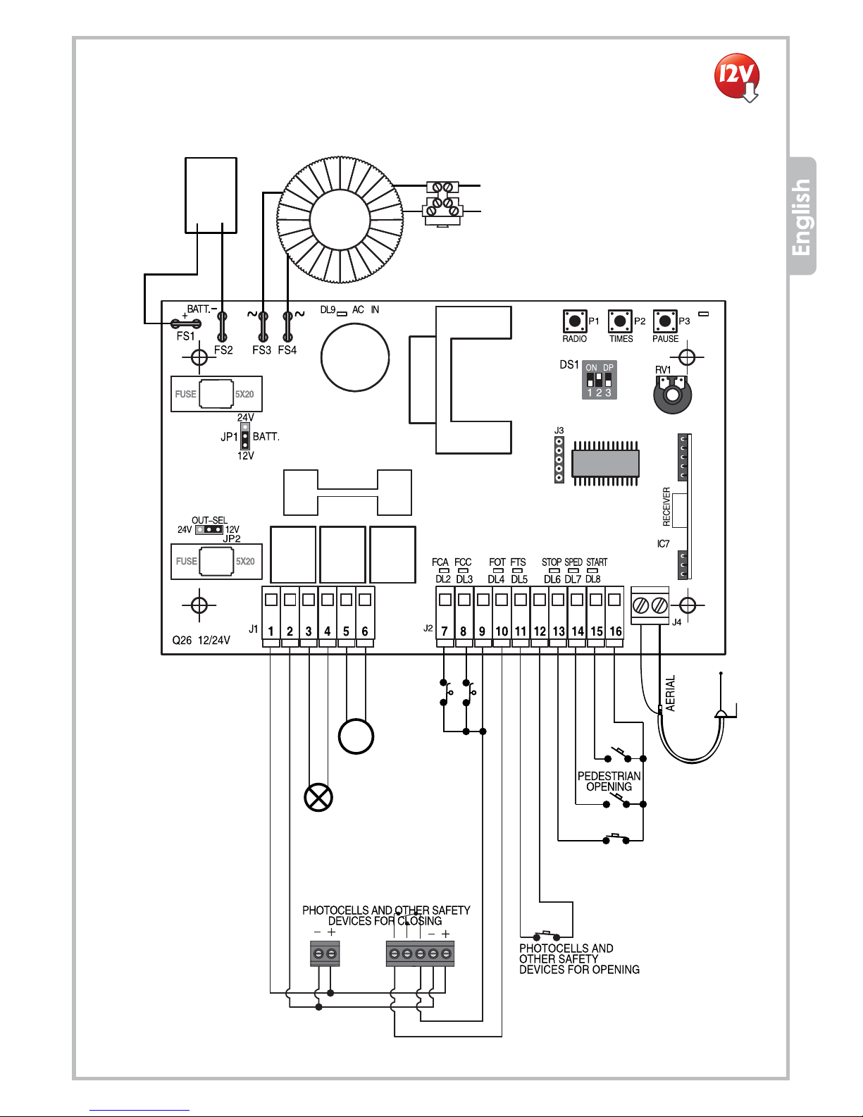
2. WIRING DIAGRAM and COMPONENTS
DL1 = Programming LED
DL2 = OPENING LIMIT SWITCH signalling LED
DL3 = CLOSING LIMIT SWITCH signalling LED
DL4 = CLOSING PHOTOCELLS status. LED lit up once the photocells have been correctly wired.
DL5 = OPENING PHOTOCELLS or other SAFETY DEVICES status.
LED lit up when additional set of photocells or other safety device is correctly wired.
DL6 = Emergency STOP button status. LED lit up once the emergency stop push button has been correctly wired.
DL7 = PEDESTRIAN START command. The LED lit up when a pedestrain start command is given
DL8 = START command signalling light. LED lit up when a start command is given
DL9 = 230V mains light. Led lit up when the control panel is powered.
P1 = Radio transmitter MEMORY button
P2 = WORKING TIME setting button
P3 = PAUSE-TIME setting button
RV1 = DECELERATION SPEED adjuster
FS1-FS2 = Input for back-up BATTERY
FS3-FS4 = Secondary input for TRANSFORMER
F1 = Fuse for battery 10A
F2 = Fuse for service devices 0.8A
JP1 = Battery-charger jumper 12/24V
JP2 = Jumper for accessories output 12/24V
DS1 = Switches for the operating mode selection
IC7 = Radio-receiver module
J1 = plugs for POWER devices
1 POSITIVE (+) 12/24Vdc for accessories power supply
2 NEGATIVE (-) 12/24Vdc for accessories power supply
3 output for flashing light (Blinker) power supply
4 output for flashing light (Blinker) power supply
5 output for 12Vdc or 24Vdc motor
6 output for 12Vdc or 24Vdc motor
J2 = plugs for CONTROLS and SAFETY DEVICES
7 input for OPENING LIMIT-SWITCH (N.C. contact)
8 input for OPENING LIMIT-SWITCH (N.C. contact)
9 COMMON inputs
10 CLOSING PHOTOCELLS input (N.C. contact)
11 OPENING PHOTOCELLS input (N.C. contact)
12 COMMON inputs
13 STOP push-button input (N.C. contact)
14 PARTIAL OPENING push-button (N.O. contact)
15 START push-button (N.O. contact)
16 COMMON inputs
J4 = plugs for external AERIAL
17 aerial cable (EARTH)
18 aerial cable (SIGNAL)

3 Q26 _03_17
DL1
+ -
20Vac
AC IN
M1
+ -
17 18
12-24V
ac /dc
C.
N.C.
N.O.
TX RX
12-24V
ac /dc
RF40
WIRING Diagram for 24Vdc motor
Back-up
battery
12V dc 1,2A
230Vac (MAIN)
Fuse 5A
Transformer 230V /20V ac 80VA
Back-up
battery
12V dc 1,2A

Q26 _03_17 4
DL1
+ -
12Vac
AC IN
M1
START
STOP
17 18
12-24V
ac /dc
C.
N.C.
N.O.
TX RX
12-24V
ac /dc
RF40
WIRING Diagram for 12Vdc motor
Back-up
battery
12V dc 1,2A Transformer 230V /12V ac 80VA
230Vac (MAIN)
Fuse 5A
FLASHING LIGHT
12Vdc
max 20W
Motor
12V
OPENING LIMIT SWITCH
CLOSING LIMIT SWITCH

5 Q26 _03_17
3. ELECTRIC WIRINGS
Please refer to the diagram in chapter 2 for a correct wiring.
3.1 MOTOR wiring
Wire the motor to plugs nr 5-6 on J1.
3.2 FLASHING LIGHT wiring
You can wire a flashing light (max 20W) to plugs nr 3-4 on J1.
• QUICK flashing → gate OPENING
• SLOW flashing → gate CLOSING
• Flashing light OFF → gate in PAUSE time
3.3 PHOTOCELLS wiring
3.3.1 Safety Photocells When Gate is CLOSING
Power the photocells by outputs nr 1-2 on J1.
Wire the contact (NC) of the photocells to plugs nr 9-10 on J2.
Additional sets of photocells, or other safety devices to protect the CLOSING area (i.e. safety rubber edge on
the gate), can be wired through contacts (NC) in series.
• if an obstacle interrupts the photocell beam when the gate is closing, the automation STOPS and REVERSES
in about 1,5 seconds.
• An obstacle detected by the photocells when the gates is OPENING does not cause any effect.
For safety reasons al least one set of photocells must be installed to protect the CLOSING area of the gate.
Note: Should you need to temporarily bypass the contact for the closing photocells, i.e. during the installation
procedure, you can make a jumper between plugs nr 9-10 on J2.
3.3.2 Safety Photocells When gate is OPENING
Power the photocells by outputs nr 1-2 on J1.
Wire the contact (NC) of the photocells to plugs nr 11-12 on J2.
Additional sets of photocells or other safety devices to protect the opening area (i.e. safety rubber edge on the
pillar), can be wired through contacts (NC) in series.
• if an obstacle interrupts the photocell beam when the gate is OPENING, the automation STOPS.
Once the obstacle has been removed, gates will START/CONTINE to open.
For safety reasons al least one set of photocells must be installed to protect the OPENING area of the gate.
Note: Should you need to temporarily exclude the contact for the opening photocells, i.e. during the installation
procedure, you can make a jumper between plugs nr 11-12 on J2.
3.4 START Push-Button Wiring (standard opening)
You can wire a START push-button (NO contact) to plugs nr 15-16 on J2.
Additional START push-buttons can be wired through contacts (NO) in parallel.
3.5 PEDESTRIAN Push-Button Wiring (partial opening)
You can wire a PEDESTRIAN START push-button (NO contact) to plugs nr 14-16 on J2.
Additional PEDESTRIAN OPENING push-buttons can be wired through contacts (NO) in parallel.
3.6 STOP Push-Button (emergency stop)
Wire the emergency STOP push-button (NC contact) to plugs n° 13-16 on J2.
Additional STOP push-buttons can be wired through in series contacts (NC).
The installation of an emergency stop push-button is highly recommended for the safety of people and objects.
Note: Should you need to temporarily exclude the contact for the STOP push-button, i.e. during the installation
procedure, you can make a jumper between plugs nr 13-16 on J2.

24V
12V
JP1 24V 12V
JP2
24V 12V
JP2
24V
12V
JP1
+ -
12Vac
AC IN
+ -
20Vac
AC IN
+ -
Q26 _03_17 6
Warning: Make sure that JP1 (battery-charger) e JP2
(accessories power supply) are correctly placed
according to voltage of the motor as shown in the
picture.
3.7 Electrical Mains wiring
3.7.1 Electrical MAINS (230Vac)
Once all other wirings have been carried out, the control panel can be wired to the electrical mains.
• Use with 24Vdc motor → wire the 230V main power to the plugs on the transformer (80VA, 230V primary –20V
secondary) and the transformer output to FS3-FS4 plugs on control panel.
• Use with 12Vdc motor → wire the 230V main power to the plugs on the transformer (80VA, 230V primary –12V
secondary) and the transformer output to FS3-FS4 plugs on control panel.
3.7.2 SOLAR power supply
The control panel can also be powered by a solar panel.
In this case wire the solar panel’s battery to FS3-FS4 plugs of the control panel.
3.7.3 BACK-UP BATTERY wiring
A back-up batteries system can be wired to allow the gate opening even in case of power-failure:
• 24Vdc motor → wire nr 2 back-up batteries, 12V 1,2Ah each, to FS1(+) FS2(-) plugs
• 12Vdc motor → wire nr 1 back-up battery, 12V 1,2Ah to FS1(+) FS2(-) plugs
Back-up
battery
12V dc 1,2A
230Vac (MAIN)
Fuse 5A
Transformer 230V /20V ac 80VA
Back-up
battery
12V dc 1,2A
Electrical Mains wiring for motor 24Vdc (detail)
Electrical Mains wiring for motor 12Vdc (detail)
Back-up
battery
12V dc 1,2A
Transformer 230V /12V ac 80VA
230Vac (MAIN)
Fuse 5A

7 Q26 _03_17
4. Selecting the OPERATING MODE
Three different operating modes can be selected trough DS1 dip-switches as follows (White key):
Once the operating mode has been selected you can power the control panel.
STEP by STEP Mode
A first START command makes the gate OPEN.
A second START command while the gate is opening will STOP the gate.
A further START command makes the gate CLOSE.
To select this operating mode place the DS1 dip-switches as shown:
1=OFF 2=OFF 3=OFF
AUTOMATIC CLOSING Mode
A first START command makes the gate OPEN, once the gate has reached the complete
opening it stops and the PAUSE-TIME starts.
When the pause-time elapses the gate automatically CLOSES.
If a START command is given while the gate is opening, the gate STOPS still.
A further START command makes the gate CLOSE.
If a START command is given while the gate is closing, the gate STOPS and REVERSES in about 1.5
seconds.
To select this operating mode place the DS1 dip switches as shown: 1=OFF 2=ON 3=OFF
AUTOMATIC CLOSING mode with MULTI-OCCUPATION Function
A first START command makes the gate OPEN, once the gate has reached the complete
opening it stops and the PAUSE-TIME starts.
When the pause-time elapses the gate automatically CLOSES.
A START command given while the gate is opening has no effects.
A START command given while the gate is closing, makes the gate STOP and REVERSE direction
in about 1.5 seconds.
To select this operating mode place the DS1 dip switches as shown: 1=ON 2=ON 3=OFF
5. Programming of RADIO TRANSMITTERS
5.1 DELETING all Radio Transmitters
For your security we recommend you to delete all factory radio code memorized on the control panel:
Keep P1 button on the control panel pressed until DL1 goes off (about 10 seconds).
All radio codes have been deleted.
Now you can proceed with the PROGRAMMING of your radio transmitters.
5.2 PROGRAMMING a Radio Transmitter
Warning → before starting the memorization procedure, check the model of radio transmitter you want to program on
the control panel:
• Radio transmitters with random generated code → repeat the programming procedure for each radio
transmitter.
• Radio transmitter with fix code → set the same combination of dip-switches (see the radio transmitter’s instruc-
tions manual) on all the radio transmitters. The programming procedure is needed for one transmitter only.
Press P1 button on the control panel: DL1 flashes once and then stays on.
Now press on the radio transmitter the button you want to use to give a Start command.
The code has been stored in the memory and DL1 goes off.
The control panel can store up to 50 different radio codes.

Proteco S.r.l. Via Neive, 77 - 12050 CASTAGNITO (CN) ITALY
Tel. +39 0173 210111 - Fax +39 0173 210199 - info@proteco.net - www.proteco.net
6. WORKING TIME Setting
Note→ the control panel has a pre-set working time that allows a standard cycle of the gate (opening-pause-closing).
Should you need to modify the pre-set working time please follow the QUICK SETTING PROCEDURE here below:
• Make sure that the gate is fully close. If it is not, release the gate motor, close tha gate manually and then lock it
again.
• Press P2 button: the DL1 LED lights-on. Keep P2 pressed for few seconds until the DL1 light goes off. The gate tries to
close for a while and it starts to OPEN.
• During the first 10 seconds of opening, adjust the DECELERATION SPEED through RV1 adjuster, after that the gate will
complete the opening at the standard speed.
• After a short time the gate closes again. Now the new working time has been set.
7. PAUSE-TIME setting
• Keep P3 button on the control panel pressed until LED DL1 lit and stays on, then release the button.
• Wait for the time you want to set as pause-time and then press again P3.
• DL1 light goes off: the pause-time has been saved in the control board’s memory.
8. DECELERATION Time
The control panel automatically set the DECELARATION time to 20% of the total working time.
9. OBSTACLE Detection
The control panel automatically adjusts the obstacle detection sensibility according to the force required to the motor to
move the gate.
10. DISPOSAL
Do not pollute the environment
Some electronic components may contain polluting substances.
ensure materials are passed to authorised collection centres, according to the laws and the regulations in force, for safe
disposal.
Tabla de contenidos
Otros manuales de Panel de control de Proteco





















