
5
INSTALLATI N (C NTINUED)
•If the extension cord is worn, cut or damaged in any way,
replace it immediately.
EXTENSI N C RD LENGTH (120 V LTS)
Wire Size . . . . . . . . . . . . . . . . . . . . . . . . . . . . . . . . . . . . . . . . . . . . . . . . . . A.W.G.
Up to 25 ft. . . . . . . . . . . . . . . . . . . . . . . . . . . . . . . . . . . . . . . . . . . . . . . . . . . . . 18
25-50 ft. . . . . . . . . . . . . . . . . . . . . . . . . . . . . . . . . . . . . . . . . . . . . . . . . . . . . . . . 16
50-100 ft. . . . . . . . . . . . . . . . . . . . . . . . . . . . . . . . . . . . . . . . . . . . . . . . . . . . . . 14
100-150 ft. . . . . . . . . . . . . . . . . . . . . . . . . . . . . . . . . . . . . . . . . . . . . . . . . . . . . 12
N TE: Using extension cords over 150 ft. long is not recommended.
EXTENSI N C RD LENGTH (240 V LTS)
Wire Size . . . . . . . . . . . . . . . . . . . . . . . . . . . . . . . . . . . . . . . . . . . . . . . . . . A.W.G.
Up to 50 ft. . . . . . . . . . . . . . . . . . . . . . . . . . . . . . . . . . . . . . . . . . . . . . . . . . . . . 18
50-200 ft. . . . . . . . . . . . . . . . . . . . . . . . . . . . . . . . . . . . . . . . . . . . . . . . . . . . . . 16
200-300 ft. . . . . . . . . . . . . . . . . . . . . . . . . . . . . . . . . . . . . . . . . . . . . . . . . . . . . 14
N TE: Using extension cords over 300 ft. long is not recommended.
ELECTRICAL C NNECTI NS
WARNING: All electrical connections must be performed by a
qualified electrician. Make sure tool is off and disconnected from
power source while motor is mounted, connected, reconnected or
anytime wiring is inspected.
•Motor and wires are installed as shown in wiring diagram (See
igure 7). Motor is assembled with approved, 3-conductor cord
to be used at 120/240 volts. Motor is prewired at the factory for
120 volts.
•To use the tool with a 240V power supply, have a qualified elec-
trician rewire motor and attach a 240 volt, I5A three-prong plug
onto grinder line cord.
OPERATION
Refer to igure 8, page 8.
WARNING: Operation of any power tool can result in foreign
objects being thrown into eyes which can result in severe eye
damage. Always wear safety goggles complying with United States
ANSI Z87.1 (shown on package) before commencing power tool
operation.
CAUTI N: Always observe the following safety precautions:
•Whenever adjusting or replacing any parts on the tool, turn
switch O and remove the plug from power source.
•Recheck table handles. They must be tightened securely.
•Make sure all guards are properly attached and securely
fastened.
•Make sure all moving parts are free and clear of any
interference.
•Make sure all fasteners are tight and have not vibrated loose.
•With power disconnected, test operation by hand to verify
clearance and adjust if necessary.
•Always wear eye protection or face shield.
•Make sure abrasive belt tracks properly. Correct tracking gives
optimum performance.
•After turning switch ON, always allow belt to come up to full
speed before sanding or grinding.
•Be sure motor runs clockwise on disc side. Abrasive belt must
travel down.
•Keep your hands clear of abrasive belt, disc and all moving
parts.
•or optimum performance, do not stall motor or reduce speed.
Do not force the work into the abrasive.
•Support workpiece with belt table when sanding with belt,
with disc table when sanding with disc.
•Never push a sharp corner of workpiece rapidly against belt or
disc. Abrasive backing may tear.
•Replace abrasives when they become loaded (glazed) or frayed.
•When grinding metal, move workpiece across abrasive to
prevent heat build-up.
•Never attempt wet sanding. If workpiece becomes too hot to
handle, cool it in water.
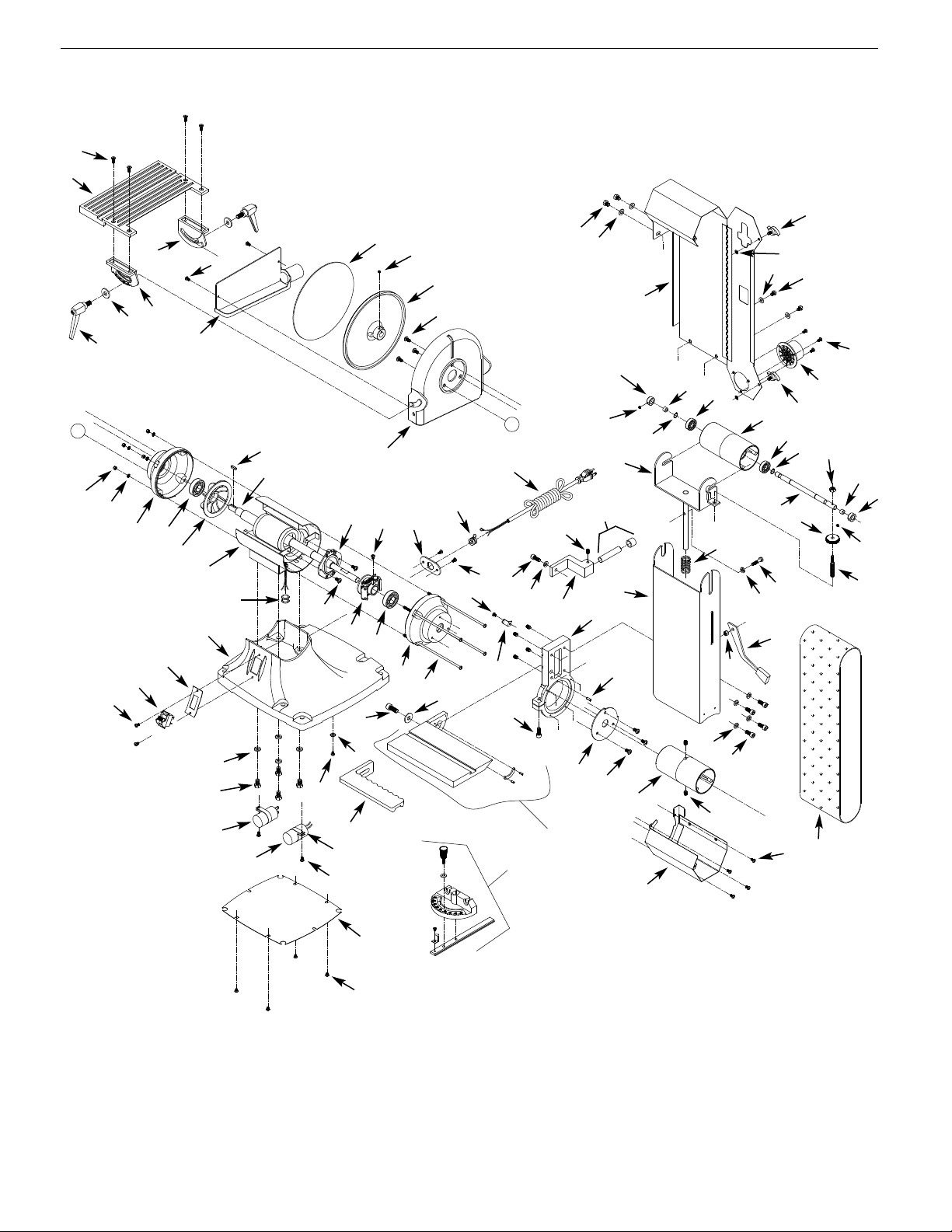
REPLACING ABRASIVE BELT
Refer to igure 8, page 8.
•Sanding belt should be replaced when worn, torn, or glazed.
Loosen belt cover knobs (Ref. No. 18) and open belt cover.
•Release belt tension by pushing tension lever (Ref. No. 35)
towards idler drum. Slide old belt off the idler and drive wheels.
N TE: There may be an arrow on the inside of the belt. The arrow
should point down toward the belt table to ensure that the splice
in the belt will not come apart.
•Slide new belt over the drive and idler drums; center belt on
drums.
•Push tension lever towards drive drum to tension belt.
•Rotate belt by hand to check tracking. Belt should ride centered
on drive and idler drums. Adjust thumb nut (Ref. No. 29) as
needed to center belt on drums. When belt tracks properly,
tighten hex nut. (Ref. No. 28) If adjustment of thumb nut does
not provide desirable tracking, adjust the stud (Ref. No. 30)
using a flat screwdriver. To adjust stud, loosen hex nut and turn
stud counterclockwise to move belt to the right or clockwise to
move belt to the left until belt rides centered on drive and idler
drums. Tighten hex nut while holding the stud in place.
•Close belt cover and tighten knobs.
ADJUST BELT ASSEMBLY P SITI N
Refer to igure 8, page 8.
Sanding belt assembly can be adjusted from horizontal to vertical
position.
•Loosen socket head bolt (Ref. No. 37 is threaded into pivot
bracket.
•Tilt belt assembly to desired position (from horizontal to verti-
cal). Secure belt assembly position by tightening socket head
bolt in pivot bracket.
ADJUST BELT TABLE
Refer to igure 8.
•To adjust belt table angle, loosen socket head bolt (Ref. No. 75).
Palmgren Operating Manual & Parts List 81093
Figure 7 – Wiring Diagram
3-Red 2-Gray
4-Yellow
1-Black
120V
240V
3-Red
1-Black
2-Gray
4-Yellow