
DX-6930
DX-6920
TABLE
OF
CONTENTS
SDE
CILICAEO
1S
ieee
tenet
takin
xe
ccsehenwidaann
binds
Gosencsbacemeastiacs
1
DETV.ICE
PLO
CEG
UTES
vel
sissies
acoued
cessnaube
hese
acpacahetes
ered
ie
2
NOE
ON
COM
Pact
CISC
ij
ecssessnds
oeeik
ee
iiasancesde
ceosdsnommareelewiees
2
Caution
on
replacement
of
optical
pickup...
eeceeeeeeeseeeees
3
Protection
of
eyes
from
laser
beam
during
servicing.............00
4
Deaser
warning
1a
Diels
.:slcccuscocteicsdnch
oiagavadehevornsasnaneawtenledendes
4
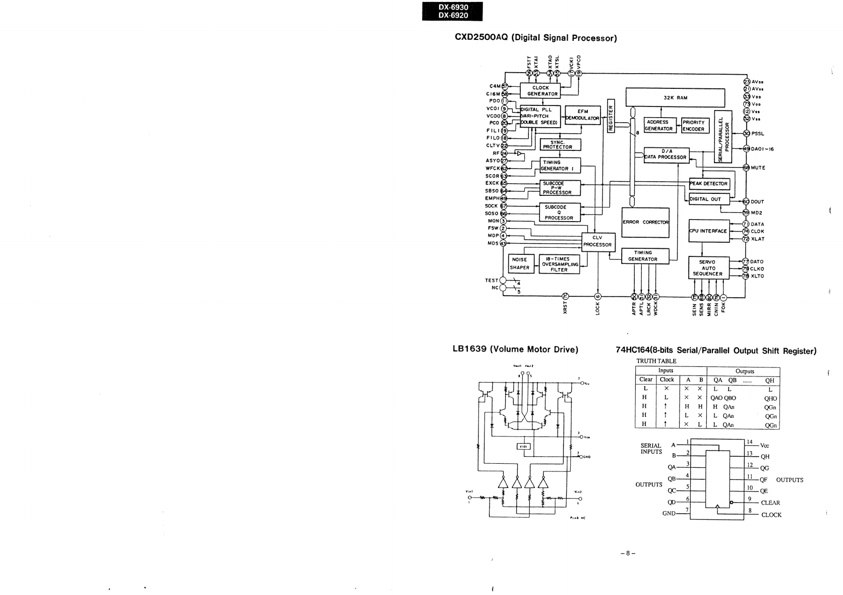
IC
block
diagrams
and
deSCriptiOnS...........ccccseccceeseeseceneceeseeees
5
PACKIN
BV
10
Wisc.
sess
bechin
saeco
dacok
vegsbuavaoswad
sis
teckebaseeputeancsase
13
Chassis
exploded
Vie
Wiis
avicostevansccad
seseeavseedan
tered
npawwauacesnves
14
Paris
St
dO
269
20
cacti
ca
otcuuss
ss
taistrha
Sc
henseatartans
atud
actu
os
15
DROSS
voseiatiids
ss
coms
oiideumantotinnterehitsteagsascsees
16
Mechanism
exploded
View
.............c.ccccecucsecueccscececcsccceusceces
17
Mechanism-parts
liSt...........cccecscescececsecesscsesscuceesauececesceeces
18
Removement
of
disc
tray
..........ccceccececeececsccuscesescseceseuseuseees
18
AGJUStMENE
PrOCeduUTES............ccecceesnevecsscasccsssscesssvecenccsoeees
20
Printed
circuit
board
view
Main
circuit/Headphone
pcb
..........ccccceececcceccceeccescuscuesceuees
23
Display/Power
supply/Terminal
pcb...............cscccecsecueceescneees
35
Schematic
diagram
DX-6930.............cccscecesceccescecceceuececscues
25
OF
2
pes
avec
een
asa
nec
Uaesaanarednies
27
Printed
circuit
board-parts
liSt..........ccccccecccecssessesessesecceeeeeees
29
BIGCK
Gia
SPAMS
sin.
dsvcassuschanaven
th
vavucnenstesacdeshidueduuaeebareleeees
31
Trouble
-shooung
tide
x
cj
scsss
cams
it
Ses
Gaveviderss
cedddcanencceiees
33
NOTE
ON
COMPACT
DISC
©
Holding
Compact
Discs
Hold
Compact
Discs
by
the
edges
so
that
you
do
not
touch
the
surface
of
disc.
Remember
that
the
side
of
the
disc
with
the
“rainbow”
reflection
is
the
side
containing
the
audio
information.
Do
not
attach
tape
or
paper
to
the
label
side
of
the
disc
and
always
be
careful
not
to
leave
fingerprints
on
the
side
that
is
played.
@
Storing
Compact
Discs
Store
Compact
Discs
in
a
location
protected
from
direct
sunlight,
high
heat
and
humidity
and
extremely
high
and
low
temperatures.
Discs
should
never
be
left
in
the
trunk
or
interior
of
an
automobile
in
the
sun
since
the
temperature
can
become
very
high
in
such
a
closed
environ-
ment.
Always
store
Compact
Discs
in
the
holders
in
which
they
were
sold.
Never
leave
a
disc
in
the
player’s
disc
holder
for
a
long
period
of
time.
i)
Ye
Not
this
way
SERVICE
PROCEDURES
1.
Safety-check
out
After
correcting
the
original
service
problem,perform
the
following
safety
check
before
releasing
the
set
to
the
customer:
Connect
the
insulating-resistance
tester
between
the
plug
of
power
supply
cord
and
chassis.
Specifications:More
than
10Mohm
at
SO0V.
@
Cleaning
Compact
Discs
Before
playing
a
disc
wipe
off
the
playing
surface
with
a
soft
cloth
to
remove
dust
and
other
soil.
Wipe
the
surface
in
straight
lines
from
the
center
of
the
disc
outward,
not
in
a
circular
motion
as
you
would
with
a
phonograph
record.
Do
not
use
benzene,
chemical
cleansers
or
phonograph
record
cleaning
solutions
to
clean
Compact
Discs.
Also
avoid
static
electricity
prevention
solutions
since
they
can
damage
the
surface
of
Compact
Discs.
Problems
Caused
by
Dew
Dew
can
form
inside
a
Compact
player
when
it
is
brought
from
a
cold
environment
into
a
warm
room,
when
a
room
is
rapidly
heated
and
if
a
player
is
left
in
a
humid
environ-
ment.
This
dew
can
prevent
the
laser
pickup
from
reading
the
data
contained
in
the
pits
in
the
disc
surface.
If
the
player
does
not
operate
properly
because
of
dew,
remove
the
disc
and
leave
the
player’s
power
switch
on
for
about
one
hour
to
remove
all
moisture.
CAUTION
ON
REPLACEMENT
OF
OPTICAL
PICKUP
The
laser
diode
in
the
optical
pickup
block
is
so
sensitive
to
static
electricity,surge
current
and
etc,
that
the
components
are
liable
to
be
broken
down
or
its
reliability
remarkably
deteriorated.
PRECAUTIONS
1.Ground
for
the
work-desk.
Place
a
conductive
sheet
such
as
a
sheet
of
copper
(with
inpedance
lower
than
1OM1Q.)
on
the
work-
desk
and
place
the
set
on
the
conductive
sheet
so
that
the
chassis.
2.Grounding
for
the
test
equipment
and
tools.
Test
equipments
and
toolings
should
be
grounded
in
order
that
their
ground
level
is
the
same
the
ground
of
the
power
source.
During
repair,carefulley
take
the
following
precautions.
(The
following
precautions
are
included
in
the
service
parts.)
3.Grounding
for
the
human
body.
Be
sure
to
put
on
a
wrist-strap
for
grounding
whose
other
end
is
grounded.
Be
particularly
careful
when
the
workers
wear
synthetic
fiber
clothes,
or
air
is
dry.
4.Select
a
soldering
iron
that
permits
no
leakage
and
have
the
tip
of
the
iron
well-grounded.
5.Do
not
check
the
laser
diode
terminals
with
the
probe
of
a
circuit
tester
or
oscilloscope.
Care
Should
be
taken
with
the
optical
pickup.
The
optical
pickup
is
sensitive
to
static
electricity
surge
currents,and
other
high
electrical
noise,
and
because
there
is
the
possibility
of
damage
to
performance,
in
the
handling
of
the
pickup,
the
utmost
care
must
be
taken,
particularly
with
regard
to
static
electricity.
1.
When
checking
the
laser
terminal,
avoid
making
connections
using
the
probes
of
a
tester
or
oscilloscope,
or
an
ordinary
power
supply.
2.
When
replacing
the
optical
pickup,
first
short
the
LD
terminals
and
remove
the
connector.
Also,
when
attaching
the
new
optical
pickup,
after
attaching
the
connector,
unsolder
the
LD
terminals.
Terminal
LD
Optical
pickup
DX-6930
4
DX-6920
3