
nonlinearcircuits
SPASM build & BOM
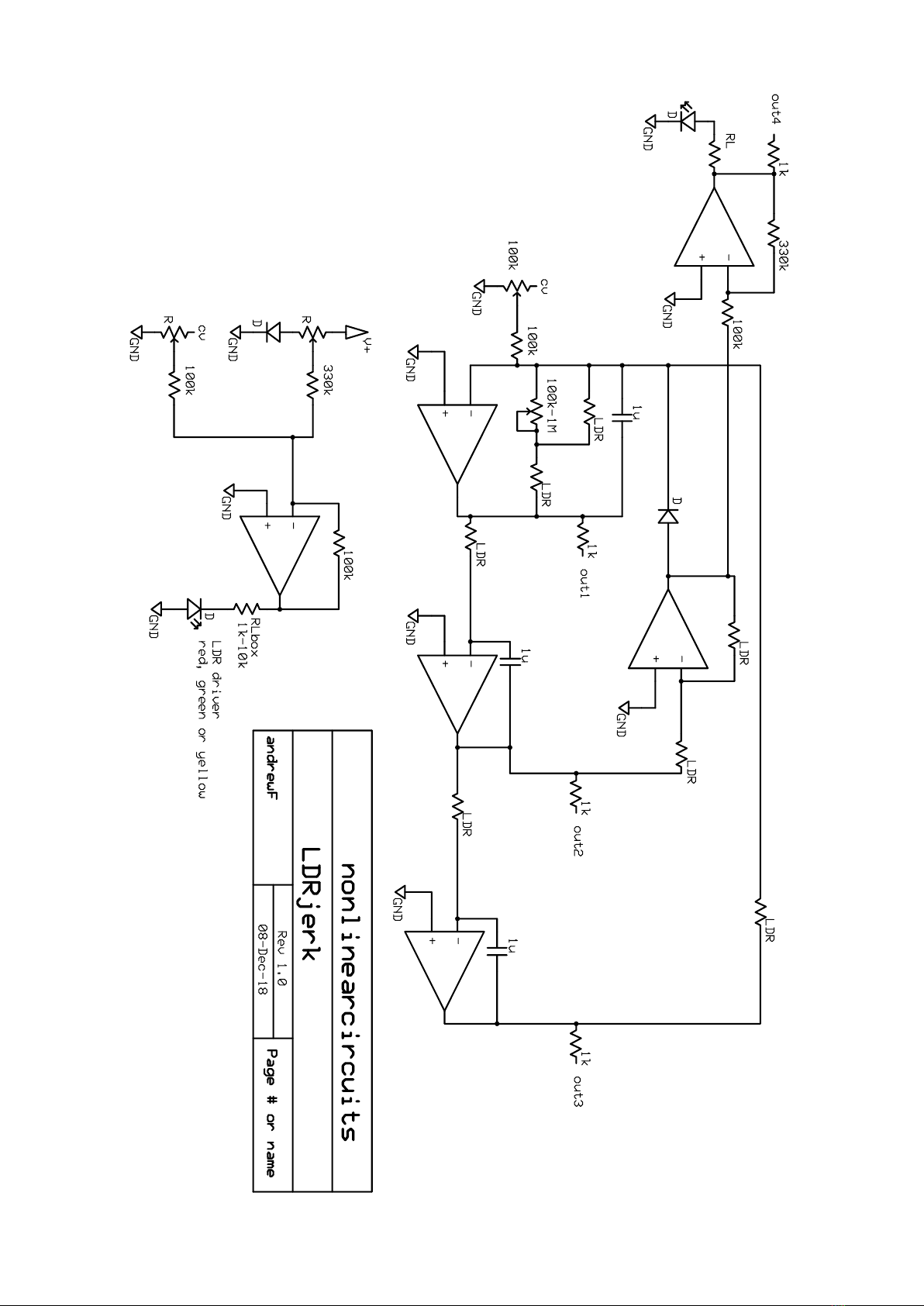
This module takes the classic Sprott jerk circuit and replaces all the
resistors with LDRs.....a 7 way vactrol. This means the brightness of
the LED in the giant vactrol controls the frequency of the circuit.
It is a very easy build and will give you a very flexible chaotic
circuit. The CV inject jack allows you to control the chaos with gates
and CV, some signals will cause it to pause or stall, others will make
it glitch & freak out. CV freq controls the LED which, in turn, controls
the resistance in the LDRs.
It is a very flexible build; you can use any LDRs you like, so long as
they are the same. You can also use any capacitors you like for CAP, so
long as they are the same.
Of course, the LDRs and capacitors you choose will affect the behaviour
& frequency range of the circuit. GL5516 LDRs go to 500kΩoff resistance
whereas GL5549 go to 10MΩ+ (anywhere from 10MΩ to 20MΩ), so will be a
lot slower but will give a much wider frequency range and some very
unpredictable outputs. Similarly with capacitors 10uF will be a lot
slower than 10nF.
If going for the more extremely slow values, GL5549 LDRs and 10uF caps,
the module will stall at minimum pot settings and generally needs a CV
on the CV freq input to make it operate. This is actually a good thing
as you can turn the signals on and off with CV or gates.
Please note the build pictures below when constructing to make the box
fairly light-proof. A bit of leakage does not seem to matter much but
you could add a bit of black silastic sealant around the edges if you
really want to, I have never bothered. When soldering the connector pins,
use the SIP connectors, jumped across 1 or 2 pins (see pics) to ensure
they are nicely perpendicular to the PCB. When soldering the PCB to PCB
connectors, I press lightly on the PCB to help keep the connectors tight
against the board.
If you find the Spasm is being affected by reflections from flashing
LEDs from other modules in your case; either take the view that it saves
you a patch-cord, or place 2 pieces of black electrical tape across the
PCB where the vactrol box is.
Also, please note the pots go on the side of the PCB that has the pot
symbol screenprinted, this is different to previous NLC PCBs……just look
at the pictures, if you have time and it isn’t too much trouble.