
5EBV 200
GB
INSTALLATION INSTRUCTIONS
EBV 200
General
EBV 200 is a load monitor used to disconnect out-
put that exceeds the output set on the load moni-
tor. This accessory is used together with FIGHTER
1110/1210/1217 and EVP 500.
EBV 200 consists of the Load Monitor 100 module,
plate, cable set and three current transformers.
Function
When many power consumers are connected in the pro-
perty at the same time as the immersion heater is opera-
ting, there is a risk of the property's main fuse tripping.
If the phase current becomes so high, the load monitor
reduces the output of the immersion heater until there
is no longer a risk of the main fuses tripping.
When the general power consumption drops sufficient-
ly, the immersion heater is connected again.
A fixed green light indicates that the output is less than
the main fuse’s nominal current, which means no limi-
tation.
A fixed red light indicates that the output is stepped
down by approximately 10 s step time.
During the period the red LED flashes the output has
dropped below the main fuse’s nominal current. The
cutout of supply will continue for 10 minutes.
25 A
25
25
2
4
6
8
10 A
Till
Begränsning
Ström Marginal
Effektvakt 100
5V
Perspektiv 2
Effektvakt 100
Perspektiv 3
Technical specifications
Current setting 16 - 35 A
Current margin 2 - 10 A
Supply voltage 230 V/50 Hz
Current transformers, internal Ø 11 mm
Setting the limitation
The current control “Ström” is set to the value of the
main fuse. When the current output exceeds this value,
the load monitor starts to step down the output of the
immersion heater.
With the current control “Marginal” the difference is
chosen between the main fuse’s nominal current and
that current which allows the power to be cut in again.
For the 6 kW immersion heater, Marginal is set to 5 A.
For 9 kW, Marginal is set to 4.5 A. The value should
always be set to the current that the greatest disconnec-
ted load could draw.
The electrical installation must be
carried out by a qualified electrician and in
accordance with the stipulations in force.
Note!
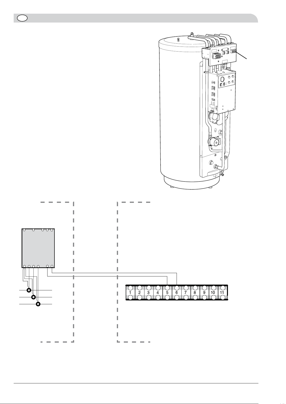
Current transformers
One current transformer should be installed on each
incoming phase conductor in to the distribution box to
measure the current. The ideal installation area is in the
distribution box.
Connect the current transformers to a multi-core cable
in an enclosure next to the distribution box. Use un-
screened multi-core cable of at least 0.50 mm², from
the enclosure to the heat pump.
Connect together one conductor from each of the three
current transformers and connected to terminal 1 on
Load monitor 100. The other conductors from each cur-
rent transformer are connected to the terminals marked
2, 3 and 4.
Electrical distribution unit
To heat pump
Incoming electricity