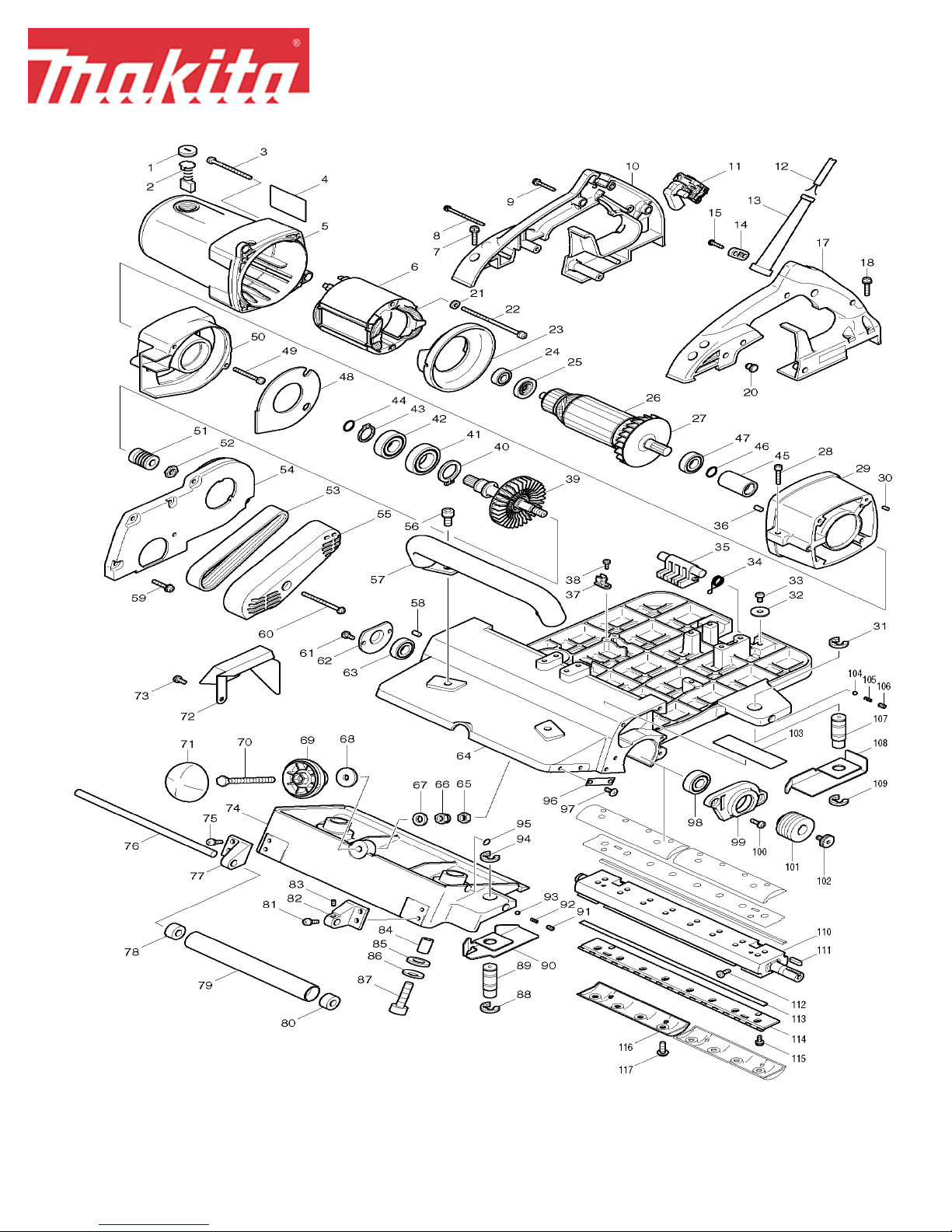
Fig # Part ID Part Name Quantity
1 643700-5 BRUSH HOLDER CAP 7-18 , HM1500B 2
2 191953-5 CARBON BRUSH SET CB-203, LS1211 1
3 911288-6 P.H. SCREW M5X65, DP4700 4
4 850394-1 NAME PLATE 1
5 153577-5 MOTOR HOUSING CPL. 1
6 636241-8 FIELD 115V, KP312 1
7 911248-8 P.H. SCREW M5X28, HM1500 4
8 911188-0 P.H. SCREW M4X60, N9501B 2
9 911153-9 P.H. SCREW M4X28, JR3000V 2
10 183569-0 HANDLE SET,KP312 1
11 651056-2 SWITCH TG71CR-2 1
12 664455-9 POWER CORD #14-2-10 1
13 682564-2 CORD GUARD, 5007NLK 1
14 687052-4 STRAIN RELIEF, HM1500B 1
15 265995-6 TAPPING SCREW 4X18, 4323K 2
17 183569-0 HANDLE SET,KP312 1
18 911248-8 P.H. SCREW M5X28, HM1500 4
20 286034-9 CAP 12, KP312 1
21 941102-2 F. WASHER 5, HM1100C 2
22 911942-2 P.H. SCREW M5X95, 2030N 2
23 418156-9 BAFFLE PLATE, KP312 1
24 211061-7 B. BEARING 6000LLB, 6222DWE 1
25 681640-9 INSULATION WASHER, LS1040 1
26 516876-0 ARMATURE ASS'Y 115V, KP312 1
27 241868-7 FAN 82, KP312 1
28 922251-4 H.S.H. BOLT M5X30, 5077B 2
29 317674-3 MOTOR BRACKET, KP312 1
30 256251-5 PIN 4, HP1501 1
31 961062-2 STOP RING E-12, UM401DW 1
32 253010-8 F. WASHER 6, 5402A 2
33 911211-1 P.H. SCREW M5X12, HM1500B 2
34 231668-3 TORSION SPRING 15, KP312 1
35 418155-1 FOOT, KP312 1
36 263005-3 RUBBER PIN 6,LS1013 1
37 416536-3 WRENCH HOLDER, LS711DWBEK 1
38 266026-4 TAPPING SCREW 4X12,9046 1
39 153578-3 SPINDLE CPL. 1
40 961105-0 RETAINING RING S-25,8015DW 1
41 211351-8 BALL BEARING 6005LLB, 2516N 1
42 211301-3 BALL BEARING 6004LLB, 8900N 1
43 961060-6 RETAINING RING S-20, 2708 1
44 213154-6 O RING 14, 6801DBV 1
45 331650-3 COUPLING, KP312 1
46 213154-6 O RING 14, 6801DBV 1
47 211236-8 BALL BEARING 6002DDW,BO5001 1
48 345320-8 BLAST DISK, KP312 1
49 911268-2 P.H. SCREW M5X45, HP2010N 3
50 317673-5 MAIN BRACKET, KP312 1
51 222140-6 V-PULLEY 9-23L 1
52 252085-4 HEX NUT M10-17, 2030N 1
53 225061-1 POLY V-BELT 9-355, KP312 1
54 317676-9 BRACKET COVER, KP312 1
55 317672-7 BELT COVER, KP312 1
56 922431-2 H.S.H. BOLT M8X20 2
57 273522-5 FRONT GRIP, KP312 1
58 263005-3 RUBBER PIN 6,LS1013 1
59 911248-8 P.H. SCREW M5X28, HM1500 5
60 911288-6 P.H. SCREW M5X65, DP4700 1
61 911211-1 P.H. SCREW M5X12, HM1500B 2
62 285023-1 BEARING COVER, KP312 1