
3
220777 C IMAGE 3
Hardware Features
✓BUILT-IN RADIO RECEIVER
Variable gain, high-sensitivity receiver for wireless transmitters
✓FOUR FORM “C” (N.O. & N.C) RELAYS
Each relay has 3-amp @ 24-volt rating
✓FOUR REQUEST-TO-EXIT INPUTS
Activates access device for exiting using a hardwired switch
✓FOUR SENSING INPUTS
For sensing door position to control door-ajar and alarm features, or for access inhibit timer
✓BUILT-IN ANNUNCIATOR
Chirps during keystrokes
✓BUILT-IN MODEM
No add-on modem required for telephone communications with system
✓RS-232 PORT
COM port for direct connection to a computer
✓NETWORK SUPPORT
Multiple units can be connected together to share data
✓EXPANSION INTERFACE SUPPORT
Model AM-MIO accessory adds additional input and outputs to the AE-1000
✓ON-BOARD CLOCK/CALENDAR CIRCUIT
Stamps the event log data as it is stored in the system’s memory
✓WIEGAND INPUTS
Two Wiegand format card reader inputs for connection to external devices.
✓LINEAR PBUS SUPPORT
Three PBUS input/output ports for connection to Linear accessories.
✓CCTV COLOR CAMERA SUPPORT
Model CCM-1 accessory camera allows color video monitoring of the keypad area
✓POWER FAILURE MONITOR
AC power input is monitored, power outages are recorded in the event log
Software Highlights
✓COMPUTER PROGRAMMABLE
No dedicated programmer required, program with a computer and a modem
✓LARGE ENTRY CODE CAPACITY
Up to 20,000 entry codes can be used for gaining access
✓2-8 DIGIT ENTRY CODE LENGTH
Flexible code length for different applications
✓LARGE RESIDENT DIRECTORY CAPACITY
Up to 10,000 residents
✓2-4 DIGIT DIRECTORY NUMBER LENGTH
Directory number lengths can be customized for small or large installations
✓LARGE TRANSMITTER CAPACITY
Up to 45,600 block coded and 20,000 individually enrolled Linear transmitters can be used
for gaining access
✓TRANSMITTER FACILITY CODE SUPPORT
Identifies wireless transmitters by installation
✓LARGE CARD CAPACITY
Up to 45,600 block coded and 20,000 individually enrolled cards can be used for gaining
access
✓FOUR INDEPENDENT RELAY CHANNELS
Each output’s action is programmable
✓PROGRAMMABLE TIME SCHEDULED RELAY ACTIVATION
Activation for up to four time periods for each of the 32 system time zones
✓PROGRAMMABLE TIME ZONE ACCESS VALIDATION
Validation during four time periods for each of the 32 system time zones
✓PROGRAMMABLE VALIDATION DAYS
Select days of the week access is allowed
✓PROGRAMMABLE HOLIDAY DAYS
Select up to 24 expiring & 24 non-expiring holidays for access restriction
✓OBSTACLE TRANSMITTER SUPPORT
Compatible with Linear’s Model MGT transmitter
✓EVENT LOG
Stores up to 20,000 system events in memory for record keeping
✓DELETED CARDHOLDER DATABASE
System logs deleted cardholders for future identification
✓TIMED ANTI-PASSBACK
Disables entry code for a programmed time after use
Feature Overview
Relay Outputs
Four 3-amp dry contact relay outputs are provided to activate access devices,
such as door strikes, magnetic locks, automatic doors, barrier gates, and
automatic sliding gates. The relay outputs can also be used as specialty
outputs for alarm contact shunting, operator obstacle triggering, and alarm
activation. Each of the relays can also be manually activated from buttons on
the AE-1000 circuit board. LED indicators display the status of each relay.
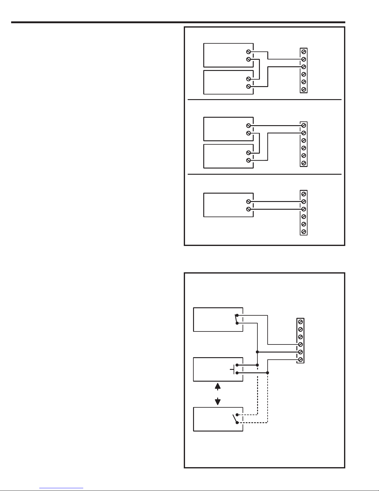
Request-to-Exit Inputs
Each relay channel has a request-to-exit input. These inputs are supplied for
hardwire activation of the access devices. Typically a request-to-exit input is
wired to a pushbutton inside of the access controlled area. When a person
desires to exit, pressing the pushbutton will activate the output relay channel
and trigger the access device. A loop detector for automatic gate operation
can be connected to a request-to-exit input.
Sensing Inputs
The sensing inputs connect to door switches that monitor whether the controlled
door is open or closed. The sensing inputs may alternately be programmed as
“access inhibit” inputs for use with an external timer or service switch.
Built-in Modem
A modular connector is provided for telephone line connection to the
unit’s built-in 33.6K baud modem. The system can be accessed remotely
for programming and control over the standard telephone system using a
personal computer with a modem. For system backup, a computer connected
through the modem can store and retrieve the AE-1000’s memory data.
RS-232 Communications Port
A modular connector is provided for the bi-directional 38.4K baud RS-232
port. The AE-1000’s RS-232 port connects to a personal computer’s COM
port. System programming can be performed locally with a computer
connected to the RS-232 port.
Local Keypad
The local keypad is the system’s primary keypad. The local keypad activates
Relay Channel “A”, but can be programmed for any of the relays.
Postal Lock
The AE-1000 cabinet has provisions for installing a U.S.P.S. postal lock for
keyed mail carrier access. The postal lock will activate Relay Channel “A”, but
can be programmed for any of the relays.
Obstacle Detection
Linear’s Model MGT safety edge transmitter is compatible with the AE-1000.
The MGT detects and transmits obstacle events to the AE-1000.
Programming Memory
The AE-1000’s flash memory retains all entry codes, transmitter information,
card access, and programming, even without power.
Computer Programming
The system programming can be accomplished by a computer and modem
using Linear’s AccessBase2000 programming software.
Battery Backup
The system supports a 12-volt battery backup or uninterruptable power supply
for operation during power outage. The system does not charge the backup
battery, an external battery charger is required to maintain the battery.
Network Support
Multiple AE-1000, AE-2000, & AM-3 units can be networked together via
RS-485 allowing information sharing between the units. Networked units are
interconnected with a three-wire cable. A common event log is retained for all
of the networked units.
Linear PBUS Ports
Three 6-wire Linear PBUS input/output ports are available to connect to
several accessories (keypads, proximity readers, remote receivers). A typical
application for a remote keypad or reader would be to control additional doors
or gates.