
© 2020 Carrier 1 / 3 P/N 3102359-EN • REV 002 • ISS 21OCT20
FX-T3T4 Temporal Pattern
Generator Installation Sheet
Description
The FX-T3T4 Temporal Pattern Generator is an addressable device
used to generate T3 (fire) or T4 (CO) temporal signal patterns for use
with compatible sounder bases. The T3 and T4 temporal patterns are
compliant with NFPA 72 and NFPA 720, respectively.
Note: In the United States, you can use T3 or T4. In Canada, you can
only use T3.
The FX-T3T4 module uses two addresses on the signaling line circuit
(SLC). Address 1 is tied to Channel 1 which is the T3 pattern. Address
2 is tied to Channel 2 which is the T4 pattern. Channel 1 always has
the highest priority.
The device address is set using the two rotary switches located on the
front of the module. Two consecutive device addresses are required.
The second device address is automatically assigned one number
higher than the value set on the rotary switches.
Operation
Channel selection
The fire alarm control unit sends synchronization and channel
commands to the FX-T3T4. Channel selection determines the pattern.
The fire alarm control unit can also send silencing commands to the
FX-T3T4.
During system initialization, the SLC controller determines which
pattern plays on each channel, depending on the marketplace setting.
For example, in the US and Canadian marketplaces, a fire alarm takes
priority over a CO alarm, so the T3 pattern is assigned to Channel 1.
Settings for other markets are governed by local requirements.
Synchronization
When an alarm condition occurs, the detector notifies the control unit
and the control unit commands the FX-T3T4 to activate the T3T4 riser.
The FX-T3T4 generates the appropriate pattern and synchronizes all
the sounder bases on a single T3T4 riser. The SLC controller
synchronizes multiple FX-T3T4 modules installed on the same SLC.
Silencing the FX-T3T4
The alarm signal continues until the system resets or is manually
silenced. The FX-T3T4 can receive silencing commands from the
control panel.
LED operation
The FX-T3T4 module uses a bicolor LED to indicate its status, as
follows:
• Normal: Green LED flashes
• Alarm/active: Red LED flashes
Installation
Install and wire this device in accordance with applicable national and
local codes, ordinances, and regulations.
WARNINGS
• This module will not operate without electrical power. As fires
frequently cause power interruption, you should discuss further
safeguards with your local fire protection specialist.
• This module does not support conventional smoke detectors.
Caution: Electrical supervision requires that you break the wire run at
each terminal. Do not loop the signaling circuit field wires around the
terminals.
Notes
• The module is shipped from the factory as an assembled unit; it
contains no user-serviceable parts and should not be
disassembled.
• Only one module is required for each T3T4 riser.
• When determining allowable wire resistance, refer to the voltage
rating of the module, the signaling appliance, and the control panel
specifications.
• Strip 1/4 in. (about 6 mm) from the ends of all wires that connect to
the terminal block of the module. Exposing more bare wire may
cause a ground fault and exposing less wire may result in a faulty
connection.
To install the module:
1. Verify that all field wiring is free of opens, shorts, and ground
faults.
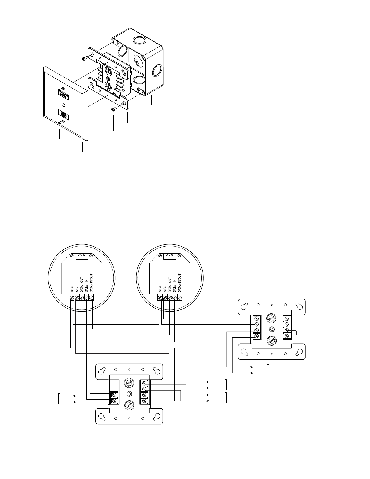
2. Make the wiring connections as shown in Figure 3.
3. Set the module address. Refer to the control unit documentation
for a list of valid addresses.
Use a screwdriver to adjust the two rotary switches on the front of
the module. Set the TENS rotary switch (0 through 12) for the 10s
and 100s digit and the ONES rotary switch for the 0 through 9
digit. For example: device address 21, set the TENS rotary switch
to 2 and set the ONES rotary switch to 1 (see Figure 1).
4. Mount the module on the electrical box using the screws provided
with the electrical box. See Figure 2.
See “Specifications” on page 3 for compatible electrical boxes.
5. Mount the wall plate on the module using the hardware shown in
Figure 2.
Figure 1: Module address
(1) Insert screwdriver here.
TB1
TENS
ONES
TB2
12
11
10
9
4
3
2
1
0
8
567
09
18
27
3 6
45
–
+
+
–
(1)