
Connecting the external components
F
iPod is a trademark of Apple Inc., registered in the U.S. and other countries.
To disconnect the connector
Hold the connector tightly ( 1 ), then pull it out ( 2 ) .
External component
When connecting the e ternal components, refer also to the manuals supplied for the components and
adapters.
CAUTION:
Before connecting the e ternal components, make sure that the unit is turned off.
You can connect the following JVC components to the CD changer jack.
JVC component Model name
CD changer (CD-CH) CH-X1500, etc.
You can also connect the following components through the various JVC adapters.
• Connection cords may need to be purchased separately.
Component Adapter Model name
iPod Interface adapter for iPod KS-PD100
Portable audio player with line output jacks Line input adapter KS-U57
Portable audio player with 3.5 mm stereo
mini jack
AUX input adapter KS-U58
You can also connect an e ternal component to the LINE IN terminals on the rear of the unit using a
signal cord (not supplied).
LINE IN terminals
CD changer jack
CD-CH / KS-PD1 /
KS-U57 / KS-U58
When connecting an external component
USB devices
USB device
USB cable—appro . 1.2 m
You cannot connect a computer to the USB ( ) cable from the rear of the unit.
C
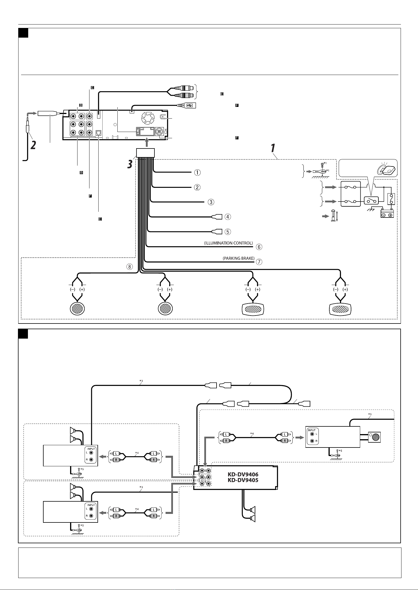
Connecting the parking brake wire
When installing the monitor in a location
where it can be seen by the driver
Connect the parking brake wire to the parking brake
system built in the car.
When installing the monitor in a location where
it cannot be seen by the driver
Connect the parking brake wire to metallic body or
chassis of the car.
Connecting the crimp connector
D
Parking brake wire (light green)
To metallic body or chassis of the car
Parking brake switch (inside the car)
Parking brake
Parking brake wire (light green)
Wire connecting the battery and the parking brake switch.
Attach the parking brake wire to this point.
Contact the metallic part of the crimp to the wires inside.
Pinch the crimp firmly.
E
Audio/video control amplifier or the decoder
compatible with the multichannel digital sources
KV-MR9 1
9-INCH WIDESCREEN MONITOR *6
Digital optical cable *6 (only for DVD playback)
Video cord *6
Signal cord *6
Required connections for DVD/AV-IN (video) playback
KS-HP2 *6
Cordless headphones *7
or
Rear side
*6 Not supplied for this unit.
*7 To listen to disc playback sound while in Dual Zone operations (see page 25 of INSTRUCTIONS).
Signal cord *6
Instal3-4_DV9406_009A_1.indd 4Instal3-4_DV9406_009A_1.indd 4 22/4/08 9:06:09 AM22/4/08 9:06:09 AM