Just Motion Control iHSS57 Series Manual de usuario

iHSS57-XX
Integrate Stepper Servo Motor
Manual
Shenzhen Just Motion Control Electro-mechanics Co., Ltd
TEL:+86-0755-26509689
FAX:+86-0755-26509289
www.jmc-motion.com
Email:[email protected]
Address: Floor2, Building A, Hongwei Industrial Zone No.6,
Liuxian 3rd Road, Shenzhen. China

Shenzhen Just Motion Control Electro-mechanics Co., Ltd 0755-26509689
-2-
Thanks for selecting JMC stepper motor driver. We
hope that the superior performance, outstanding quality,
excellent cost performance of our product can help you
accomplish your motion control project.
The content in this manual has been carefully
prepared and is believed to be accurate, but no
responsibility is assumed for inaccuracies.
All the contents of this manual, copyright is owned
by the Shenzhen JUST MOTION CONTROL
electromechanical Co., Ltd. Without JMC permission,
no unit or individual is allowed to copy.
Shenzhen Just Motion Control
Electro-mechanics Co., Ltd
Version
Editor
Verifier
V1.1
R&D
R&D

Shenzhen Just Motion Control Electro-mechanics Co., Ltd 0755-26509689
-3-
Contents
1. Overview............................................................................................ - 4 -
2. Features..............................................................................................- 4 -
3. Ports Introduction.............................................................................- 5 -
3.1 ALM signal output ports......................................................... - 5 -
3.2 Control Signal Input Ports....................................................... - 5 -
3.3 Power Interface Ports............................................................ - 15 -
4. Technological Index..........................................................................- 7 -
5. Connections to Control Signal.........................................................- 8 -
5.1 Connections to Common Anode............................................. - 8 -
5.2 Connections to Common Cathode...........................................- 9 -
5.3 Connections to Differential Signal.......................................... - 9 -
5.4 Connections to 232 Serial Communication Interface........... - 10 -
5.5 Sequence Chart of Control Signals....................................... - 11 -
6. DIP Switch Setting..........................................................................- 12 -
6.1 Micro steps Setting................................................................ - 12 -
6.2 Activate Edge Setting............................................................ - 13 -
6.3 Running Direction Setting.....................................................- 12 -
7. Faults alarm and LED flicker frequency..................................... - 14 -
8. Appearance and Installation Dimensions.....................................- 15 -
10. Parameter Setting......................................................................... - 16 -
11. Processing Methods to Common Problems and Faults............ - 20 -
11.1 Power on power light off.....................................................- 20 -
11.2 Power on red alarm light on................................................ - 20 -
11.3 Red alarm light on after the motor running a small angle.. - 21 -
11.4 After input pulse signal but the motor not running.............- 21 -

Shenzhen Just Motion Control Electro-mechanics Co., Ltd 0755-26509689
-4-
1. Overview
The iHSS57-XX Integrate Stepper Servo Motor is merged
the stepper servo driver and motor together. This motor system
integrates the servo control technology into the digital stepper
drive perfectly. And this product adopts an optical encoder with
high speed position sampling feedback of 50 μs, once the
position deviation appears, it will be fixed immediately. This
product is compatible the advantages of the stepper drive and
the servo drive, such as lower heat, less vibration, fast
acceleration, and so on.
2. Features
Integrated compact size for saving mounting space
Without losing step, High accuracy in positioning
100% rated output torque
Variable current control technology, High current efficiency
Small vibration, Smooth and reliable moving at low speed
Accelerate and decelerate control inside, Great improvement in
smoothness of starting or stopping the motor
User-defined micro steps
No adjustment in general applications
Over current, over voltage and over position error protection
Green light means running while red light means protection or
off line

Shenzhen Just Motion Control Electro-mechanics Co., Ltd 0755-26509689
-5-
3. Ports Introduction
3.1 ALM signal output ports
Symbol
Name
Remark
ALM+
Alarm output +
ALM-
Alarm output -
PED-
Arrive position output-
PED+
Arrive position output+
3.2 Control Signal Input Ports

Shenzhen Just Motion Control Electro-mechanics Co., Ltd 0755-26509689
-6-
Symbol
Name
Remark
ENA-
Enable signal -
Compatible with
5V or 24V
ENA+
Enable signal +
DIR-
Direction signal-
DIR+
Direction signal+
PUL-
Pulse signal -
PUL+
Pulse signal +
3.3 Power Interface Ports
Symbol
Name
VCC
Input power
GND
Input power ground

Shenzhen Just Motion Control Electro-mechanics Co., Ltd 0755-26509689
-7-
4. Technological Index
Input Voltage
24~50VDC(36V Typical)
Output Current
4.5A 20KHz PWM
Pulse Frequency max
200K
Communication rate
57.6Kbps
Protection
Over current peak value 8A±10%
Over voltage value 80V
The over position error range can be
set through the HISU
Environment
Specifications
Environment
Avoid dust, oil fog and corrosive gases
Operating
Temperature
70℃MAX
Storage
Temperature
-20℃~+65℃
Humidity
40~90%RH
Cooling
method
Natural cooling or forced air cooling

Shenzhen Just Motion Control Electro-mechanics Co., Ltd 0755-26509689
-8-
5. Connections to Control Signal
5.1 Connections to Common Anode
Remark:
VCC is compatible with 5V or 24V;
R(3~5K) must be connected to control signal terminal.

Shenzhen Just Motion Control Electro-mechanics Co., Ltd 0755-26509689
-9-
5.2 Connections to Common Cathode
Remark:
VCC is compatible with 5V or 24V;
R(3~5K) must be connected to control signal terminal.

Shenzhen Just Motion Control Electro-mechanics Co., Ltd 0755-26509689
- 10 -
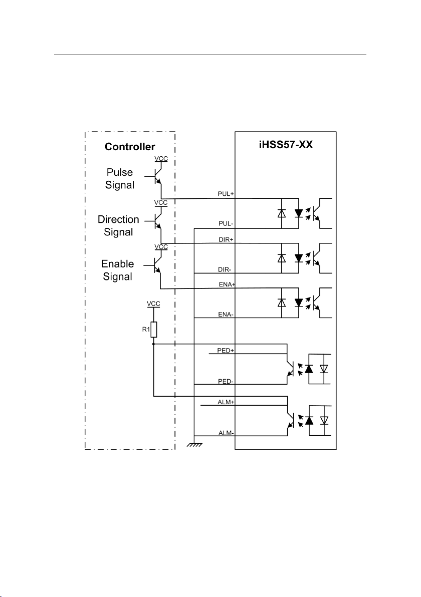
5.3 Connections to Differential Signal
Remark:
VCC is compatible with 5V or 24V;
R(3~5K) must be connected to control signal terminal.
Tabla de contenidos
Otros manuales de Motor de Just Motion Control


















