
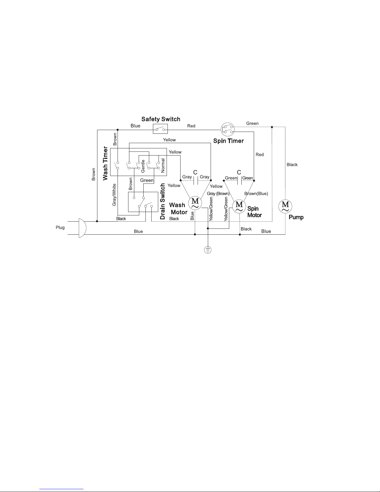
Preparation
• Place the machine on a flat, solid, level surface.
• Plug the power supply cord into an AC outlet with voltage corresponding to the rating label of the appliance. To reduce risk of electric shock,
plug into a ground fault circuit interrupter (GFCI) outlet.
• Insert the water inlet hose into water inlet connector. Connect hose to tap.
• Place the drain hose so that the discharged water flows away from the machine.
• Separate laundry as usual (whites, colorfast, dark, delicate, etc.) and follow the laundering guide in this manual. Do not wash torn clothes.
Empty all pockets and close all fasteners.
• Check that the wash timer knob is set to the 0 position and that the selector switch is set to the "Wash" mode.
• Fill the tub according to the recommended level. Do not use water that is more than 122° F (50° C.)
• Do not use excessive amounts of detergent or bleach. Use according to the manufacturer's recommendation.
• Unplug the unit when it is not in use.
Simultaneous Wash and Spin-dry
Two motors allow you to wash one load while spin-drying another. Set the controls for both "Wash" and "Spin" per the instructions in this guide.
Operation
Wash
• Connect drain hose and water inlet hose as described.
• Add laundry and detergent to the wash tub.
• Set the selector to "Wash."
• Turn on water supply and fill tub according to the recommended level in the laundry guide.
• Set the wash timer according to the recommended duration in the laundry guide.
• When washing is completed, set the selector to the "Drain" position to discharge the water.
Drain
When washing or rinsing is complete, turn the selector knob to the Drain position to activate the pump. IMPORTANT! –Turn the knob back to Wash
when draining is complete.
Rinsing in the Wash Tub
• Set the water inlet knob to "Wash Tub."
• Turn the water supply on.
• When rinse water becomes clear, turn the water supply off.
• Set the selector to "Drain" to discharge water.
Rinsing in the Spin Tub
• Set the water inlet knob to "Spin Tub."
• Turn the water supply on.
• Set the selector to "Drain" to discharge water.
Clearing the Tub
• Set the selector to "Drain" to discharge water.
• When machine empties, reset the control to "Wash."
Spin Drying
• Open the inner safety lid of the spin tub: lift up the outer cover, then lift up the safety lid.
• Transfer the wash load to the spin tub starting with small articles. Distribute clothing uniformly to avoid imbalance.
• Place the removable spin mat over the wash load and lightly push downward (to contain the clothes in the spin tub.)
• Close the inner safety lid and then the spin tub lid.
• Set the spin timer to the duration recommended in the laundry guide.
• Wait until the tub has stopped spinning before reaching in and removing laundry.
• To remove or reposition clothes during the spin cycle, open the outer and inner lids. The tub will automatically stop spinning as a brake is
activated when the spin lid is opened. To restart, close both lids. If required, reset the timer.
• If any abnormal noise or vibration occurs, turn off the spin timer and rearrange the load inside the tub.
2